Section 00-02: Lifting, Jacking and Spare Tire Stowage | 1996 F-150, F-250, F-350, F-Super Duty and Bronco Workshop Manual |
The spare tire is stowed at the front left side of the pickup box.
Removal
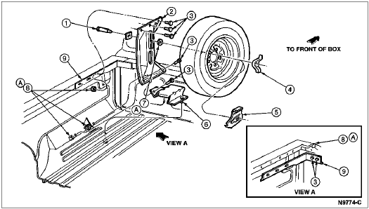
Remove the wing nut from the carriage bolt and remove the spare wheel mounting plate (1424) from the wheel.
Lift the spare wheel from the carrier support.
If the spare wheel carrier support needs to be replaced, remove the five screws from the support and remove the support from the vehicle.
Installation
If the carrier support was removed, position it to the vehicle and install the five holding screws.
Position the spare wheel to the carrier support making sure the carriage bolt is positioned properly through the center of the wheel.
Install the spare wheel mounting plate on the carriage bolt making sure the retaining tabs are properly positioned on the spare wheel.
NOTE: Make sure the tire is properly secured before operating the vehicle.
Install the wing nut and hand-tighten.

| Item | Part Number | Description |
|---|---|---|
| 1 | N802834-S2 | Carriage Bolt |
| 2 | 1405 | Spare Wheel Carrier Support |
| 3 | N801010-S40 | Screw |
| 4 | N800344-S2 | Wing Nut |
| 5 | 1424 | Spare Wheel Mounting Plate |
| 6 | W623485-S2 | Nut |
| 7 | N620481-S2 | Nut |
| 8 | 1407 | Spare Wheel Carrier Support Reinforcement |
| A | — | Tighten to 4.1-4.7 Nm (36-42 Lb-In) |
| B | — | Tighten to 22-34 Nm (16-25 Lb-Ft) |

| Item | Part Number | Description |
|---|---|---|
| 1 | N802834-S2 | Carriage Bolt |
| 2 | 1405 | Spare Wheel Carrier Support |
| 3 | N801010-S40 | Screw |
| 4 | N800344-S2 | Wing Nut |
| 5 | 1424 | Spare Wheel Mounting Plate |
| 6 | 1A457 | Spare Wheel Carrier Support Extension (F-150, 6-3/4-Foot Box Only) |
| 7 | W623485-S2 | Nut |
| 8 | N620481-S2 | Nut |
| 9 | 1407 | Spare Wheel Carrier Support Reinforcement |
| A | — | Tighten to 22-34 Nm (16-25 Lb-Ft) |