Section 02-03: Engine and Transmission Mounting | 1996 F-150, F-250, F-350, F-Super Duty and Bronco Workshop Manual |
Removal
Place a block of wood and a jack under the transmission (7003).
Remove the two nuts attaching the insulator to the crossmember. Remove the damper assembly from the transmission crossmember. Raise the transmission sufficiently to lift the insulator from the crossmember.
On vehicles so equipped, remove the fasteners attaching the exhaust hanger to the rear engine mount.
Remove the two bolts attaching the insulator to the transmission and remove the insulator and retainer assembly.
Installation
Position the insulator and retainer assembly to the transmission. Install the two attaching bolts and tighten to specification.
If so equipped, install the fasteners attaching the exhaust hanger to the insulator. Tighten to 17-23 Nm (13-17 lb-ft).
Lower the transmission and install the damper assembly and insulator-to-front crossmember attaching nuts. Tighten to 81-108 Nm (60-80 lb-ft).
Remove the jack and wood block from under the transmission.

| Item | Part Number | Description |
|---|---|---|
| 1 | 6028 | Front Engine Support Bracket |
| 2 | 6D037 | Shield |
| 3 | 6038 | Front Engine Support Insulator |
| 4 | N802114-S2 | Bolt |
| 5 | N800937-S7 | Nut |
| 6 | N807479-S301 | Nut and Washer |
| 7 | 65090-S | Rivet |
| 8 | 65094-S | Rivet |
| 9 | 6061 | Engine Support Bracket |
| 10 | 387811-S100 | Bolt |
| 11 | N802114-S2 | Bolt |
| 12 | 65094-S | Rivet |
| A | — | Tighten to 60-80 Nm (44-59 Lb-Ft) |
| B | — | Tighten to 96-127 Nm (71-94 Lb-Ft) |
| C | — | Tighten to 81-108 Nm (60-80 Lb-Ft) |

| Item | Part Number | Description |
|---|---|---|
| 1 | N800937-S7 | Nut |
| 2 | 6028 | Front Engine Support Bracket (RH) |
| 3 | N802114 | Bolt |
| 4 | 6046 | Engine Support Mounting Bracket |
| 5 | 387811-S100 | Screw and Washer |
| 6 | 6061 | Engine Support Bracket (LH) |
| 7 | N800937-S7 | Nut |
| 8 | 65090 | Rivet |
| 9 | N807479-S301 | Nut and Washer |
| 10 | N803203-S100 | Bolt |
| 11 | 6046 | Engine Support Insulator (RH) |
| 12 | 389696 | Bolt, Bracket-to-Engine |
| 13 | 6B033 | Engine Support Mounting Bracket |
| 14 | 6B032 | Engine Support Insulator (LH) |
| 15 | 387811-S100 | Screw and Washer |
| 16 | 6D037 | Engine Mount Heat Shield (LH) |
| A | — | Tighten to 53-72 Nm (39-53 Lb-Ft) |
| B | — | Tighten to 81-109 Nm (60-80 Lb-Ft) |
| C | — | Tighten to 88-118 Nm (65-87 Lb-Ft) |
| D | — | Tighten to 53-72 Nm (39-53 Lb-Ft) |
| E | — | Tighten to 109-149 Nm (80-110 Lb-Ft) |

| Item | Part Number | Description |
|---|---|---|
| 1 | 390979-S100 | Stud |
| 2 | 387811-S100 | Screw and Washer |
| 3 | 6038 | Front Engine Support Insulator (RH) |
| 4 | 6028 | Front Engine Support Bracket (RH) |
| 5 | N802114-S2 | Bolt |
| 6 | 6B032 | Engine Support Insulator (LH) |
| 7 | 6061 | Engine Support Bracket (LH) |
| 8 | N800937-S7 | Bolt |
| 9 | N807479-S301 | Nut |
| 10 | N800937-S7 | Nut |
| A | — | Tighten to 77-103 Nm (57-76 Lb-Ft) |
| B | — | Tighten to 98-132 Nm (72-98 Lb-Ft) |
| C | — | Tighten to 53-72 Nm (39-53 Lb-Ft) |

| Item | Part Number | Description |
|---|---|---|
| 1 | 387811-S100 | Screw and Washer |
| 2 | N803203-S100 | Bolt |
| 3 | 6046 | Engine Support Mounting Bracket |
| 4 | 6C038 | Engine Mount Heat Shield |
| 5 | 6B032 | Engine Support Insulator |
| 6 | 6061 | Engine Support Bracket (LH) |
| 7 | N800937-S2 | Nut |
| 8 | N801995-S2 | Nut and Washer |
| 9 | N802114-S2 | Bolt |
| 10 | 6037(RH) | Engine Support Bracket |
| A | — | Tighten to 60-80 Nm (44-59 Lb-Ft) |
| B | — | Tighten to 60-95 Nm (44-70 Lb-Ft) |
| C | — | Tighten to 88-118 Nm (65-87 Lb-Ft) |

| Item | Part Number | Description |
|---|---|---|
| 1 | 6096 | Engine Support Bracket (RH) |
| 2 | 6A023 | Engine Support |
| 3 | 6096 | Engine Support Bracket (LH) |
| 4 | 6D091 | Engine Support Insulator |
| 5 | 391558-S2 | Screw and Washer |
| 6 | 4A263 | Damper (F-250, 7.3L 4x2 with Manual Transmission and F-350, 7.3L, 133-Inch Wheelbase, 4x2 with Manual Transmission) |
| 7 | N621945-S2 | Nut and Washer |
| 8 | N802114 | Bolt |
| 9 | N800937-S7 | Nut |
| A | — | Tighten to 88-118 Nm (65-87 Lb-Ft) |
| B | — | Tighten to 77-103 Nm (57-76 Lb-Ft) |
| C | — | Tighten to 53-72 Nm (39-53 Lb-Ft) |

| Item | Part Number | Description |
|---|---|---|
| 1 | N802114-S2 | Bolt |
| 2 | 6096 | Engine Support Bracket (LH) |
| 3 | 6A023 | Engine Support |
| 4 | N800937-S7 | Nut |
| A | — | Tighten to 53-72 Nm (39-53 Lb-Ft) |
| B | — | 1820.0mm (72 Inches) |
| C | — | 1852.3mm (73 Inches) |

| Item | Part Number | Description |
|---|---|---|
| 1 | 6096 | Engine Support Bracket (RH) |
| 2 | 6A023 | Engine Support |
| 3 | 6096 | Engine Support Bracket (LH) |
| 4 | 6D091 | Engine Support Insulator |
| 5 | 391558-S100 | Screw and Washer |
| 6 | N621945 | Nut |
| 7 | N802114 | Bolt |
| 8 | N800937 | Nut |
| A | — | Tighten to 88-118 Nm (65-87 Lb-Ft) |
| B | — | Tighten to 53-72 Nm (39-53 Lb-Ft) |

| Item | Part Number | Description |
|---|---|---|
| 1 | N802114-S2 | Bolt-Hex |
| 2 | 6096 | Engine Support Bracket (RH) |
| 3 | 6A023 | Engine Support |
| 4 | N800937-S7 | Nut |
| A | — | Tighten to 53-72 Nm (39-53 Lb-Ft) |

| Item | Part Number | Description |
|---|---|---|
| 1 | 6096 | Engine Support Bracket (RH) |
| 2 | 6A023 | Engine Support |
| 3 | 6096 | Engine Support Bracket (LH) |
| 4 | 6D091 | Engine Support Insulator |
| 5 | 391558-S100 | Screw and Washer |
| 6 | N621945-S2 | Nut and Washer |
| 7 | N802114 | Bolt |
| 8 | N800937-S7 | Nut |
| A | — | Tighten to 81-108 Nm (60-79 Lb-Ft) for F-Series Bronco. Tighten to 68-95 Nm (50-70 Lb-Ft) F-Super Duty and Motorhome Applications. |
| B | — | Tighten to 60-95 Nm (44-70 Lb-Ft) |

| Item | Part Number | Description |
|---|---|---|
| 1 | 6A023 | Engine Support |
| 2 | 6096 | Engine Support Bracket (LH) |
| 3 | 6D091 | Engine Support Insulator |
| 4 | 391558-S100 | Screw and Washer |
| 5 | N621945-S2 | Nut and Washer |
| 6 | N802114 | Bolt |
| 7 | N800937-S7 | Nut |
| A | — | Tighten to 81-108 Nm (60-79 Lb-Ft) for F-Series Bronco. Tighten to 68-95 Nm (50-70 Lb-Ft) F-Super Duty and Motorhome Applications. |
| B | — | Tighten to 60-95 Nm (44-70 Lb-Ft) |

| Item | Part Number | Description |
|---|---|---|
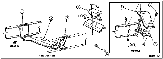
| 1 | 6068 | Transmission Support Insulator |
| 2 | 5025 | Crossmember |
| 3 | 7003 | Transmission |
| 4 | 390066-S2 | Screw and Washer |
| 5 | N621945-S2 | Nut and Washer |
| A | — | Tighten to 67-95 Nm (49-70 Lb-Ft) |