Section 03-01D: Engine, Diesel, 7.3L | 1996 F-Series Workshop Manual |
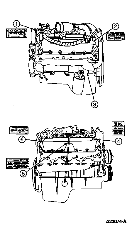
Vehicle identification, the location of the vehicle rating and data plates, and engine code information is fully covered in Section 00-01. For specific and exact engine identification, an engine calibration code label is affixed to the B pillar. Refer to the following illustrations for examples of engine identification labeling.

| Item | Part Number | Description |
|---|---|---|
| 1 | — | Engine Code Label (Part of 6007) |
| 2 | — | Electrical System Caution (Part of 6007) |
| 3 | — | Stamped Serial Number (on Crankcase) (Part of 6007) |
| 4 | — | Oil Change Label (Part of 6007) |
| 5 | — | Emission Label (Part of 6007) |
| 6 | — | Electrical System Caution (Part of 6007) |

Always refer to the engine calibration code label when replacement parts are required or when checking engine calibrations. Some engine parts may vary with engine application and vehicle type. The codes contain information relating to dates, optional equipment and revisions. The Ford Master Parts Catalog contains a complete listing of the codes and their application. Additional identification information can be found in the permanent engine serial number (stamped on the lower rear left-hand side of the crankcase), the emission label (affixed to the right valve cover), or the engine serial sequence number label or oil change information label.
Engine Code Label

Engine Emission Label
