Section 03-01D: Engine, Diesel, 7.3L | 1996 F-Series Workshop Manual |
Low-Pressure System
The lubrication system is comprised of a low-pressure system and a high-pressure system. The low-pressure system provides primary engine lubrication while the high-pressure system provides the hydraulic pressure required to actuate the fuel injectors. The low-pressure system consists of the following:
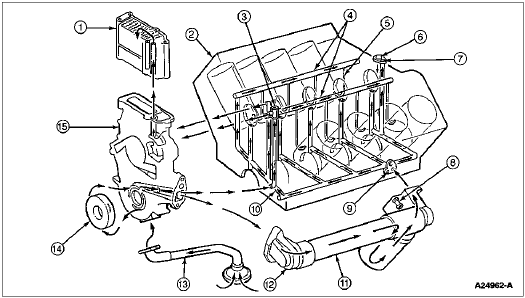
The low-pressure lubricating system draws oil from the engine oil pan (6675) through the oil pump screen cover and tube, into the oil inlet passage in the front cover. The gerotor oil pump then pumps the oil back out through the outlet passage in the front cover. The oil separates into two paths. One flow path sends oil into the high-pressure pump reservoir initial feed galley (integral to the cylinder block) and through the anti-drain back check ball. During cold start the oil feeds in two directions from the anti-drain back check ball. One feed leaves the check ball and enters the front cover. From there it enters the high-pressure oil reservoir. The second feed exits the check ball and enters the left bank valve lifter oil galley. After leaving the front cover outlet passage, the second oil path sends the oil through the oil cooler and filter assembly. Once inside the filter housing the oil filter bypass valve may open to vent excess pressure and oil back into the oil pan. After the oil has been circulated through the oil filter (6731), the oil feed then enters the main oil galley (integral to the cylinder block). Once in the main oil galley the oil is routed to the five crankshaft main bearing (6333) through five drilled and machined feed galleys (integral to the cylinder block). The five camshaft bearings receive the oil feed through five vertical drilled and machined feed galleys connected to the main bearing feed galleys. The front main bearing feed galley also supplies oil to the right bank valve lifter oil galley through a vertically drilled and machined oil feed galley (integral to the cylinder block). The rear main bearing oil feed galley also supplies oil to the turbocharger assembly through a vertically drilled and machined oil feed galley (integral to the cylinder block). Pressurized oil entering the turbocharger assembly is utilized to actuate the exhaust back pressure warm-up system. The oil drains back through the turbocharger mounting pedestal and back into the oil pan. The valve lifter oil galley supplies pressurized oil to the valve tappet (6500) and to the piston cooling oil jets. Oil from the valve tappets is routed upward to the cylinder head valve train through hollow push rods (6565). Once in the cylinder head (6049), the oil drains back to the oil pan through return ports at each end of the cylinder head.
Low-Pressure Oil Flow 7.3L

| Item | Part Number | Description |
|---|---|---|
| 1 | 6658 | High-Pressure Oil Pump Reservoir |
| 2 | 6010 | Cylinder Block |
| 3 | — | Anti-Drain Check Ball (Part of 6658) |
| 4 | — | Valve Lifter Oil Galleys (Part of 6010) |
| 5 | 6C327 | Piston Cooling Oil Jets |
| 6 | — | Turbocharger Oil Return Galley (Part of 6010) |
| 7 | — | Turbocharger Oil Supply Galley (Part of 6010) |
| 8 | — | Pressure Relief/Regulator Valve (Part of 9155) |
| 9 | — | Oil Filter Bypass Drain (Part of 6881) |
| 10 | — | Main Oil Galley (Part of 6010) |
| 11 | 6A642 | Oil Cooler |
| 12 | 6881 | Oil Cooler Header |
| 13 | 6622 | Oil Pump Screen Cover and Tube |
| 14 | 6608 | Gerotor Oil Pump |
| 15 | 6019 | Engine Front Cover |
High-Pressure System
The high-pressure system consists of:
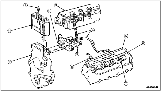
During initial start or cold start the high-pressure oil pump receives unfiltered oil from the left side valve lifter oil galley through the anti-drain back check ball valve. Once the engine starts or during warm engine starts the check ball closes and the high-pressure oil pump receives filtered oil from the high-pressure oil pump reservoir. The high-pressure oil pump pumps the oil under extremely high pressures (4115-20577 kPa [600-3000 psi]) through the left and right side pressure oil rails (integral to the cylinder heads). Once in the oil rail the oil is fed to the fuel injector bores through four oil feed galleys drilled and machined in the cylinder head. The high-pressure oil then actuates the fuel injectors (9F593).
High-Pressure Oil Flow — 7.3L

| Item | Part Number | Description |
|---|---|---|
| 1 | 9278 | Oil Pressure Sensor |
| 2 | 6600 | High-Pressure Oil Pump |
| 3 | 6049 | Cylinder Head |
| 4 | 9A332 | High-Pressure Oil Feed Hoses |
| 5 | — | High-Pressure Oil Rail (Part of 6049) |
| 6 | — | Injector Oil Feed Galleys (Part of 6049) |
| 7 | 9F593 | Fuel Injector (8 Required) |
| 8 | 9F838 | Injection Control Pressure Sensor |
| 9 | — | Injection Pressure Regulator (Part of 6600) |
| 10 | 6019 | Engine Front Cover |
| 11 | 6658 | High-Pressure Oil Pump Reservoir |