Section 03-12: Air Intake System | 1996 F-150, F-250, F-350, F-Super Duty, Bronco Workshop Manual |
Refer to the illustrations in this section for removal and installation of the various types of engine air cleaners (ACL) (9600). Reference to the illustrations will enable the service technician to perform the required removal and installation or repair operations. For all engines, refer to the following procedure.
Removal
Loosen hose clamp(s) securing hose assembly to engine air cleaner.
Remove screws attaching engine air cleaner to bracket.
Disconnect hose and inlet tube from air closure hose/filter pack, where required.
Remove screws attaching air cleaner cover, where required.
Remove air filter and tubes.
Installation
Set air cleaner element (ACL element) (9601) into proper position.
Position air cleaner cover to tray. Make sure air cleaner element is seated while positioning cover.
Install screws to secure cover, where required.
Install bolts to secure engine air cleaner to support bracket.
Install fresh air inlet tube to air closure hose/filter pack, where required.
Install air supply tube to engine air cleaner and retain with clamp(s). Tighten clamp(s).

| Item | Part Number | Description |
|---|---|---|
| 1 | 9B659 | Air Cleaner Outlet Tube |
| 2 | — | Hose Clamp (Part of 9R504) |
| 3 | N611062-S2 | Screw and Washer, M6-3 x 1.81 x 32 |
| 4 | 17C431 | Grommet |
| 5 | 9600 | Engine Air Cleaner |
| 6 | 16005 | Left Fender |
| 7 | N610958-S2 | Screw, M6-3 x 1.81 x 16 |
| 8 | 9626 | Engine Air Cleaner Mounting Bracket |
| 9 | 388577-S150 | Pushpin |
| 10 | 9A624 | Engine Air Cleaner Intake Tube |
| A | — | Tighten to 1.5-2.5 Nm (14-22 Lb-In) |
| B | — | Water Bottle Affixed at This Location |
| C | — | Use Water or Rubber Lubricant D9A2-19583-A or Equivalent to Facilitate Installation of Hose Assembly to Throttle Body |
| D | — | Surface Must Meet Against Throttle Body Stop Flange for 360 Degrees (Both Tubes) |

| Item | Part Number | Description |
|---|---|---|
| 1 | 9B659 | Air Cleaner Outlet Tube |
| 2 | 9B647 | Lower Air Cleaner Outlet Tube |
| 3 | — | Hose Clamp (Part of 9B647) |
| 4 | 9600 | Engine Air Cleaner |
| 5 | N611062-S2 | Screw and Washer Assembly (3 Required) |
| 6 | 16005 | Left Fender |
| 7 | N610958-S2 | Screw (3 Required) |
| 8 | 9626 | Engine Air Cleaner Mounting Bracket |
| 9 | 388577-S150 | Pushpin (2 Required) |
| 10 | 9A624 | Engine Air Cleaner Intake Tube |
| 11 | 9E926 | Throttle Body |
| 12 | — | Hose Clamp (Part of 9R504) |
| A | — | Tighten to 1.5-2.5 Nm (14-22 Lb-In) |
| B | — | Use Water or Rubber Lubricant D9A2-19583-A or Equivalent to Facilitate Installation of Hose Assembly to Throttle Body |
| C | — | Surface Must Meet Against Throttle Body Stop Flange for 360 Degrees (Both Tubes) |
| D | — | Water Bottle Affixed at This Location |

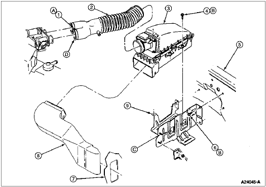
| Item | Part Number | Description |
|---|---|---|
| 1 | — | Hose Clamp (Part of 9R504) |
| 2 | 9B659 | Air Cleaner Outlet Tube |
| 3 | 9600 | Engine Air Cleaner |
| 4 | N611062-S2 | Screw and Washer Tap Assembly (3 Required) |
| 5 | 16005 | Left Fender |
| 6 | N610958-S2 | Screw (3 Required) |
| 7 | 16138 | Radiator Support |
| 8 | 9A624 | Engine Air Cleaner Intake Tube |
| 9 | 9626 | Engine Air Cleaner Mounting Bracket |
| A | — | Hose Assembly Arrows Must Be in Line with Locators on Throttle Body |
| B | — | Tighten to 1-2 Nm (9-18 Lb-In) |
| C | — | Water Bottle Affixed at this Location |
| D | — | Surface Must Meet Against Throttle Body Stop Flange for 360 Degrees (Both Tubes) |

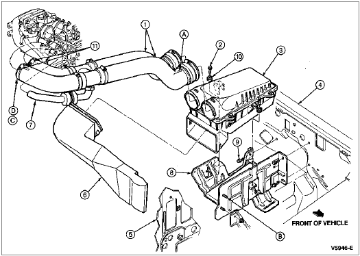
| Item | Part Number | Description |
|---|---|---|
| 1 | 9B659 | Air Cleaner Outlet Tube |
| 2 | N611062-S2 | Capscrew and Washer Assembly (2 Required) |
| 3 | 9600 | Engine Air Cleaner |
| 4 | 16005 | Left Fender |
| 5 | 16138 | Radiator Support |
| 6 | 9A624 | Engine Air Cleaner Intake Tube |
| 7 | 9H308 | Clamp |
| 8 | 9626 | Engine Air Cleaner Mounting Bracket |
| 9 | N610958-S2 | Screw (4 Required) |
| 10 | 17C431 | Grommet (2 Required) |
| 11 | — | Hose Clamp (2 Required) (Part of 9R504) |
| A | — | Hose Assembly Arrows Must Be in Line with Air Cleaner Cover Arrows ± 2 Degrees |
| B | — | Water Bottle Affixed at This Location |
| C | — | Surface Must Meet Against Throttle Body Stop Flange for 360 Degrees (Both Tubes) |
| D | — | Hose Assembly Arrows Must Be in Line with Locators on Throttle Body ± 2 Degrees |

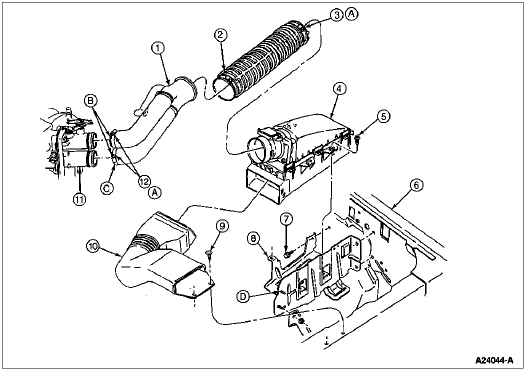
| Item | Part Number | Description |
|---|---|---|
| 1 | 9600 | Engine Air Cleaner |
| 2 | N611062-S2 | Screw |
| 3 | 6853 | Crankcase Ventilation Hose |
| 4 | 9H308 | Idle Air Control Valve Inlet Tube |
| 5 | 9B659 | Air Cleaner Outlet Tube |
| 6 | — | Crankcase Vent (Part of 9H308) |
| 7 | 388497-S100 | Clamp |
| 8 | 9J435 | Secondary Air Injection Silencer Inlet Hose |
| 9 | 9646 | Air Cleaner Bracket Assembly |
| 10 | N610958 | Screw (2 Req'd) |
| 11 | 9A624 | Engine Air Cleaner Intake Tube |
| 12 | 17C431 | Grommet Assembly (2 Required) |
| 13 | — | Clamp (Part of 9S449) |
| 14 | 9B458 | Secondary Air Injection Pump Inlet Hose |
| 15 | 9A486 | Secondary Air Injection Pump |
| 16 | N610958-S2 | Screw |
| 17 | 9H447 | Secondary Air Injection Tube Lower Clamp |
| 18 | N620549-S2 | Bolt |
| 19 | 9H467 | Exhaust Air Supply Pump Hose |
| 20 | 8597 | Water Bypass Valve |
| 21 | N620481-S2 | Nut |
| A | — | Tighten to 7-9 Nm (62-80 Lb-In) |
| B | — | Tighten to 2-3 Nm (18-27 Lb-In) |

| Item | Part Number | Description |
|---|---|---|
| 1 | 9B676 | Engine Air Cleaner Duct Tube Adapter |
| 2 | — | Nut (Part of 9600) |
| 3 | 9N622 | Restriction Gauge |
| 4 | N800576-S2 | Screw |
| 5 | 9A624 | Engine Air Cleaner Intake Tube |
| 6 | N800889-S2 | Nut and Washer |
| 7 | 9600 | Engine Air Cleaner Assembly |
| 8 | — | Engine Air Cleaner Duct Tube Adapter Clamp (Part of 9B676) |
| A | — | Tighten to 7-9 Nm (62-80 Lb-In) |
| B | — | Tighten to 2.1-2.5 Nm (19-22 Lb-In) |
| C | — | Tighten to 5-7 Nm (44-62 Lb-In) |