Section 03-14: Engine Controls, Electronic | 1996 F-150, F-250, F-350, F-Super Duty Series and Bronco Vehicles Workshop Manual |
Gasoline Engines
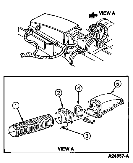
The mass air flow sensor (MAF sensor) (12B579) is located between the engine air cleaner (ACL) (9600) and the throttle body (9E926).
The MAF sensor electronics module element and housing are calibrated as a unit and must be serviced as a complete unit.
Removal
CAUTION: Sensing elements located in the mass airflow sensor should not be probed or cleaned.
Disconnect battery negative cable.
Disconnect air tube at sensor.
Disconnect wiring at sensor.
Remove attaching nuts (4) and sensor.
Remove gasket.
Installation
Follow removal procedures in reverse order.

| Item | Part Number | Description |
|---|---|---|
| 1 | 9B647 | Engine Air Outlet Tube |
| 2 | 12B579 | Mass Airflow Sensor |
| 3 | N805320-S2 | Attaching Nut (4) |
| 4 | 9E931 | Mass Airflow Sensor Mounting Gasket |
| 5 | 9661 | Engine Air Cleaner Cover |