Section 04-01A: Suspension, Front, 4x2 | 1996 F-Series Workshop Manual |
The hydraulic front shock absorbers (18124) are of the direct, double-acting type. They provide a continuous dampening effect both on compression and rebound. Thesefront shock absorbers are of telescopic design with rubber grommets at the mounting points for quiet operation. The front shock absorbers are sealed and nonadjustable, and must be replaced as complete assemblies.
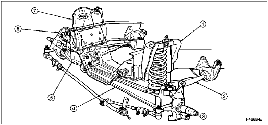
Suspension, F-150, F-250, F-350
| Item | Part Number | Description |
|---|---|---|
| 1 | 5B315 | Upper Spring Seat (LH) |
| 2 | 3405 | Radius |
| 3 | 3106 | Front Wheel Spindle (LH) |
| 4 | 3007 | Front Axle (LH) |
| 5 | 3006 | Front Axle (RH) |
| 6 | 3105 | Front Wheel Spindle (RH) |
| 7 | 5B318 | Upper Spring Seat (RH) |

| Item | Part Number | Description |
|---|---|---|
| 1 | 3B239 | Front Track Bar Assembly |
| 2 | 18124 | Front Shock Absorber |
| 3 | 5340 | Front Spring Mounting Bracket |
| 4 | 5K483 | Front Stabilizer Bar Link |
| 5 | 5310 | Leaf Spring |
| 6 | 3010 | Front Solid I-Beam Axle |
| 7 | 5K316 | Front Spring Shackle |
| 8 | 3B008 | Drag Link Assembly |

| Item | Part Number | Description |
|---|---|---|
| 1 | 5K316 | Shackle Assembly Front |
| 2 | 5310 | Spring Assembly, Front |
| 3 | 3010 | Axle Assembly, Front |
| 4 | 5340 | Front Spring Mounting Bracket |
| 5 | 18124 | Front Shock Absorber |
| 6 | 5486 | Stabilizer Bar Bracket |