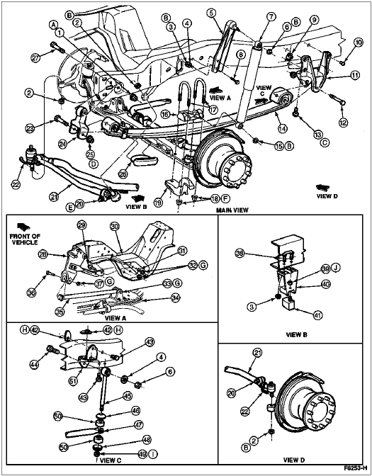
Section 04-01A: Suspension, Front, 4x2 | 1996 F-Series Workshop Manual |
Removal
Raise vehicle frame (5005) until the weight is off the front springs with wheels still touching floor.
Support front axle with jacks to remove weight from the spring U-bolts.
Remove front shock absorber-to-spring spacer nut and washer. Disconnect the front shock absorber (18124) from the spring spacer.
Remove spring-to-front spring shackle nut and bolt.
Remove spring-to-front spring bracket nut and bolt.
Remove the four U-bolt nuts. Remove the jack bracket or stabilizer bar bracket (5486). Remove the U-bolts.
Remove the spring from the vehicle.
Installation
Position the spring at the spring seat on the front axle assembly (3001) and align the spring eye with mating hole in front spring shackle.
Prior to installation, coat the bushing with Premium Long-Life Grease XG-1-C or -K or equivalent meeting Ford specification ESA-M1C75-B.
Gently guide the bolt through the shackle and spring eye.
Install the retaining nut. On F-Super Duty Chassis Cab vehicles, tighten to 149-201 Nm (110-148 lb-ft). On F-Super Duty Motorhome vehicles, tighten the nut to 100-150 Nm (74-111 lb-ft).
Align the spring eye with mating hole in spring bracket.
Coat the bushing with Premium Long-Life Grease XG-1-C or -K or equivalent meeting Ford specification ESA-M1C75-B.
Gently guide the bolt through the bracket and spring eye. Install the retaining nut. Tighten nut to 225-285 Nm (166-210 lb-ft).
Position the spring spacer on the locating boss in the spring (Chassis Cab only).
Install the U-bolts.
Install the jack bracket or stabilizer bar bracket on the forward U-bolt.
Install the four U-bolt nuts. Tighten to 225-285 Nm (166-210 lb-ft) for F-Super Duty Chassis Cab vehicles, and to 300-407 Nm (221-300 lb-ft) for F-Super Duty Motorhome Chassis vehicles.
Install shock to spring spacer nut and washer. Install front shock absorber to the spring spacer. Tighten to 54-72 Nm (40-53 lb-ft) on F-Super Duty Chassis Cab and to 300-407 Nm (221-300 lb-ft) on F-Super Duty Motorhome Chassis vehicles.
Remove the jacks from under the front axle assembly.
Lower the vehicle.

| Item | Part Number | Description |
|---|---|---|
| 1 | N620485 | Nut |
| 2 | N800895 | Nut |
| 3 | N620483 | Nut |
| 4 | N801527 | Washer |
| 5 | 18183 | Front Shock Absorber Mounting Bracket |
| 6 | N806055 | Nut and Washer |
| 7 | 18124 | Front Shock Absorber |
| 8 | N802115 | Bolt |
| 9 | N805007 | Retainer and Nut |
| 10 | N647101 | Rivet |
| 11 | 5340 | Front Spring Mounting Bracket |
| 12 | 807660 | Bolt |
| 13 | N802115 | Bolt |
| 14 | 5310 | Spring |
| 15 | N806085 | Nut |
| 16 | 5458 | Spring Spacer |
| 17 | N807282 | U-Bolt |
| 18 | N620485 | Nut |
| 19 | 17A028 | Jack Bracket |
| 20 | 3287 | Nut |
| 21 | 3B008 | Rod and Link Assembly |
| 22 | N642569 | Cotter Pin |
| 23 | 800991 | Bolt |
| 24 | 5K316 | Spring Shackle |
| 25 | N620484 | Nut |
| 26 | 5L302 | Insulator |
| 27 | N601522 | Bolt |
| 28 | 3B241 | Track Bar Bracket |
| 29 | N806158-S100 | Bolt |
| 30 | 6061 | Front Engine Support Bracket (7.5L Engine Only) |
| 31 | 630090-S2 | Washer |
| 32 | N801670-S151 | Nut |
| 33 | N620604-S100 | Nut |
| 34 | 3001 | Front Axle Assembly |
| 35 | 3B239 | Track Bar |
| 36 | N803960-S2 | Bolt |
| 37 | N620604-S100 | Nut |
| 38 | N805008 | U-Bolt |
| 39 | N620468 | Nut |
| 40 | 3B251 | Bumper Mounting Bracket |
| 41 | 4002 | Bumper Assembly |
| 42 | N802158 | Nut |
| 43 | N605546 | Bolt |
| 44 | N605704 | Bolt |
| 45 | 5K483 | Front Stabilizer Bar Link |
| 46 | 18171 | Upper Washer |
| 47 | 5K483 | Front Stabilizer Bar Link |
| 48 | 18041 | Lower Washer |
| 49 | 384485 | Nut |
| 50 | 5493 | Lower Suspension Arm Stabilizer Bar Insulator |
| 51 | 5C495 | Front Stabilizer Link Mounting |
| A | — | Tighten to 170-230 Nm (125-170 Lb-Ft) |
| B | — | Tighten to 77-103 Nm (57-75 Lb-Ft) |
| C | — | Tighten to 113-153 Nm (84-112 Lb-Ft) |
| D | — | Tighten to 149-201 Nm (110-148 Lb-Ft) |
| E | — | Tighten to 81-122 Nm (60-90 Lb-Ft) |
| F | — | Tighten to 213-287 Nm (157-211 Lb-Ft) |
| G | — | Tighten to 149-201 Nm (110-148 Lb-Ft) |
| H | — | Tighten to 47-63 Nm (35-46 Lb-Ft) |
| I | — | Tighten to 24-31 Nm (18-24 Lb-Ft) |
| J | — | Tighten to 30-40 Nm (22-30 Lb-Ft) |

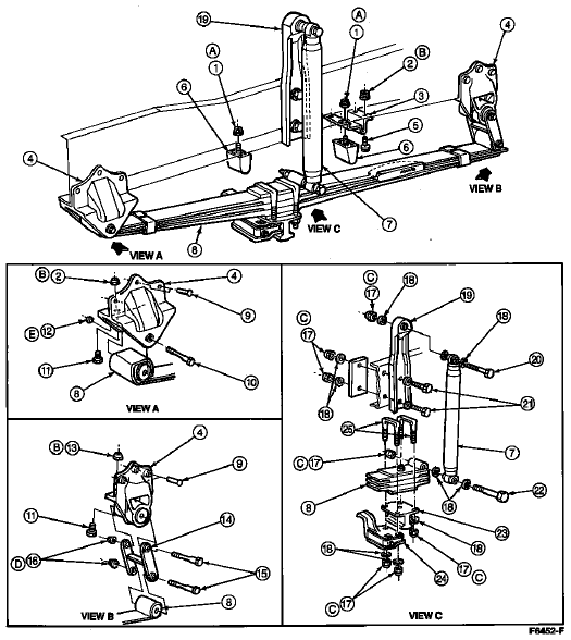
| Item | Part Number | Description |
|---|---|---|
| 1 | 3B008 | Steering Linkage, Rod and Link Assembly |
| 2 | N806888-S56 | Nut and Washer Assembly |
| 3 | 3001 | Front Axle Assembly |
| 4 | N806889 | Steering Damper Insulator |
| 5 | 3E561 | Steering Damper Assembly |
| A | — | Tighten to 34-46 Nm (25-33 Lb-Ft) |

| Item | Part Number | Description |
|---|---|---|
| 1 | N620468-S2 | Nut |
| 2 | N620483-S2 | Nut |
| 3 | 3A010 | Bracket |
| 4 | 5340 | Front Spring Mounting Bracket |
| 5 | 605817 | Bolt |
| 6 | 3020 | Front Axle Bumper |
| 7 | 18124 | Front Shock Absorber |
| 8 | 5310 | Front Spring |
| 9 | N806041-S | Rivet |
| 10 | 805284 | Bolt |
| 11 | 802115 | Bolt |
| 12 | N620485-S2 | Nut |
| 13 | N620483-S2 | Nut |
| 14 | 5B311 | Shackle |
| 15 | 805399 | Bolt |
| 16 | N620484-S56 | Nut |
| 17 | 384032-S2 | Nut |
| 18 | 44882 | Washer |
| 19 | 18183 | Front Shock Absorber Mounting Bracket |
| 20 | 58749 | Bolt |
| 21 | 58742 | Bolt |
| 22 | 58756 | Bolt |
| 23 | 3001 | Front Axle Assembly |
| 24 | 5486 | Stabilizer Bar Bracket |
| 25 | 5455 | U-Bolt |
| A | — | Tighten to 40-64 Nm (30-47 Lb-Ft) |
| B | — | Tighten to 77-110 Nm (57-81 Lb-Ft) |
| C | — | Tighten to 300-407 Nm (220-300 Lb-Ft) |
| D | — | Tighten to 68-92 Nm (50-68 Lb-Ft) |
| E | — | Tighten to 200-280 Nm (148-207 Lb-Ft) |

| Item | Part Number | Description |
|---|---|---|
| 1 | N601423 | Bolt, M12-1.75 x 75 |
| 2 | N606586 | Bolt, M12-1.75 x 75 |
| 3 | 3E651 | Steering Shock Absorber |
| 4 | 3E653 | Steering Shock Absorber Bracket (LH) |
| 5 | N630088 | Washer |
| 6 | N620468 | Nut, M10 x 1.5 |
| 7 | 33846 | Nut |
| 8 | 34809 | Spring Lockwasher |
| 9 | N620483 | Nut, M12 x 1.75 |
| 10 | 3E652 | Steering Shock Absorber Bracket (RH) |
| A | — | Tighten to 25-34 Nm (18-25 Lb-Ft) |
| B | — | Tighten to 65-90 Nm (48-66 Lb-Ft) |
| C | — | Tighten to 25-34 Nm (18-25 Lb-Ft) |
| D | — | 158.0mm (6 Inches) |