Section 04-01A: Suspension, Front, 4x2 | 1996 F-Series Workshop Manual |
Removal
CAUTION: The axle must be supported on the jack throughout spring removal and installation, and must not hang by the front brake hose (2078). If the length of the front brake hose is not sufficient to provide adequate clearance for removal and installation of the front coil spring (5310), the disc brake caliper (2B120) must be removed from the front wheel spindle (3105) according to the procedures specified in Section 06-03. After removal, the disc brake caliper must be placed on the frame (5005) or otherwise supported to prevent suspending the disc brake caliper from the front brake hose. These precautions are absolutely necessary to prevent serious damage to the tube portion of the caliper hose assembly.
Raise the front of the vehicle, and place safety stands under the frame. Place a jack under the axle.
Remove front tires.
Disconnect front stabilizer bar (5482) at the front stabilizer bar link (5K483), if so equipped.

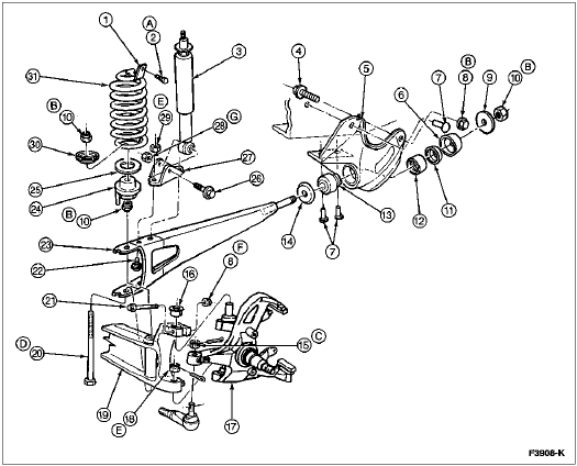
| Item | Part Number | Description |
|---|---|---|
| 1 | 5A333 | Retainer |
| 2 | 40949 | Bolt |
| 3 | 18124 | Front Shock Absorber |
| 4 | N802210 | Bolt |
| 5 | 3B095 | Radius Arm Bracket |
| 6 | 3B463 | Heat Shield (RH) |
| 7 | 647096 | Rivet |
| 8 | 800937 | Nut |
| 9 | 379572 | Washer |
| 10 | 34992 | Nut |
| 11 | 3A184 | Outer Insulator |
| 12 | 3B244 | Spacer |
| 13 | 3B203 | Inner Insulator |
| 14 | 3B186 | Retainer |
| 15 | N800895 | Nut |
| 16 | 3B404 | Adjuster, Caster/Camber |
| 17 | 3105 | Front Wheel Spindle |
| 18 | 383489 | Nut |
| 19 | 3007 | Front Axle (LH) |
| 20 | 388727 | Bolt |
| 21 | N606085-S2 | Clamp Bolt |
| 22 | 605290 | Bolt |
| 23 | 3A292 | Radius Arm |
| 24 | 5A316 | Lower Spring Seat |
| 25 | 5414 | Front Spring Insulator |
| 26 | N805033 | Bolt |
| 27 | 18126 | Lower Shock Bracket |
| 28 | 806496 | Nut |
| 29 | 620482 | Nut |
| 30 | 5A349 | Retainer |
| 31 | 5310 | Front Coil Spring |
| A | — | Tighten to 17-23 Nm (13-17 Lb-Ft) |
| B | — | Tighten to 113-153 Nm (83-112 Lb-Ft) |
| C | — | Tighten to 77-103 Nm (56-76 Lb-Ft) |
| D | — | Tighten to 340-460 Nm (250-339 Lb-Ft) |
| E | — | Tighten to 34-46 Nm (25-33 Lb-Ft) |
| F | — | Tighten to 68-92 Nm (50-68 Lb-Ft) |
| G | — | Tighten to 60-80 Nm (44-59 Lb-Ft) |
Disconnect the lower end of the front shock absorber (18124) from the front shock lower bracket bolt and nut or stud.
Remove the front coil spring. Refer to Spring, Coil, in the Removal and Installation portion of this section.
Remove the front spring insulator (5414) and seat from the radius arm.
Remove radius arm-to-axle bolt and nut.
Remove the nut, rear washer, insulator and spacer from the rear side of the radius arm rear bracket.
Remove the radius arm from the vehicle.
Inspect inner insulator for heat deterioration. Replace with new insulator, if necessary.
Installation
Position the front end of the radius arm to the axle. Install the attaching bolt from underneath through the radius arm and axle, and then install the nut finger-tight.
Install the retainer and inner insulator on the radius arm stud. Insert the stud through the rear bracket.
Install the spacer, insulator, rear washer and nut on the arm stud at the rear side of the arm bracket. Tighten the nut to 113-153 Nm (83-112 lb-ft).
Install the retainer, inner insulator and spacer on the radius arm stud. Insert the stud through the radius arm rear bracket. Install the other insulator, washer and nut on the radius arm stud.
Tighten the radius arm-to-axle bolt nut to 340-460 Nm (250-339 lb-ft).
Install the spring lower seat and front spring insulator on the radius arm so hole in the seat goes over the arm-to-axle bolt.
Install the front coil spring. Refer to Spring, Coil, Removal and Installation in this section.
Connect the lower end of the front shock absorber to the lower bracket on the radius arm with the attaching bolt and nut. The bolt head must be installed toward tire. Tighten the nut to 60-80 Nm (44-59 lb-ft).
Reinstall front stabilizer bar to front stabilizer bar link. Tighten nut to 77-103 Nm (57-75 lb-ft).
Install disc brake caliper if removed. Refer to Section 06-03.
Install front tires. Refer to Section 04-04.
Lower the vehicle.