Section 04-01B: Suspension, Front, 4-Wheel Drive | 1996 F-150, F-250, F-350 4x4 and Bronco Workshop Manual |
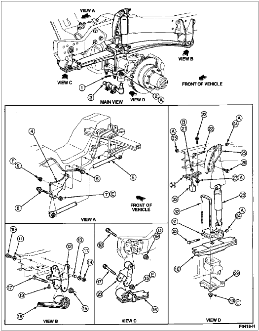
The F-350 4x4 has a Dana Model 60 Monobeam one-piece driving axle attached to the frame (5005) with two semi-elliptical, leaf-type springs.

| Item | Part Number | Description |
|---|---|---|
| 1 | 642569 | Cotter Pin |
| 2 | 800895 | Nut |
| 3 | 3A131 | Tie Rod End |
| 4 | 3A094 | Tracking Bar Mounting Bracket |
| 5 | 3239 | Tracking Bar Assembly |
| 6 | 601415 | Bolt |
| 7 | 620604 | Nut |
| 8 | 803960 | Bolt |
| 9 | 802073 | Nut |
| 10 | 58634 | Bolt |
| 11 | 44877 | Washer |
| 12 | 5340 | Front Spring Mounting Bracket |
| 13 | 647097 | Rivet |
| 14 | 34987 | Nut |
| 15 | 620484 | Nut |
| 16 | 5310 | Front Leaf Spring |
| 17 | 800991 | Bolt |
| 18 | 601521 | Bolt |
| 19 | 620485 | Nut |
| 20 | 5K316 | Shackle Assembly |
| 21 | 620482 | Nut |
| 22 | 605933 | Bolt |
| 23 | 800021 | Bolt |
| 24 | 620469 | Nut |
| 25 | 18183 | Front Shock Absorber Mounting Bracket |
| 26 | 605815 | Bolt |
| 27 | 620468 | Nut |
| 28 | 18124 | Front Shock Absorber |
| 29 | 5A316 | Spring Cap |
| 30 | 801342 | Nut |
| 31 | 5458 | Spacer Plate |
| 32 | 801485 | U-Bolt |
| 33 | 4002 | Front Jounce Bumper |
| 34 | 3B251 | Mounting Bracket |
| 35 | 620483 | Nut |
| A | — | Tighten to 68-92 Nm (51-67 Lb-Ft) |
| B | — | Tighten to 30-40 Nm (23-29 Lb-Ft) |
| C | — | Tighten to 115-163 Nm (85-120 Lb-Ft) |
| D | — | Tighten to 170-230 Nm (126-169 Lb-Ft) |
| E | — | Tighten to 163-203 Nm (121-149 Lb-Ft) |
| F | — | Tighten to 88-118 Nm (65-87 Lb-Ft) |