Section 04-02: Suspension, Rear | 1996 F-Series and Bronco Workshop Manual |
Removal
Raise the vehicle frame (5005) until the weight is off the rear springs (5560), with the tires still touching the floor.
Remove the nuts from the spring U-bolts and drive the U-bolts from the U-bolt rear spring cap and plate (5796).
If equipped, remove the auxiliary spring and spacer.
Remove the spring-to-bracket nut and bolt at the front of the rear spring.
Remove the shackle lower nuts and bolts at the rear of the rear spring.
Remove the rear spring and rear spring shackle (5776) from the rear spring shackle bracket (5775).
Remove the bolt and nut that secures the rear spring shackle to the rear spring.
Installation
Follow removal procedures in reverse order.
Tighten the spring U-bolt nuts to specifications as listed at the end of this section. Tighten the front spring bolt and nut and the rear shackle bolts and nuts to specifications listed at the end of this section.

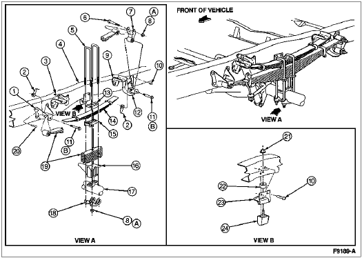
| Item | Part Number | Description |
|---|---|---|
| 1 | N802114-S2 | Bolt |
| 2 | N620483-S56 | Nut |
| 3 | 5775 | Rear Spring Shackle Bracket |
| 4 | 65092 | Rivet |
| 5 | N806085-S8 | Nut and Washer Assembly |
| 6 | 18192 | Rear Shock Absorber Bracket |
| 7 | 18080 | Shock Absorber |
| 8 | 5005 | Frame |
| 9 | N804028-S2 | Bolt |
| 10 | N620484-S56 | Nut |
| 11 | 5776 | Rear Spring Shackle |
| 12 | N804028-S2 | Bolt |
| 13 | 5775 | Rear Spring Shackle Bracket |
| 14 | N806368-S56 | Nut and Retainer |
| 15 | N647096-S | Rivet |
| 16 | N620484-S56 | Nut |
| 17 | 5560 | Rear Spring |
| 18 | 5796 | Rear Spring Cap and Plate |
| 19 | 5729 | Spacer, Rear Spring (F-150 4x4 Only) |
| 20 | 5729 | Spacer, Rear Spring (Bronco Only) |
| 21 | 4001 | Rear Axle |
| 22 | N800751-S101 | Bolt |
| 23 | N605705-S2 | Bolt |
| 24 | N806496-S100 | Nut and Washer |
| 25 | N804028-S2 | Bolt |
| 26 | N806368-S56 | Nut and Retainer |
| A | — | Tighten to 53-73 Nm (39-53 Lb-Ft) |
| B | — | Tighten to 113-153 Nm (83-113 Lb-Ft) |

| Item | Part Number | Description |
|---|---|---|
| 1 | 5700 | Auxiliary Spring Bracket |
| 2 | N620485-S56 | Nut |
| 3 | 5796 | Rear Spring Cap and Plate |
| 4 | 5588 | Auxiliary Spring |
| 5 | 5560 | Rear Spring |
| 6 | 5A799 | Spacer, Rear Spring |
| 7 | N804419-S101 | Bolt |
| 8 | 5594 | Spacer, Auxiliary Spring |
| 9 | N647098-S | Rivet |
| 10 | 5A636 | Bumper |
| 11 | N620482-S56 | Nut |
| 12 | N647096-S | Rivet |
| 13 | 4730 | Rear Axle Bumper |
| 14 | 4731 | Rear Axle Bumper Bracket |
| 15 | N800878-S | Spacer |
| A | — | Tighten to 191-259 Nm (141-191 Lb-Ft) |
| B | — | Tighten to 21-29 Nm (15-21 Lb-Ft) |

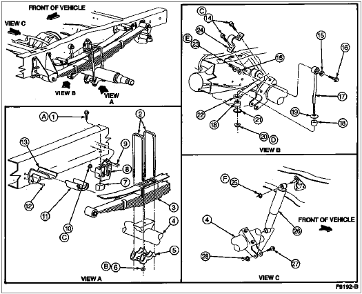
| Item | Part Number | Description |
|---|---|---|
| 1 | N806085 | Nut and Washer Assembly |
| 2 | 18192 | Rear Shock Absorber Bracket |
| 3 | 5005 | Frame |
| 4 | N803805 | Bolt |
| 5 | N620484 | Nut |
| 6 | 5776 | Rear Spring Shackle |
| 7 | 5775 | Rear Spring Shackle Bracket |
| 8 | N620484 | Nut |
| 9 | N647096 | Rivet |
| 10 | N620485 | Nut |
| 11 | 5796 | Rear Spring Cap and Plate |
| 12 | 5560 | Rear Spring |
| 13 | 4001 | Rear Axle |
| 14 | N605705 | Bolt |
| 15 | N804419 | Bolt |
| 16 | N806496 | Nut and Washer Assembly |
| 17 | N601526 | Bolt |
| 18 | 5775 | Rear Spring Shackle Bracket |
| 19 | 18080 | Shock Absorber |
| A | — | Tighten to 53-72 Nm (39-53 Lb-Ft) |
| B | — | Tighten to 113-153 Nm (83-113 Lb-Ft) |
| C | — | Tighten to 191-259 Nm (141-191 Lb-Ft) |

| Item | Part Number | Description |
|---|---|---|
| 1 | 5775 | Rear Spring Shackle Bracket |
| 2 | N620485-S56 | Nut and Retainer |
| 3 | 18192 | Rear Shock Absorber Bracket |
| 4 | 5005 | Frame |
| 5 | N804662-S101 | U-Bolt |
| 6 | N800950-S2 | Bolt |
| 7 | 5776 | Rear Spring Shackle |
| 8 | N620485-S56 | Nut |
| 9 | 5700 | Auxiliary Spring Bracket |
| 10 | N647096-S | Rivet |
| 11 | N800950-S | Bolt |
| 12 | 5775 | Rear Spring Shackle Bracket |
| 13 | 5796 | Rear Spring Cap and Plate |
| 14 | 5588 | Auxiliary Spring |
| 15 | 5594 | Spacer, Auxiliary Spring |
| 16 | 5598 | Spacer, Rear Spring |
| 17 | 4001 | Rear Axle |
| 18 | 5796 | Rear Spring Cap and Plate |
| 19 | 5560 | Rear Spring |
| 20 | 85095-S | Rivet |
| 21 | N620482-S56 | Nut |
| 22 | N802860-S | Spacer |
| 23 | 4731 | Rear Axle Bumper Bracket |
| 24 | 4730 | Rear Axle Bumper |
| A | — | Tighten to 213-288 Nm (157-212 Lb-Ft) |
| B | — | Tighten to 191-259 Nm (141-191 Lb-Ft) |

| Item | Part Number | Description |
|---|---|---|
| 1 | 5486 | Stabilizer Bar Bracket |
| 2 | N620482-S56 | Nut |
| 3 | N806085-S8 | Nut and Washer Assembly |
| 4 | 18080 | Shock Absorber |
| 5 | N605705-S2 | Bolt |
| 6 | N806496-S100 | Nut and Washer Assembly |
| 7 | N803771-S56 | Bolt |
| 8 | 5486 | Stabilizer Bar Bracket |
| 9 | 5A772 | Rear Stabilizer Bar |
| 10 | N620468-S2 | Nut |
| 11 | 5L499 | Bracket, Link Assembly |
| 12 | N647097-S | Rivet |
| 13 | N605920-S2 | Bolt |
| 14 | N605704-S2 | Bolt |
| 15 | 5K484 | Stabilizer Bar Link |
| 16 | 18041 | Washer |
| 17 | 384485-S56 | Nut |
| 18 | 5493 | Lower Suspension Arm Stabilizer Bar Insulator |
| 19 | 18171 | Washer |
| 20 | N620469-S2 | Nut |
| 21 | N801527-S2 | Washer |
| A | — | Tighten to 40-54 Nm (30-40 Lb-Ft) |
| B | — | Tighten to 53-73 Nm (39-54 Lb-Ft) |
| C | — | Tighten to 23-31 Nm (17-23 Lb-Ft) |
| D | — | Tighten to 55-85 Nm (40-62 Lb-Ft) |

| Item | Part Number | Description |
|---|---|---|
| 1 | N805135-S56 | Nut and Retainer |
| 2 | 5775 | Rear Spring Shackle Bracket |
| 3 | N802115-S2 | Bolt |
| 4 | N805444-S100 | Bolt |
| 5 | 5A975 | Spring Assembly, Rear Axle |
| 6 | N805161-S56 | Nut and Retainer |
| 7 | N805007-S100 | Nut and Retainer |
| 8 | N805136-S56 | Nut and Retainer |
| 9 | N805041-S2 | Bolt |
| 10 | N620485-S56 | Nut |
| 11 | 5776 | Rear Spring Shackle |
| 12 | N802115-S2 | Bolt |
| 13 | N805041-S2 | Bolt |
| 14 | 5775 | Rear Spring Shackle Bracket |
| A | — | Tighten to 78-103 Nm (57-76 Lb-Ft) |
| B | — | Tighten to 340-460 Nm (250-339 Lb-Ft) |
| C | — | Tighten to 213-287 Nm (157-211 Lb-Ft) |

| Item | Part Number | Description |
|---|---|---|
| 1 | N605918-S2 | Bolt |
| 2 | N805056-S56 | Bolt |
| 3 | 5A975 | Spring Assembly, Rear Axle |
| 4 | 4001 | Rear Axle |
| 5 | 5796 | Rear Spring Cap and Plate |
| 6 | N620484 | Nut |
| 7 | 4730 | Rear Axle Bumper |
| 8 | 4731 | Rear Axle Bumper Bracket |
| 9 | N647100-S | Rivet |
| 10 | N602482-S56 | Nut |
| 11 | 5A978 | Liner, Rear Spring Bracket |
| 12 | N647100-S | Rivet |
| 13 | 5700 | Auxiliary Spring Bracket |
| 14 | N605546-S2 | Bolt |
| 15 | N801527-S2 | Washer |
| 16 | N605704-S2 | Bolt |
| 17 | 5K484 | Stabilizer Bar Link |
| 18 | 5493 | Lower Suspension Arm Stabilizer Bar Insulator |
| 19 | 18171 | Washer |
| 20 | 384485-S56 | Nut |
| 21 | 18041 | Washer |
| 22 | 5A772 | Rear Stabilizer Bar |
| 23 | N620469-S2 | Nut |
| 24 | 5486 | Stabilizer Bar Bracket |
| 25 | N806085-S8 | Nut and Washer Assembly |
| 26 | 18080 | Shock Absorber |
| 27 | N605705-S2 | Bolt |
| 28 | N806496-S100 | Nut and Washer Assembly |
| A | — | Tighten to 30-40 Nm (22-29 Lb-Ft) |
| B | — | Tighten to 255-345 Nm (188-254 Lb-Ft) |
| C | — | Tighten to 34-46 Nm (25-34 Lb-Ft) |
| D | — | Tighten to 23-31 Nm (17-23 Lb-Ft) |
| E | — | Tighten to 55-85 Nm (40-62 Lb-Ft) |
| F | — | Tighten to 53-73 Nm (39-53 Lb-Ft) |

| Item | Part Number | Description |
|---|---|---|
| 1 | N620482-S56 | Nut |
| 2 | 4002 | Bumper |
| 3 | N805135-S56 | Nut and Retainer |
| 4 | 5785 | Front Hanger Bracket |
| 5 | N802115-S2 | Bolt |
| 6 | N805444-S100 | Bolt |
| 7 | 5A975 | Spring Assembly |
| 8 | N805161-S56 | Nut and Retainer |
| 9 | N805007-S100 | Nut and Retainer |
| 10 | N805041-S2 | Bolt |
| 11 | N620485-S56 | Nut |
| 12 | 5776 | Bracket |
| 13 | 5775 | Bracket |
| A | — | Tighten to 34-46 Nm (25-30 Lb-Ft) |
| B | — | Tighten to 78-103 Nm (57-75 Lb-Ft) |
| C | — | Tighten to 340-460 Nm (250-339 Lb-Ft) |
| D | — | Tighten to 213-287 Nm (157-211 Lb-Ft) |