Section 04-02: Suspension, Rear | 1996 F-Series and Bronco Workshop Manual |
Removal
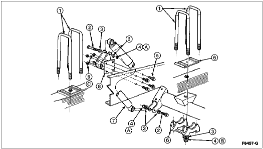
CAUTION: The low pressure gas shock absorbers are charged with nitrogen gas to 931 kPa (135 psi). Do not attempt to open, puncture or apply heat to shock absorbers.
Raise vehicle on a hoist and support rear axle (4001) with Rotunda Hi-Lift Jack 164-R3508 or 164-R3513 or equivalent.
Remove shock absorber lower nut, bolt, and washers.
Swing lower end of rear shock absorber (18125) out of axle bracket.
Remove nut, bolt, and washer securing top end of rear shock absorber and remove.
Installation
Follow removal procedures in reverse order.
Tighten fasteners to 300-405 Nm (222-298 lb-ft).

| Item | Part Number | Description |
|---|---|---|
| 1 | 5705 | U-Bolts |
| 2 | 58749 | Bolt |
| 3 | 44882 | Washer |
| 4 | 34992 | Nut |
| 5 | 605843 | Bolt |
| 6 | 5796 | Rear Spring Cap and Plate |
| 7 | 18125 | Shock Absorber |
| 8 | 18192 | Rear Shock Absorber Bracket |
| 9 | N620485 | Nut |
| A | — | Tighten to 53-73 Nm (39-53 Lb-Ft) |
| B | — | Tighten to 255-345 Nm (189-254 Lb-Ft) |
| C | — | Tighten to 155-230 Nm (114-170 Lb-Ft) |