Section 04-02: Suspension, Rear | 1996 F-Series and Bronco Workshop Manual |
Removal
Remove nut from lower end of stabilizer bar link (5K484).
Remove outer washer and insulator. Disconnect rear stabilizer bar (5A772) from stabilizer bar link.
Remove inner insulators and washers. Disconnect stabilizer bar link from frame (5005) by removing nuts and bolts.
Remove nuts or bolts which fasten U-bolts and rear spring caps and plates (5796) to rear axle (4001).
Installation
Follow removal procedures in reverse order.
Tighten fasteners to specifications.

| Item | Part Number | Description |
|---|---|---|
| 1 | 5A772 | Rear Stabilizer Bar |
| 2 | N620468-S2 | Nut |
| 3 | 5L499 | Bracket |
| 4 | N647097-S | Rivet |
| 5 | N605920-S2 | Bolt |
| 6 | N605704-S2 | Bolt |
| 7 | 5K484 | Stabilizer Bar Link |
| 8 | 18041 | Washer |
| 9 | 384485-S56 | Nut |
| 10 | 5493 | Lower Suspension Arm Stabilizer Bar Insulator |
| 11 | 18171 | Washer |
| 12 | N620469-S2 | Bolt |
| 13 | N801527-S2 | Washer |
| 14 | N803771-S56 | U-Bolt |
| 15 | 5486 | Stabilizer Bar Bracket |
| 16 | N620482-S56 | Nut |
| 17 | 5486 | Stabilizer Bar Bracket |
| A | — | Tighten to 24-31 Nm (18-23 Lb-Ft) |
| B | — | Tighten to 55-85 Nm (41-62 Lb-Ft) |
| C | — | Tighten to 41-54 Nm (30-40 Lb-Ft) |

| Item | Part Number | Description |
|---|---|---|
| 1 | 5A772 | Rear Stabilizer Bar |
| 2 | N620482-S56 | Nut |
| 3 | 5486 | Stabilizer Bar Bracket |
| 4 | N803771-S56 | U-Bolt |
| 5 | 5486 | Stabilizer Bar Bracket |
| 6 | 5486 | Stabilizer Bar Bracket |
| 7 | N803758-S56 | Bolt |
| 8 | N620469-S2 | Nut |
| 9 | N801527-S2 | Washer |
| 10 | N605704-S2 | Bolt |
| 11 | 18041 | Washer |
| 12 | N384485-S56 | Nut |
| 13 | 5493 | Lower Suspension Arm Stabilizer Bar Insulator |
| 14 | 18171 | Washer |
| 15 | 5K484 | Stabilizer Bar Link |
| 16 | N620468-S2 | Nut |
| 17 | 5L499 | Bracket, Link Assembly |
| 18 | N647097-S | Rivet |
| 19 | N605920-S2 | Bolt |
| A | — | Tighten to 41-54 Nm (30-40 Lb-Ft) |
| B | — | Tighten to 55-85 Nm (41-62 Lb-Ft) |
| C | — | Tighten to 24-31 Nm (18-23 Lb-Ft) |

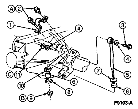
| Item | Part Number | Description |
|---|---|---|
| 1 | 5486 | Stabilizer Bar Bracket |
| 2 | N605546-S2 | Bolt |
| 3 | N605704-S2 | Bolt |
| 4 | N801527-S2 | Washer |
| 5 | 5K484 | Stabilizer Bar Link |
| 6 | 5493 | Lower Suspension Arm Stabilizer Bar Insulator |
| 7 | 18171 | Washer |
| 8 | 18041 | Washer |
| 9 | 384485-S56 | Nut |
| 10 | 5A772 | Rear Stabilizer Bar |
| 11 | N620469-S2 | Nut |
| A | — | Tighten to 34-46 Nm (24-34 Lb-Ft) |
| B | — | Tighten to 24-31 Nm (18-23 Lb-Ft) |
| C | — | Tighten to 55-85 Nm (41-62 Lb-Ft) |

| Item | Part Number | Description |
|---|---|---|
| 1 | 5K484 | Stabilizer Bar Link |
| 2 | 5A772 | Rear Stabilizer Bar |
| 3 | 80344 | Washer |
| 4 | 605704 | Bolt |
| 5 | 5493 | Lower Suspension Arm Stabilizer Bar Insulator |
| 6 | 18041 | Washer |
| 7 | 18171 | Washer |
| 8 | 803447 | Washer |
| 9 | 5486 | Stabilizer Bar Bracket |