Section 05-00: Axle and Driveshaft, Service | 1996 F-150, F-250, F-350 4x2 and 4x4, F-Super Duty and Bronco Workshop Manual |
The driveshaft (4602) or coupling shaft is composed of the universal joints, connecting shafts, attaching flanges, and slip-yokes. The number of shafts and universal joints used depends on the vehicle application.
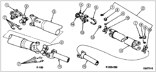
Driveshaft Assemblies
| Item | Part Number | Description |
|---|---|---|
| 1 | 4866 | Driveshaft Centering Socket Yoke |
| 2 | 4635 | Universal Joint |
| 3 | 4602 | Driveshaft |
| 4 | 382836-S100 | Nut |
| 5 | 34806-S2 | Lockwasher |
| 6 | 386867-S | U-Bolts |
| 7 | — | Snap Rings (Part of 4635) |
| 8 | — | Bearing (Part of 4635) |
| 9 | — | Seal (Part of 4635) |
| 10 | — | Spider (Part of 4635) |
| 11 | 4841 | Driveshaft Slip Yoke |
| 12 | 375646-S2 | Nut |
| 13 | 4851 | Rear Axle Companion Flange |
| 14 | 4859 | Drive Pinion Oil Seal Deflector |

| Item | Part Number | Description |
|---|---|---|
| 1 | 4841 | Driveshaft Slip Yoke, Non-Counterbore |
| 2 | — | Counterbore/Pilot (Part of 4841) |
| 3 | 4841 | Driveshaft Slip Yoke, Counterbore/Pilot |
| 4 | 4841 | Driveshaft Slip Yoke, Low Inertia |
| 5 | — | Damper (Part of 4841) |
| 6 | 4841 | Driveshaft Slip Yoke, High Inertia |
| 7 | — | Damper (Part of 4841) |
Some vehicles use a one-piece steel or aluminum slip-yoke type driveshaft. A universal joint and splined driveshaft slip yoke (4841) are located at the transmission end of the shaft, where they are held in alignment by a bushing in the extension housing (7A039). The splined driveshaft slip yoke and transmission output shaft allow fore and aft movement of the driveshaft as the rear axle (4001) moves up and down with the rear suspension. This provides smooth performance during vehicle operation. An oil seal at the transmission (7003) prevents leakage and protects the driveshaft slip yoke from dust, dirt and other harmful material. A rear universal joint attached by either two U-bolts or two straps and four nuts is used where the driveshaft mates with the rear axle universal joint flange (4851) at the rear axle, or a driveshaft rear flange on vehicles equipped with circular rear axle companion flange.
Others use a coupling shaft in conjunction with a driveshaft. Care must be taken to align the driveshafts as shown in the illustrations. The two-piece driveline system incorporates a "necked down" coupling shaft stub with a blind spline feature, which assures positive phasing action (except F-Super Duty Chassis).
All two-piece driveline vehicles are equipped with driveshaft center bearing supports (4800) that are prelubricated and sealed for the bearing life.
All universal joints are of the lubed-for-life needle-bearing type except F-Super Duty Stripped Chassis which have lubrication fittings. Replacement universal joints equipped with grease fittings should be lubricated at the intervals specified in Section 00-03. The universal joint bearings are retained on the spiders by snap rings and U-bolts on some applications.
The driveshafts are balanced; therefore, if the vehicle is being undercoated, the driveshafts and all open spline areas must be covered to prevent undercoating material from getting on the driveshafts.
Two types of driveshaft connecting joints are available on different vehicles:
The Bronco rear driveshaft is of the double Cardan type which incorporates two universal joints, a driveshaft centering socket yoke (4782), and a driveshaft center yoke (4784) at the transfer case end of each shaft. A single universal joint is used at the axle end of the driveshaft.
Rear Driveshaft and Coupling Shaft, Bronco