Section 05-01: Driveshaft | 1996 F-150, F-250, F-350 4x2, 4x4, F-Super Duty Chassis Cab, Motorhome Chassis and Bronco Vehicles Workshop Manual |
The driveshaft (4602) is a tubular shaft that is used to transfer torque from the engine, through the transmission to the ring gear and pinion in the rear axle (4001), which transmits the torque to the wheels. Driveshafts differ in length, diameter, and type of slip and axle attachment, to accommodate various wheelbase and powertrain combinations.
Two-Piece Driveline System
Coupling Shaft/Center Bearing
| Item | Part Number | Description |
|---|---|---|
| 1 | — | Dust Slinger (Part of 4800) |
| 2 | — | Lip (Part of 4800) |
| 3 | — | Grease Seal (Part of 4841) |
| 4 | 4841 | Driveshaft Slip Yoke |
| 5 | — | Bearing Retainer Ring (Part of 4800) |
| 6 | — | Rubber Insulator (Part of 4800) |
| 7 | — | Center Bearing (Part of 4800) |
| 8 | 4A499 | Driveshaft Center Bearing Bracket |
| 9 | — | Coupling Shaft (Part of 4R602) |

| Item | Part Number | Description |
|---|---|---|
| 1 | 4R602 | Driveshaft and Coupling Shaft |
| 2 | — | Dust Slinger (Part of 4800) |
| 3 | — | Rubber Insulator (Part of 4800) |
| 4 | 4A499 | Driveshaft Center Bearing Bracket |
| 5 | — | Bearing Retainer Ring (Part of 4800) |
| 6 | — | Center Bearing (Part of 4800) |
| 7 | — | Splined Stub Shaft End (Part of 4817) |
| 8 | — | Blind Spline (Part of 4817) |
| A | — | 12.70mm (0.5 Inch) Installed with Deep Flange Toward Stub Shaft End (Rear) |

Driveshaft with Single Cardan U-Joint
The driveshaft or coupling shaft used on F-150, F-250, F-350, F-Super Duty Chassis Cab, Motorhome Chassis and Bronco vehicles is composed of universal joints (U-joints), connecting shafts, attaching flanges, and driveshaft slip yokes (4841). The number of shafts and U-joints used depends on vehicle application.
Some vehicles use a one-piece slip yoke driveshaft. A universal joint and driveshaft slip yoke are located at the transmission end of the shaft, where they are held in alignment by a bushing in the extension housing (7A039). The driveshaft slip yoke and transmission output shaft permit fore and aft movement of the driveshaft as the rear axle moves up and down. This provides smooth performance during vehicle operation. An extension housing seal at the extension housing prevents leakage and protects the driveshaft slip yoke from dust, dirt and other harmful material. A second universal joint mates with the rear axle companion flange at the rear axle.
Others use a coupling shaft in conjunction with a driveshaft. Care must be taken to align the shafts as shown in the illustrations. The two-piece driveline system incorporates a "necked down" coupling shaft stub with a blind spline feature that ensures positive phasing action. The blind spline feature is not used on the F-Super Duty Motorhome Chassis.
One-Piece Driveshaft Slip Yoke
| Item | Part Number | Description |
|---|---|---|
| 1 | 382836-S100 | Nut |
| 2 | 4635 | Universal Joint |
| 3 | — | Snap Ring (Part of 4635) |
| 4 | — | Bearing Cup (Part of 4635) |
| 5 | — | Seal (Part of 4635) |
| 6 | — | Spider (Part of 4635) |
| 7 | 4602 | Driveshaft |
| 8 | 375646-S2 | Nut |
| 9 | 386867-S | U-Bolt |
| 10 | 4851 | Rear Axle Companion (Universal Joint) Flange (Half-Round) |
| 11 | 4859 | Dust Seal |
| 12 | 4841 | Driveshaft Slip Yoke |
| 13 | — | Counter Bore/Pilot (Part of 4841) |
| 14 | — | Damper (Part of 4841) |

| Item | Part Number | Description |
|---|---|---|
| 1 | 4851 | Driveshaft Rear Axle Companion Flange |
| 2 | 4866 | Driveshaft Flange Yoke |
| 3 | N800594-S100 | Bolt |
| 4 | 4635 | Universal Joint |
| 5 | — | Snap Ring (Part of 4635) |
| 6 | — | Bearing Cup (Part of 4635) |
| 7 | — | Seal (Part of 4635) |
| 8 | — | Spider (Part of 4635) |
| 9 | 4602 | Driveshaft |
| 10 | 4841 | Driveshaft Slip Yoke |

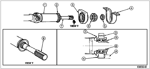
| Item | Part Number | Description |
|---|---|---|
| 1 | — | Bearing Cup (Part of 4635) |
| 2 | — | Thrust Washer (Part of 4635) |
| 3 | — | Needle Rollers (Part of 4635) |
| 4 | — | Grease Seal (Part of 4635) |
| 5 | — | Trunnion (Part of 4635) |
| 6 | — | Spider (Part of 4635) |
Driveshaft with Double Cardan U-Joint
NOTE: Double Cardan driveshaft center yoke (4784) requires lubrication. Refer to Section 00-03.
NOTE: All driveshafts are balanced. Therefore, if the vehicle is to be undercoated, cover the driveshaft to prevent undercoating material from getting on the shaft.
The driveshaft applicable to Bronco rear driveshaft and F-350 4x4 front driveshaft vehicles is of the double Cardan-type that incorporates two U-joints, a driveshaft centering socket yoke (4782), and a driveshaft center yoke at the transfer case end of each shaft. A single U-joint is used at the axle end of the shafts. All U-joints are lubricated for life, and do not require scheduled maintenance.

| Item | Part Number | Description |
|---|---|---|
| 1 | 4635 | Double Cardan Assembly |
| 2 | 4635 | Universal-Joint |
| 3 | 4784 | Driveshaft Center Yoke |
| 4 | 4782 | Driveshaft Centering Socket Yoke |
| 5 | — | Centering Spring (Part of 4782) |
| 6 | 7B214 | Transfer Case Yoke (Flange) |
| 7 | 4841 | Driveshaft Slip Yoke |

Driveshaft, Front Axle
NOTE: Whenever the vehicle is raised on a hoist, inspect the slip yoke boot for rips or holes. Replace if required.
NOTE: All front driveshafts are balanced. If the vehicle is to be undercoated, cover the driveshaft and U-joints to prevent application of any undercoating material.
The front axle driveshaft used on F-150, F-250, F-350 4x4 and Bronco vehicles connects the power flow from the transfer case to the front drive axle. It incorporates two single Cardan universal joints (U-joints one double Cardan on F-350 4x4) a driveshaft with a splined stub shaft end, and a slip yoke boot with two slip yoke boot clamps, one large and one small.
Front Driveshaft, F-150, F-250 4x4 and Bronco 4x4
| Item | Part Number | Description |
|---|---|---|
| 1 | 4635 | Universal Joint |
| 2 | — | Bearing (Part of 4635) |
| 3 | — | Snap Ring (Part of 4635) |
| 4 | — | Seal (Part of 4635) |
| 5 | — | Spider (Part of 4635) |
| 6 | — | Splined Stub Shaft (Part of 4602) |
| 7 | 4421 | Slip Yoke Boot |
| 8 | 4841 | Driveshaft Slip Yoke |
| 9 | — | Boot Groove (Part of 4841) |
| 10 | 4K227 | Large Clamp |
| 11 | 4K227 | Small Clamp |
| 12 | 4602 | Driveshaft |
| 13 | — | Front Driveshaft Yoke (Part of 4602) |

| Item | Part Number | Description |
|---|---|---|
| 1 | — | Rear Double Cardan (to Automatic Transmission) |
| 2 | 4602 | Driveshaft |
| 3 | 4421 | Universal Joint Slip Yoke Boot |
| 4 | 4841 | Driveshaft Slip Yoke |
| A | — | E4OD — 970mm (38.19 Inches). C6 — 819mm (32.25 Inches). M5HD (ZF) 7.5L and 7.3L — 832mm (32.75 Inches). M5HD (ZF) 5.8L — 905.8mm (35.66 Inches). |
NOTE: Driveshafts and coupling shafts are balanced; therefore, if the vehicle is being undercoated, the shafts and all open spline areas must be covered to prevent undercoating material from getting on the shafts.

| Item | Part Number | Description |
|---|---|---|
| 1 | 4A524 | Bearing Strap Type |
| 2 | — | Snap Ring Type (Part of 4635) |
| 3 | 4851 | Companion (Universal Joint) Flange |
| 4 | — | Bearing Cup (Part of 4635) |
| 5 | — | Needle Rollers (Part of 4635) |
| 6 | — | Grease Seal (Part of 4635) |
| 7 | — | Trunnion (Part of 4635) |
| 8 | — | Spider (Part of 4635) |
| 9 | 4635 | Universal Joint Assembly (Items 4, 5, 6, 7, 8) |