Section 05-01: Driveshaft | 1996 F-150, F-250, F-350 4x2, 4x4, F-Super Duty Chassis Cab, Motorhome Chassis and Bronco Vehicles Workshop Manual |
One-Piece
Removal
Raise vehicle and install safety stands.
NOTE: On four-wheel drive vehicles equipped with a slip between center driveshaft, disconnect the driveshaft (4602) at the transfer case during removal.
To maintain driveline balance, if the yellow alignment marks are not visible, mark the relationship of the driveshaft flange yoke (4866) and the rear axle companion flange so they may be reinstalled in their original positions.
Circular rear axle companion flange:
Installation
Lubricate the slip yoke spline with Premium Long-Life Grease XG-1-C or -K or equivalent meeting Ford specification ESA-M1C75-B.
Remove the tool from the extension housing. Inspect extension housing seal for damage. Replace if necessary.
Install the driveshaft slip yoke (4841) on the transmission output shaft. Do not allow the driveshaft slip yoke to bottom on the output transmission shaft with excessive force.
NOTE: When installing a new driveshaft, align the factory-made yellow paint mark at the rear of the driveshaft tube with the factory-made yellow paint mark on the outside diameter of the rear axle companion flange. If paint marks are not visible and vibration exists after installation, refer to Section 05-00.
Install the driveshaft so that the index marks made before removal are aligned or the yellow mark (if visible) on the driveshaft tube (light side) is in line with the yellow mark on the rear axle companion flange high side runout. This prevents vibration that occurs when the balance of the shaft and runout of the axle companion flange become additive instead of neutralizing. If a vibration exists, the driveshaft should be disconnected from the rear axle, rotated 180 degrees and reinstalled.
On half-round rear axle companion (universal joint) flange applications, install the U-bolts and nuts that attach the U-joint to the rear axle companion flange. If equipped with straps and bolts, install and tighten bolts to specifications. Refer to Specifications at the end of this section. On circular rear axle companion flange applications, install the bolts retaining the driveshaft flange yoke to the circular rear axle companion flange. Tighten to 83-118 Nm (61-87 lb-ft).
Remove stands and lower vehicle.
Road test vehicle.
Driveshaft/Coupling Shaft, Two-Piece (Except F-Super Duty Motorhome Chassis)
Removal
Raise the vehicle and install safety stands.
NOTE: To maintain driveline balance, mark the relationship of the rear driveshaft yoke and the rear axle companion flange before disassembly.
Disconnect the driveshaft from the rear axle companion flange and disconnect the driveshaft slip yoke from the coupling shaft yoke. Wrap tape around the loose bearing caps to prevent the bearings from falling off the universal joint spiders.
Remove the two center bearing support (coupling shaft)-to-frame crossmember attaching bolts marking the location of the support. Remove the coupling shaft assembly. Wrap tape around the loose bearing caps. Install the appropriate tool in the extension housing to prevent leaking.
Clean the male splines of the coupling shaft and driveshaft with a wire brush and a suitable solvent. Remove all hardened grease deposits, dirt or rust. Do not remove the blue plastic coating from male splines. Inspect for worn or galled splines. Remove any nicks, gouges or burrs from the driveshaft using a file or emery cloth.
Inspect the driveshaft slip yoke seal for rips, holes or deformation. Replace if necessary.
Using a suitable cleaning fluid, clean all dirt from the driveshaft slip yoke internal splines and the driveshaft slip yoke. Carefully inspect the driveshaft slip yoke splines for wear or evidence of twisting. Check the operation of the driveshaft slip yoke.
Wash all parts except the sealed center bearing and rubber insulator in suitable cleaning fluid. Do not immerse the sealed bearing in cleaning fluid. Wipe the bearing and rubber insulator clean with a cloth dampened in cleaning fluid.
Check the driveshaft center bearing for wear or rough action by rotating the inner race while holding the outer race. If any wear or roughness is evident, replace the driveshaft center bearing support (4800).
Examine the rubber insulator for evidence of hardening, cracking, or deterioration. Replace if damaged in any way.
Installation
Using a brush, coat all surfaces of the coupling shaft front slip yoke splines with Premium Long-Life Grease XG-1-C or -K or equivalent meeting Ford specification.
Remove the tool preventing leakage from the extension housing (driveshaft slip yoke applications only).
Install the front yoke of the coupling shaft on the output shaft. Do not allow the driveshaft slip yoke to bottom on the output shaft with excessive force.
Secure the center bearing support bracket to the frame crossmember with the center support attaching bolts and spacers in the original position. Tighten the bolts to 53-73 Nm (39-54 lb-ft).
Apply a coating of Premium Long-Life Grease XG-1-C or -K or equivalent meeting Ford specification ESA-M1C75-B to entire splined stub shaft end of the coupling shaft prior to the assembling of the driveshaft and the driveshaft slip yoke.
Using a clean long handle (stencil type) brush apply Premium Long-Life Grease XG-1-C or -K or equivalent meeting Ford specification ESA-M1C75-B, spread evenly on all the female splines of the driveshaft slip yoke.
Assemble the driveshaft slip yoke to the coupling shaft.
NOTE: When installing a new driveshaft, align the factory-made yellow paint mark at the rear of the driveshaft tube with the factory-made yellow paint mark on the outside diameter of the rear axle companion flange. If paint marks are not visible and a vibration exists after installation, refer to Driveshaft Runout and Balance in the Adjustments portion of Section 05-00.
Connect the rear U-joint of the driveshaft to the rear axle companion flange and tighten the U-bolt nuts or strap bolts to specification. Refer to Specifications at the end of this section.
NOTE: To ensure complete lubrication of the driveshaft slip yoke splines, temporarily plug the vent hole in the "welch" type plug located at the yoke end of the driveshaft slip yoke while applying grease through the zerk fitting.
Using a hand type grease gun, lubricate the driveshaft slip yoke through the zerk fitting with Premium Long-Life Grease XG-1-C or -K or equivalent meeting Ford specification ESA-M1C75-B.
Remove safety stands and lower vehicle.
Road test vehicle.
Driveshaft, Two- or Three-Piece, F-Super Duty Motorhome Chassis Vehicles
Removal
Disconnect the driveshaft from the flange at the rear axle.
Slide the driveshaft off the coupling shaft splines.
Working from the driveshaft center bearing support nearest to the rear of the vehicle, remove the two center bearing bracket-to-support plate bolts and support the driveshaft center bearing bracket (4A499).
Remove the forward joint from its mating yoke and remove driveshaft. As the driveshafts are removed, wrap tape around the loose bearing cups.
Repeat two previous steps until last shaft has been removed.
Thoroughly clean old grease and dirt from the driveshaft splines and then check the splines for wear, warpage and cracks. If the shaft is worn, warped or cracked, replace it.
Using a suitable cleaning fluid, clean all dirt from the driveshaft slip yoke, driveshaft slip yoke splines and shaft splines.
Do not clean the plastic coating on the male splines with a wire brush. Do not remove the plastic coating from the male splines.
Carefully inspect the driveshaft slip yoke splines for wear or evidence of twisting. Check the clearance between the driveshaft slip yoke splines and the shaft splines.
Wash all parts except the driveshaft center bearing support in suitable cleaning fluid. Do not immerse the sealed bearing in cleaning fluid. Wipe the bearing and rubber insulator clean with a cloth dampened with cleaning fluid.
Check the bearing for wear or rough action by rotating the outer race. If wear or roughness is evident, replace the bearing.
Inspect the rubber insulator for evidence of hardening, cracking or deterioration. Replace it if it is damaged in any way.
Grease retainers and slingers are serviced only as part of the driveshaft center bearing support.
Installation
Connect the front joint of the coupling shaft to the yoke on the transmission. Tighten the bolts to 34-54 Nm (25-40 lb-ft).
Support the driveshaft and install the center bearing bracket to support plate bolts and nuts. Tighten the bolts to 53-73 Nm (39-54 lb-ft). Make sure the center bearing is not twisted in the support plate.
If working on a vehicle with more than one coupling shaft, connect the rear shaft to the forward one, then install the remaining driveshaft center bearing support. All splines should be lubricated with High Temperature Grease E43Z-19590-A or equivalent meeting Ford specification ESP-M1C207-A.
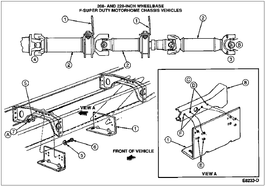
Connect the rear U-joints to the rear axle flange and tighten the bolts to 34-54 Nm (25-40 lb-ft). Make sure all driveshaft and coupling shaft yokes are properly in phase. Refer to the following illustration.

| Item | Part Number | Description |
|---|---|---|
| 1 | 390880-S100 | Bolt |
| 2 | 4A254 | Driveshaft Universal Joint Spider Retainer |
| 3 | 4831 | Support Plate |
| 4 | 56761-S2 | Bolt |
| 5 | 4602 | Driveshaft |
| 6 | — | Axle End (Part of 4602) |
| 7 | — | Transmission End (Part of 4602) |
| A | — | Tighten to 34-54 Nm (25-40 Lb-Ft) |
| B | — | Tighten to 53-73 Nm (39-54 Lb-Ft) |
| C | — | 158-Inch and 178-Inch Wheelbase |

| Item | Part Number | Description |
|---|---|---|
| 1 | 4831 | Support Plate |
| 2 | 4602 | Driveshaft |
| 3 | — | Axle End (Part of 4602) |
| 4 | — | Transmission End (Part of 4602) |
| 5 | N630088 | Washer |
| 6 | N605921 | Bolt |
| 7 | — | Nut |
| 8 | 5019 | Frame Crossmember |
| A | — | Tighten to 53-73 Nm (39-54 Lb-Ft) |
| B | — | 208-Inch Wheelbase |
| C | — | See Support Plate Position Chart for Holes to Mount to Crossmember |
| D | — | Align with Holes 2 and 4 |
| E | — | Numbers Are Stamped into Part |
| F | — | Align with Holes 1 and 3 |
| Support | Wheelbase | Use Mount Holes |
|---|---|---|
| Forward | 208-Inch | No. 3 |
| Forward | 228-Inch | No. 1 |
| Rearward | 208-Inch | No. 4 |
| Rearward | 228-Inch | No. 5 |