Section 06-07B: Brake, Power, Vacuum Pump, 7.3L Diesel Engine | 1996 F-250, F-350 and F-Super Duty Workshop Manual |
Removal
NOTE: When the battery is disconnected and reconnected, some abnormal drive symptoms may occur while the powertrain control module (PCM) (12A650) relearns its adaptive strategy. The vehicle may need to be driven 16 km (10 miles) or more to relearn the strategy.
Disconnect the battery ground cable (14301).
Disconnect the electrical connector from the low vacuum indicator switch.

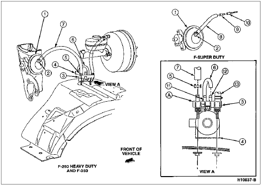
| Item | Part Number | Description |
|---|---|---|
| 1 | 2A451 | Vacuum Pump |
| 2 | 382984-S100 | Clamp |
| 3 | 9C490 | Vacuum Outlet Manifold |
| 4 | 12A182 | Low Vacuum Indicator Switch |
| 5 | 382984-S100 | Clamp |
| 6 | 381377-S080A | Vacuum Tube |
| 7 | 381298-SX11A | Vacuum Pump-to-Vacuum Outlet Manifold Hose |
| 8 | 381298-SX16A | Vacuum Pump-to-Vacuum Outlet Manifold Hose |
| 9 | 9K319 | Evaporative Emission Hose Connector |
| 10 | 19C827 | Vacuum Hose Harness |
| 11 | — | Climate Control Line Port (Part of 9C490) |
| 12 | — | Low Vacuum Indicator Switch Port (Part of 9C490) |
| 13 | — | To Power Brake Booster |
| A | — | White End Points Towards Front of Vehicle |
Disconnect the low vacuum indicator switch-to-vacuum outlet manifold assembly hose.
Remove the two low vacuum indicator switch nuts and the switch.
Installation
Follow removal procedures in reverse order.
Tighten the low vacuum indicator switch manifold nuts to 5.2-7.2 Nm (46-63 lb-in).