Section 07-01A: Transmission, Automatic, E4OD | 1996 All F-Series and Bronco with E4OD Automatic Transmission Workshop Manual |

| Item | Part Number | Description |
|---|---|---|
| 1 | 7A031 | Fluid Cooler Tube |
| 2 | 7A095 | Transmission Fluid Cooler |
| 3 | 7F112 | Outlet Tube |
| 4 | 372223-S101 | C-Clip |
| 5 | 376240-S | Clamp |
| 6 | N809635-S165A | Hose |
| 7 | 7A030 | Fluid Cooler Inlet Tube |
| 8 | — | Connector (Part of 7000) |
| 9 | 7000 | Automatic Transmission |
| 10 | 7N291 | Transmission Fluid Cooler Line Clip |
| 11 | — | Auxiliary Cooler Tube Nut (Part of 7A095) |
| A | — | Tighten to 23.3-31.7 Nm (17-23.4 Lb-Ft) |
| B | — | Tighten to 10-14 Nm (7.4-10.3 Lb-Ft) |
| C | — | Tighten to 3.1-4.3 Nm (27.4-38 Lb-In) |

| Item | Part Number | Description |
|---|---|---|
| 1 | 7A095 | Transmission Fluid Cooler |
| 2 | 8005 | Radiator |
| 3 | 7A031 | Fluid Cooler Tube |
| 4 | 7D273 | Fluid Tube Connector |
| 5 | 372223-S101 | C-Clip |
| 6 | 7N291 | Transmission Fluid Cooler Line Clip |
| 7 | 7A030 | Fluid Cooler Inlet Tube |
| 8 | — | Connector (Part of 7000) |
| 9 | 7000 | Automatic Transmission |
| 10 | 376240-S | Clamp |
| 11 | N809635-S165A | Hose |
| 12 | 7F113 | Inlet Tube |
| 13 | 7F112 | Outlet Tube |
| A | — | Tighten to 23.3-31.7 Nm (17-23.4 Lb-Ft) |
| B | — | Tighten to 3.1-4.3 Nm (27.4-38 Lb-In) |
| C | — | Tighten to 10-14 Nm (7.4-10.3 Lb-Ft) |

| Item | Part Number | Description |
|---|---|---|
| 1 | 7D273 | Fluid Tube Connector |
| 2 | N809635-S183A | Hose |
| 3 | — | Strap |
| 4 | 7A030 | Fluid Cooler Inlet Tube |
| 5 | — | Connectors (Part of 7000) |
| 6 | 7000 | Automatic Transmission |
| 7 | 7A031 | Fluid Cooler Tube |
| A | — | Tighten to 23.3-31.7 Nm (17-23.4 Lb-Ft) |

| Item | Part Number | Description |
|---|---|---|
| 1 | W611102-S2 | Screw and Washer |
| 2 | 6K761 | Fluid Cooler Upper Bracket |
| 3 | 7D273 | Tube Connector |
| 4 | 7A031 | Outlet Tube (To Cooler) |
| 5 | 7A030 | Inlet Tube (To Transmission) |
| 6 | 7F113 | Inlet Tube |
| 7 | 372223-S101 | C-Clip |
| 8 | 376240 | Clamp |
| 9 | N809635 | Hose |
| 10 | 55736 | Nut |
| 11 | 7A095 | Transmission Fluid Cooler |
| 12 | 6C645 | Insulator |
| 13 | 7N291 | Transmission Cooler Line Clip |
| 14 | 6010 | Cylinder Block |
| A | — | Tighten to 7-10 Nm (62-88.5 Lb-In) |
| B | — | Tighten to 16-24 Nm (12-18 Lb-Ft) |
| C | — | Tighten to 24-30 Nm (18-22 Lb-Ft) |
| D | — | Tighten to 3.1-4.3 Nm (27.4-38 Lb-In) |
| E | — | Tighten to 16-24 Nm (12-18 Lb-Ft) |

| Item | Part Number | Description |
|---|---|---|
| 1 | 8005 | Radiator |
| 2 | 7C107 | Clamp |
| 3 | 7890 | Hose |
| 4 | 372223-S101 | C-Clip |
| 5 | 7A031 | Outlet Tube |
| 6 | 7A030 | Inlet Tube |
| 7 | 7A095 | Transmission Fluid Cooler |
| 8 | N809635-S183A | Hose |
| 9 | — | Strap |
| 10 | 7G058 | Connector |
| A | — | Tighten to 3.1-4.3 Nm (27.4-38 Lb-In) |
| B | — | Tighten to 16-24 Nm (12-18 Lb-Ft) |

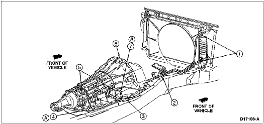
| Item | Part Number | Description |
|---|---|---|
| 1 | 7003 | Transmission |
| 2 | 7A030 | Inlet Tube |
| 3 | 33799 | Nut, 3/8-16 Hex |
| 4 | 57643 | Screw and Washer, 3/8-16 x .62 Hex-Head |
| 5 | 6010 | Cylinder Block |
| 6 | 14301 | Battery Ground Cable |
| 7 | 7A031 | Outlet Tube |
| 8 | 376240-S | Hose Clamp |
| 9 | 7N291 | Transmission Fluid Cooler Line Clip |
| 10 | 372223-S58 | C-Clip |
| 11 | N809635-S276A | Hose, 7.9mm ID |
| 12 | — | Connector (Part of 8005 Radiator) |
| 13 | 8005 | Radiator |
| A | — | Tighten to 16-24 Nm (12-18 Lb-Ft) |
| B | — | Tighten to 2.8-4.0 Nm (25-35 Lb-In) |