Section 07-01A: Transmission, Automatic, E4OD | 1996 All F-Series and Bronco with E4OD Automatic Transmission Workshop Manual |
| Description | Tool Number |
|---|---|
| Impact Slide Hammer | T59L-100-B |
| Seal Remover | TOOL-1175-AC |
| Roll Pin Puller | T78P-3504-N |
| Banding Tool | D89L-77000-A |
| Front Pump Seal Replacer | T63L-77838-A |
Overdrive Ring Gear and Center Shaft
Remove the large retaining ring.

Remove the overdrive one-way clutch with the inner and outer races.

| Item | Part Number | Description |
|---|---|---|
| 1 | — | Inner Race (Part of 7A089) |
| 2 | 377135-S | Small Retaining Ring |
| 3 | — | Outer Race (Part of 7A089) |
| 4 | — | One-Way Clutch (Part of 7A089) |
| 5 | 7A153 | Overdrive Ring Gear |
Push out the one-way clutch and inner race.

Remove the inner race from the one-way clutch.

Remove the No. 3 overdrive one-way clutch washer from the front of the planet gear overdrive carrier.

Remove the planet gear overdrive carrier from the overdrive center shaft and overdrive ring gear.

CAUTION: Use care not to damage the No. 4 overdrive planet thrust bearing assembly.
Remove the No. 4 overdrive planet thrust bearing assembly from the rear face of the planet gear overdrive carrier.

Remove the retaining ring and overdrive center shaft from the overdrive ring gear.

Clean and inspect the overdrive ring gear and shaft assembly.
CAUTION: The input shaft and overdrive planet assembly are serviced as mating components.
NOTE: Different vehicle applications will have different planet assemblies. Refer to the Master Parts catalog for the correct usage.
Install the overdrive center shaft into the overdrive ring gear. Install the retaining ring.

Install the No. 4 overdrive planet thrust bearing assembly with the outer lip down on the rear face of the planet gear overdrive carrier. Install the planet gear overdrive carrier into the overdrive center shaft and overdrive ring gear assembly.

Install the No. 3 overdrive one-way clutch washer on the front of the carrier.

NOTE: The inner race undercut must face toward the small retaining ring. The inner race must rotate counterclockwise.
Install the inner race into the one-way clutch assembly and the outer race over the one-way clutch assembly.

NOTE: The inner bearing race lip must face up.
Install the overdrive one-way clutch into the overdrive ring gear with the small retaining ring facing upward.

| Item | Part Number | Description |
|---|---|---|
| 1 | — | Inner Race (Part of 7A089) |
| 2 | 377135-S | Small Retaining Ring |
| 3 | — | Outer Race (Part of 7A089) |
| 4 | — | One-Way Clutch (Part of 7A089) |
| 5 | 7A153 | Overdrive Ring Gear |
Install the large retaining ring.

Install the No. 5 overdrive center shaft thrust bearing assembly onto the overdrive center shaft. Hold it in place with petroleum jelly.

Reverse Planet
CAUTION: Always wear safety glasses when using compressed air.
Remove the No. 10B and No. 11 thrust washers. Clean them in solvent and dry them with mositure-free compressed air. Throughly clean the reverse planet assembly.
Inspect the reverse planet assembly and thrust washers.
NOTE: Hold the thrust washers in place with petroleum jelly.
Install the No. 10B front reverse planet thrust washer with the tabs positioned in the slots on the reverse planet assembly. Install the No. 11 rear reverse planet thrust washer with the tabs positioned into the slots on the planet carrier.


Low One-Way Clutch
Remove the output shaft ring gear and the No. 12 output shaft hub thrust bearing from the reverse clutch hub.

If necessary, remove the low one-way clutch assembly from the reverse clutch hub. Rotate the low one-way clutch assembly counterclockwise and remove it from the rear of the reverse clutch hub.

CAUTION: Always wear safety glasses when using compressed air.
Thoroughly clean the low/reverse one-way clutch assembly and the race in clean solvent. Dry them with moisture-free compressed air.
NOTE: Check the reverse clutch hub thrust surface for scores and the reverse clutch hub splines for wear. Replace all worn parts.
Inspect the outer and inner low/reverse one-way clutch race for scores or damaged surface areas where the rollers contact the races. Inspect the rollers and springs for excessive wear and damage. Inspect the spring and cage.
Install the low one-way clutch assembly through the rear of the reverse clutch hub. Carefully seat the low one-way clutch assembly into the reverse clutch hub and rotate it clockwise to properly seat the bearings. Lock the tabs in place against the hub. Install the No. 12 output shaft hub thrust bearing onto the reverse clutch hub.

Output Shaft
CAUTION: Always wear safety glasses when using compressed air.
NOTE: The anti-seepage seal on the original equipment output shaft is intended for shipping purposes only. It is not necessary to remove and reuse this seal when replacing the output shaft. The output shaft cannot be disassembled. The output shaft must be replaced, if damaged.
Thoroughly clean the output shaft in clean solvent and dry it with moisture-free compressed air. Inspect the output shaft for wear. Make sure the cup plug orifice is clean and free of debris. Service as required.


Torque Converter - Leakage Check
WARNING: ALWAYS FOLLOW PROPER SAFETY PROCEDURES.
CAUTION: Use care not to damage the cover pilot or the cover studs in the press.
Install Rotunda Converter Leak Check Tool 014-R1075 and gasket into the converter hub. Position the torque converter into the press, hub down. Secure the press. Use the press to apply enough force to seal the tool into the torque converter hub.
CAUTION: Use dry, clean compressed air (80 psi maximum).
NOTE: Apply a water and soap solution to the torque converter to check for leaks.
Apply air pressure to the valve on the leak check tool. With air pressure applied, check for leaks at the studs, seams, and pilot hub.
Release the air pressure from the torque converter, then slowly release the press. Place the torque converter and leak check tool in the press, hub up.
CAUTION: Use dry, clean compressed air (maximum 80 psi).
NOTE: Apply a water and soap solution to the torque converter to check for leaks.
Apply air pressure to the valve on the leak check tool. With air pressure applied, check for leaks at the seams and converter hub.
Release the air pressure from the torque converter, then slowly release the press. Remove the tool and torque converter from the press.
Torque Converter - One/Way Clutch Check
| Description | Tool Number |
|---|---|
| End Play Checking Tool | T80L-7902-A |
| Dial Indicator with Bracketry | TOOL-7902-A |
| Converter Clutch Holding Tool | T77L-7902-R |
| Converter Clutch Torquing Tool | T76L-7902-C |
Insert Converter Clutch Holding Tool T77L-7902-R in one groove in the stator thrust washer. Insert Converter Clutch Torquing Tool T76L-7902-C in the converter pump drive hub to engage the one-way clutch inner race.

NOTE: The converter one-way clutch should rotate freely in a clockwise direction until the torquing tool contacts the holding tool.
Attach the torque wrench to the one-way clutch tightening tool. With the one-way clutch holding tool held stationary, turn the torque wrench counterclockwise. Try the clutch for lock-up at five different locations around the converter. If the clutch fails to lock up and hold at least 13 Nm (10 lb-ft) of torque, replace the torque converter unit.

Torque Converter - End Play Check
| Description | Tool Number |
|---|---|
| End Play Checking Tool | T80L-7902-A |
| Dial Indicator with Bracketry | TOOL-7902-A |
NOTE: The sleeve must be removed from the tool.
Install End Play Checking Tool T80L-7902-A into the converter until it bottoms. Tighten the inner post until the tool is securely locked in the spline.

NOTE: The dial indicator must be between the ridges in the next step.
Attach Dial Indicator with Bracketry TOOL-4201-C to the endplay checking tool. Position the indicator button on the torque converter housing and set the dial face to zero. Lift up the endplay checking tool and note the dial indicator reading. If the reading exceeds the endplay limits, replace the torque converter.

| Engine | New or Rebuilt Torque Converter | Used Torque Converter | ||
|---|---|---|---|---|
| mm | Inch | mm | Inch | |
| Gas | .35-.96 | .014-.038 | 1.8 Max. | .071 Max. |
| 7.3L DI Diesel | .60-1.21 | .024-.048 | 2.0 Max. | .079 Max. |
Note: Torque converters are model dependent.
Torque Converter - Stator/Impeller Check
CAUTION: To perform this check, do not use the pump stator support which will be installed in the transmission. Damage to the pump stator support, front pump seal, or front pump stator seal could occur.
NOTE: Obtain a scrapped pump. (This can be used as a permanent tool to perform this check.)
NOTE: The torque converter should rotate freely without any signs of interference or scraping within the converter. If there is an indication of scraping, the trailing edges of the stator blades could be interfering with the leading edges of the impeller blades. In such cases, replace the torque converter.
Remove the stator support. Position the stator support on a bench with the spline end of the shaft pointing up. Mount the converter on the stator support with the splines on the one-way clutch inner race engaging the mating splines of the stator support. Hold the stator support stationary and try to rotate the torque converter counterclockwise.

NOTE: This step is for checking stator-to-turbine interference (gasoline engines only). The stator support can remain in the pump assembly during this step.
Position the torque converter on a bench, stud side down. Install the stator support to engage the mating splines of the stator support shaft. Install the input shaft, engaging the splines with the turbine hub.
Hold the stator shaft stationary and attempt to rotate the turbine with the input shaft. The turbine and lock-up clutch assemblies must rotate in both directions, without any signs of metallic interference or scraping noise. (If interference exists, the stator front thrust washer could be worn, allowing the stator to hit the turbine. In such cases, the torque converter must be replaced.)
Remove the input shaft and stator support. Check the converter crankshaft pilot for nicks or damaged surfaces that could cause interference when installing the transmission to the engine. Check the converter impeller hub for nicks or sharp edges that would damage the pump seal.
Coast Clutch
| Description | Tool Number |
|---|---|
| Clutch Spring Compressor | T65L-77515 |
Remove the sun gear from the coast clutch cylinder. Remove the retaining ring, coast clutch pressure plate, and clutch plates from the coast clutch cylinder. Tag the parts to aid during assembly.



CAUTION: Do not fully compress the return springs.
Install Clutch Spring Compressor T65L-77515-A (or equivalent). Remove and discard the return spring retaining ring.

Remove the piston return spring.

Remove the piston apply ring.

Remove the coast clutch piston.

Remove the outer and inner seals from the coast clutch piston. Discard the seals.

Clean and inspect the coast clutch assembly.

NOTE: Soak all friction plates for 15 minutes in clean Mercon® Multi-purpose Automatic Transmission Fluid XT-2-QDX (or Mercon® equivalent). Lightly lube all O-ring seals before installing, using Mercon® Multi-purpose Automatic Transmission Fluid XT-2-QDX (or Mercon equivalent).
Lube and install new coast clutch piston inner and outer seals so the lip is facing toward the bottom (down) into the coast clutch cylinder.


Install the coast clutch piston.

Install the piston apply ring.

Remove the coast clutch piston return spring.

CAUTION: Do not fully compress the return springs.
Using Clutch Spring Compressor T65L-77515-A, install the coast clutch piston return spring retaining ring.

Alternately install the clutch plates, starting with a steel plate and ending with a coast clutch pressure plate.

Install the coast clutch pressure plate retaining ring and check the stack-up clearance (in three places, 120 degrees apart) using a feeler gauge. (If it is not within specification, install the correct coast clutch pressure plate retaining ring and recheck.)

Remove the coast clutch pressure plate retaining ring and clutch plates. (Performing this step is necessary to install the overdrive center shaft assembly.) Install the overdrive sun gear assembly into the coast clutch cylinder.

Direct Clutch
| Description | Tool Number |
|---|---|
| Clutch Remover/Replacer | T89T-70010-E |
NOTE: Use a light film of petroleum jelly on the thrust washers and bearings to hold them in place.
Verify the thrust washer 8A is installed onto the intermediate brake drum and make sure the tabs are seated in the slots.

Verify the No. 8B forward clutch needle bearing is installed.

Install the forward clutch cylinder assembly onto the intermediate brake drum by rotating, until it is fully seated.

NOTE: Use a light film of petroleum jelly to hold the thrust washers and bearings in place.
Verify that No. 9A thrust bearing is installed into the forward clutch.

Verify the No. 8C thrust washer is installed onto the forward hub and ring gear assembly. Place the forward hub and ring gear assembly into the clutch drum.

Verify the No. 10A forward planet assembly thrust washer is on the forward planet assembly. (The tabs on the No. 10A thrust washer must engage the slots on the forward planet assembly.) Place the forward planet assembly into the forward hub and ring gear assembly.

Verify the No. 9B forward clutch thrust bearing is installed into the forward planet assembly.

Align the input shell notches with the intermediate brake drum lugs. Install the input shell onto the assembly and rotate it until it is fully seated.

Install Clutch Remover/Replacer T89T-70010-E on the intermediate brake drum, forward clutch, and input shell. (The assembly is now ready for transmission assembly.)

Forward Clutch
| Description | Tool Number |
|---|---|
| O-Ring Remover | T71P-19703-C |
| Lip Seal Protector | T77L-77548-A |
Remove the No. 9A forward clutch thrust bearing from the inner face of the forward clutch cylinder.

Remove the No. 8B forward clutch needle bearing assembly.

Remove both forward clutch cylinder seals from the grooves, using O-Ring Remover T71P-19703-C. Discard the seals.

Remove the forward clutch pressure plate retaining ring. Remove the top pressure plate, three- or four-plate clutch pack (depending on vehicle application), and forward clutch pressure spring and plate. Tag the parts to aid during assembly.


Remove the forward clutch piston return spring retaining ring.

Remove the forward clutch piston return spring.

Remove the forward clutch piston apply ring from the forward clutch piston groove.

CAUTION: Always wear safety glasses when using compressed air.
Remove the forward clutch piston from the cylinder, using compressed air.

Remove the outer and inner forward clutch piston seals from the forward clutch piston and cylinder, using O-Ring Tool T71P-19703-C. Discard the seals.


Clean the forward clutch assembly.
Inspect the forward clutch piston check ball for freedom of movement and proper seating. Replace the forward clutch piston assembly, if necessary. Inspect the forward clutch assembly.

Install a new inner seal into the clutch cylinder and a new forward clutch piston outer seal on the forward clutch piston, with the lip facing up as shown.


Lube and install the forward clutch piston into the forward clutch cylinder, using Lip Seal Protector T77L-77548-A.

CAUTION: The forward clutch piston return spring and forward clutch piston apply ring must be positioned so both ends of the forward clutch piston apply ring are visible in the notch between the fingers of the forward clutch piston return spring.
Install the steel forward clutch piston apply ring into the forward clutch piston groove. Install the forward clutch piston return spring with the spring fingers against the forward clutch piston apply ring.


Install the forward clutch piston return retaining ring. Verify proper seating in the groove.

NOTE: The clutch plates must be soaked with clean Mercon® Multi-purpose Automatic Transmission Fluid XT-2-QDX (or Mercon® equivalent) for 15 minutes.
Install the bottom forward clutch pressure plate (beveled face down), pressure spring, clutch pack (with steel plate, alternating steel and friction plates), and pressure plate.

Install the selective retaining ring and check the stack-up clearance at three different places, 120 degrees apart, using a feeler gauge. If it is not within specification, install the correct retaining ring and recheck.

NOTE: Stagger the scarf cuts on the seals 180 degrees apart.
Using a light film of petroleum jelly, install the No. 8B forward clutch needle bearing assembly (large I.D. radius facing inward). Install new forward clutch cylinder seals in the grooves.


Using a light film of petroleum jelly, install the No. 9A forward clutch thrust bearing on the inner face of the forward clutch cylinder (large O.D. radius facing inward).

Forward Hub and Ring Gear
Remove the No. 8C forward clutch hub thrust washer from the front face of the hub.

Remove the forward hub retaining ring and forward hub from the forward ring gear.

CAUTION: Always wear safety glasses when using compressed air.
Thoroughly clean the forward hub and ring gear in clean solvent and dry them with moisture-free compressed air.
Inspect the forward hub and ring gear.
NOTE: Make sure the forward hub retaining ring is fully seated in the ring groove.
Install the forward hub into the forward ring gear. Install the forward hub retaining ring. Install the No. 8C forward clutch hub thrust washer on the hub, using petroleum jelly to hold it in place.



Forward Planet
Remove the No. 9B forward clutch thrust bearing from the forward planet assembly.

Remove the No. 10A forward planet assembly thrust washer from the front side of the forward planet assembly.

CAUTION: Always wear safety glasses when using compressed air.
Thoroughly clean the forward planet assembly in clean solvent and dry it with moisture-free compressed air.
Inspect the forward planet assembly, thrust washer, and bearing.
NOTE: The thrust washer tabs go into the forward planet assembly slots. Install the notched inner race facing outward and the large O.D. radius facing inward.
Install the No. 10A forward assembly planet thrust washer on the front side of the forward planet assembly, using petroleum jelly to hold it in place.

Install the No. 9B forward clutch thrust bearing on the inner face of the forward planet assembly.

Input Shell
Remove and discard the retaining ring from the forward/reverse sun gear.

Remove the No. 14 input shell thrust washer from the input shell.

Remove the forward/reverse sun gear from the input shell.

CAUTION: Always wear safety glasses when using compressed air.
Thoroughly clean the input shell, sun gear, and washer in clean solvent and dry them with moisture-free compressed air.
Inspect the input shell, sun gear, and thrust washer.
Install the forward/reverse sun gear, so the lube hole in the gear is between the standoff pads on the input shell.

Install the No. 14 input shell thrust washer onto the forward/reverse sun gear.

CAUTION: Use care not to overextend the retaining ring.
Install a new retaining ring onto the forward/reverse sun gear.

Center Support
| Description | Tool Number |
|---|---|
| O-Ring Tool | T71P-19703-C |
Remove two direct clutch cast iron seal rings, using O-Ring Tool T71P-19703-C and the No. 6 center support thrust washer. Discard the seals.

Inspect the No. 6 center support thrust washer, center support seal ring grooves, hub inner and outer diameters, and feedbolt threads for contamination or damage. Replace as necessary. Inspect the ball bearing inside the center support for damage. Service as required.

CAUTION: Always wear safety glasses when using compressed air.
Clean the center support assembly.
Install the No. 6 center support thrust washer using a light film of petroleum jelly to hold it in place. Install two new direct clutch cast iron seal rings to the center support.

Reverse Clutch Piston
Remove the reverse clutch piston outer and inner seals. Inspect the piston. Discard the seals.


CAUTION: Always wear safety glasses when using compressed air.
Thoroughly clean the reverse clutch piston in clean solvent and dry it with moisture-free compressed air.
NOTE: Make the sure lip on the seal faces the back side of the piston.
Install and lube new reverse clutch piston inner and outer seals.


Intermediate Overdrive Cylinder
| Description | Tool Number |
|---|---|
| Clutch Spring Compressor Plate (Part of T89T-70010-C) | T89T-70010-C2 |
| Clutch Spring Compressor Bar (Part of T88T-77000-AH) | T88C-77000-AH2 |
| Clutch Spring Compressor Plate | T89T-70010-F |
| O-Ring Tool | T71P-19703-C |
Using Clutch Spring Compressor Plate T89T-70010-C2 (Part of T89T-70010-C), Clutch Spring Compressor Bar T88C-77000-AH2 (Part of T88C-77000-AH), and Clutch Spring Compressor Plate T89T-70010-F, compress the overdrive clutch piston return spring.

Remove the overdrive clutch piston return spring retainer.

Remove the overdrive clutch piston return spring.

Remove the overdrive clutch piston.

Remove the overdrive clutch piston outer and inner seals, using O-Ring Tool T71P-19703-C. Discard the seals.

Remove the intermediate clutch piston.

Remove the intermediate clutch piston inner and outer seals from the cylinder bore and piston, using O-Ring Tool T71P-19703-C. Discard the seals.

Clean the intermediate/overdrive cylinder assembly.
Inspect the check ball, cup plugs, and feedbolt threads for contamination or damage. Inspect the pistons. Replace as necessary.
Install a new intermediate clutch piston outer seal onto the intermediate clutch piston, with the lip seal facing up.

Install a new intermediate clutch piston inner seal into the cylinder bore, with the lip seal facing down toward the cylinder. Lube the seals.

NOTE: The piston must rotate freely in the cylinder.
Install the intermediate clutch piston.

Install new overdrive clutch piston outer and inner seals, with the lip seal facing down towards the cylinder. Lube the seals.

NOTE: The piston must rotate freely in the cylinder.
Install the overdrive clutch piston.

NOTE: The overdrive clutch piston return spring must be installed with the fingers facing up.
Install the overdrive clutch piston return spring.

Using Clutch Spring Compressor Plate T89T-70010-F, Clutch Spring Compressor Bar T88C-77000-AH2, and Clutch Spring Pressure Plate T89T-70010-C2, compress the return spring.

Install the overdrive clutch piston return spring retainer. Make sure the retainer is fully seated.

Pump Assembly
| Description | Tool Number |
|---|---|
| Impact Slide Hammer | T59L-100-B |
| Seal Remover | TOOL-1175-AC |
| Roll Pin Puller | T78P-3504-N |
| Banding Tool | D89L-77000-A |
| Front Pump Seal Replacer | T63L-77838-A |
NOTE: The front pump seal must be removed at this time, if it has not already been removed.
Using Impact Slide Hammer T59L-100-B and Seal Remover Tool-1175-AC, remove the front pump seal. Discard the seal.

Remove the front pump support seal from the front of the stator support. Discard the seal.

Remove two Teflon(r) coast clutch seals from the stator support. Remove the pump outer diameter square cut front pump seal. Discard the seals.

CAUTION: Use care not to damage any machined surfaces of the stator support. Do not reuse the removed orifice cup plug or the removed spring and stop assembly. Make sure the old rubber stop is removed. (It could become separated from the spring assembly.)
Using Roll Pin Puller T78P-3504-N, remove the orifice cup plug, spring, and stop assembly. Inspect the bore, making sure it is clear of debris.

Position the support pump in the torque converter as a holding fixture. Remove 11 bolts and separate the pump control body from the pump body. Prior to removing the last bolt, support the pump body.

CAUTION: Do not remove any of the remaining cup plugs. Do not remove the stator support from the control body, as this could distort the surface of the control body.
NOTE: Do not use the kit if the pump bore is damaged; the pump must be replaced if that is the case.
Apply pressure to the main regulator booster sleeve and remove the retainer. Remove the main regulator valve train. Remove the converter regulator valve assembly by applying pressure to the end plug and removing the retainer clip. Remove the converter clutch shift valve assembly by applying pressure to the end plug and removing the retainer clip. Clean and inspect the main regulator booster valve and sleeve assembly. If the valve and sleeve assembly show any signs of wear, replace them with kit E9TZ-7D003-AA.
Remove the gerotor gearset from the pump body. Inspect the pump gears, faces, gear teeth, pump housing, and mating surfaces for damage or scoring. Replace the entire pump if any part is damaged or worn.

Inspect the converter hub bushing. Replace the entire pump if the bushing is scored or excessively worn.

Inspect the input shaft bushings. If the bushings are worn or scored, replace the entire pump assembly.


Clean the pump assembly.
NOTE: The inner diameter of the inner gear must be centered over the bushing for this step.
Place the inner and outer pump gerotor gears in the pump gear pocket, centered to the pump bushing diameter. Using a depth micrometer, measure and record the depth of the inner gerotor gear face to the machined surface of the pump body. Repeat the measurement for a total of three readings in equally spaced locations on the gear face. All depths must be within 0381-0559 mm (0015-0022 inch). If either reading is out of specification, replace the pump.

Using a depth micrometer, measure and record the depth of the outer gerotor gear to the machined surface of the pump body. All depths must be within 0381-0559 mm (0015-0022 inch). If either reading is out of within 381-0559 mm (0015-0022 inch). If either reading is out of specification, replace the pump.

Install the main regulator valve assembly. Apply pressure to the main regulator booster sleeve and install the retainer clip. Make sure the retainer clip is properly seated.
Install the converter clutch shift valve assembly and retainer.
Install the torque converter regulator valve assembly and retainer.
CAUTION: Prior to pump assembly, make sure all the cup plugs are installed.
NOTE: The dot on the inner gerotor gear must face the control body assembly.
Lightly coat the gerotor gears with transmission fluid. Lower the control body and stator assembly onto the pump body, aligning the 28 mm round hole in the control body with the 28 mm hole in the pump body. Loosely install 11 M8x50 bolts.

Install one 10 mm bolt and Banding Tool D89L-77000-A or equivalent with the clamp by the filter inlet. Align the outer bolt holes and tighten the banding tool. Tighten the bolts to 27 Nm (20 lb-ft) and remove the banding tool. Make sure the outer edges of the control body and pump body are completely aligned.

NOTE: Be sure the seal grooves are clean and free of burrs. Be sure the coast clutch seals are fully seated in the grooves and oriented 180 degrees apart.
Install two coast clutch Teflon(r) seals. Install the pump outer diameter seal. Install the front pump support seal on the front of the stator support in the same manner as the coast clutch seals.

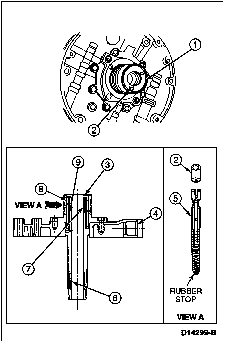
NOTE: Make sure the cup plug edges are seated just below the stator support surface that mates with the No. 2 needle bearing assembly.
Install a new spring and stop assembly from service kit E9T-7H132-B. Insert the end with the rubber stop into the bore first. Using a small drift and mallet, install a new cup plug from the service kit.

| Item | Part Number | Description |
|---|---|---|
| 1 | — | Stator Support Mating Surface |
| 2 | N805802-S100 | Orifice Cup Plug (Serviced in 7H132) |
| 3 | 7E486 | No. 2A Overdrive Sun Gear Thrust Bearing |
| 4 | — | Inlet Tube Bore |
| 5 | 7H132 | Spring and Stop Assembly (Serviced in 7H132) |
| 6 | — | Front Input Shaft Bushing (Part of 7A103) |
| 7 | — | Rear Input Shaft Busing (Part of 7A103) |
| 8 | N805802-S100 | Orifice Cup Plug |
| 9 | 7H132 | Converter Drainback Spring and Stop Assembly |
Using Front Pump Seal Replacer T63L-77837-A, install a new front pump seal.
Install the No. 1 pump thrust washer and No. 2A overdrive sun gear thrust bearing into the pump stator support. Use a light film of petroleum jelly to hold the washer and bearing assembly in place.
Direct Clutch Subassembly
| Description | Tool Number |
|---|---|
| Clutch Spring Compressor | T65L-77515-A |
| O-Ring Tool | T71P-19703-C |
Remove the intermediate one-way clutch outer race.

Remove the one-way clutch assembly, top cap, and bottom end cap.


Remove the No. 7 and No. 8a intermediate one-way clutch thrust washers from the rear and front face of the intermediate brake drum.


Remove the direct clutch pressure plate retaining ring. Remove the direct clutch pressure plate and clutch pack. Tag the parts to aid during assembly.


CAUTION: Do not fully compress the return springs.
Install Clutch Spring Compressor T65L-77515-A (or equivalent). Remove the direct clutch return spring retaining ring.

Remove the compressor tool and the return spring.

Remove the direct clutch piston from the intermediate brake drum. Remove the inner and outer direct clutch piston seals from the intermediate brake drum, using O-Ring Tool T71P-19703-C. Discard the seals.

Clean the direct clutch assembly.
Inspect the direct clutch piston check ball for freedom of movement and proper seating. Replace the direct clutch piston if it is damaged. Inspect the direct clutch assembly.
NOTE: The piston must rotate freely in the drum.
Lube and install new direct clutch piston inner and outer seals into the intermediate brake drum, with the seal lips facing down.

NOTE: Make sure the protrusions on the spring retainer are properly engaged with the lugs on the direct clutch piston.
Install the direct clutch piston and direct clutch return spring assembly.

Compress the direct clutch return spring assembly, using Clutch Spring Compressor T65L-77515-A. Install the direct clutch return spring retaining ring and remove the compressor tool.

NOTE: Soak the clutch plates with clean Motorcraft Mercon® Multi-purpose Automatic Transmission Fluid XT-2-QDX (or Mercon® equivalent) for 15 minutes.
Install a three-, four-, or five-plate clutch pack (depending on the model), starting with a steel plate and alternating with friction plates. Install the direct clutch pressure plate.

Install a selective retaining ring. Check the stack-up in three positions, 120 degrees apart, using a feeler gauge. If it is not within specification, install the correct selective retaining ring and recheck.

NOTE: The top and bottom end caps are identical.
Install the No.7 intermediate one-way clutch large thrust washer on the face of the intermediate brake drum. Install the bottom end cap.


NOTE: The lip on the intermediate one-way clutch inner race must face up. The shoulder on the outer race must face up. Make sure the race turns counterclockwise.
Install the intermediate one-way clutch and the top end cap. Install the intermediate one-way clutch outer race and verify that it turns counterclockwise.


Using a light film of petroleum jelly, install the 8A intermediate brake drum thrust washer on the face of the intermediate brake drum.

Overdrive Center Shaft/Coast Clutch
NOTE: All friction clutch plates must be soaked in clean Mercon® Multi-purpose Automatic Transmission Fluid XT-2-QDX (or Mercon® equivalent) for 15 minutes.
Install the center shaft assembly onto the coast clutch. Install the coast clutch pack onto the center shaft assembly (starting with a steel plate and alternating with friction plates). Install a pressure plate and retaining ring.