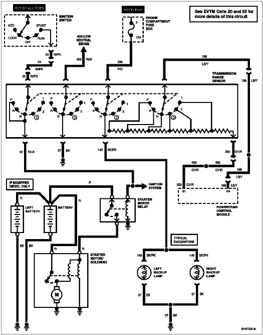
Section 07-14A: Transmission Range (TR) Sensor | 1996 F-Series and Bronco Equipped with E4OD and 4R70W Transmissions Workshop Manual |


| Pin Number | Circuit | Circuit Function |
|---|---|---|
| 1 | 57 (BK) | Ground Circuit |
| 2 | 359 (GY/R) | Sensor Signal Return |
| 3 | 199 (LB/Y) | Manual Lever Position Sensor to EEC Module |
| 4 | 463 (R/W) | Electric Transfer Case Module to Transmission Range Sensor |
| 5 | 33 (W/PK) | Starter Control to Interlock Module |
| 6 | 140 (BK/PK) | Backup Lamp |
| 7 | 298 (P/O) | Fused Run Only Feed |
| 8 | 32 (R/LB) | Starter Control |

| Pin Number | Circuit | Circuit Function |
|---|---|---|
| 1 | 32 (R/LB) | Starter Control |
| 2 | 298 (P/O) | Fused Run Only Feed |
| 3 | 140 (BK/PK) | Backup Lamp |
| 4 | 33 (W/PK) | Starter Control to Interlock Module |
| 5 | 57 (BK) | Ground Circuit |
| 6 | 199 (LB/Y) | Manual Lever Position Sensor to EEC Module |
| 7 | 359 (GY/R) | Sensor Signal Return |
| 8 | 463 (R/W) | Electric Transfer Case Module to Transmission Range Sensor |

| Pin Number | Circuit | Circuit Function |
|---|---|---|
| 1 | 315 (P/O) | PCM to Transmission Shift Solenoid No. 2 |
| 2 | 658 (P/LG) | PCM to Check Engine Indicator Lamp |
| 3 | — | Not Used |
| 4 | — | Not Used |
| 5 | — | Not Used |
| 6 | 651 (BK/Y) | Dedicated Ground |
| 7 | — | Not Used |
| 8 | — | Not Used |
| 9 | — | Not Used |
| 10 | — | Not Used |
| 11 | — | Not Used |
| 12 | — | Not Used |
| 13 | 107 (P) | PCM Flash EEPROM Power Supply |
| 14 | 784 (LB/BK) | 4x4 Low Range Switch to PCM or Indicator Lamp |
| 15 | 915 (PK/LB) | J1850 Bus Negative/Data Negative (Return) to PCM |
| 16 | 914 (T/O) | J1850 Bus Positive/Data Positive |
| 17 | — | Not Used |
| 18 | — | Not Used |
| 19 | — | Not Used |
| 20 | — | Not Used |
| 21 | — | Not Used |
| 22 | — | Not Used |
| 23 | 259 (O/R) | Dedicated Ground to TFI Module |
| 24 | 570 (BK/W) | Dedicated Ground — PCM |
| 25 | 875 (BK/LB) | Ground Logic Module |
| 26 | — | Not Used |
| 27 | 237 (O/Y) | PCM to Transmission Shift Solenoid No. 1 |
| 28 | — | Not Used |
| 29 | 224 (T/W) | Transmission Overdrive Cancel Switch to PCM |
| 30 | — | Not Used |
| 31 | — | Not Used |
| 32 | — | Not Used |
| 33 | 676 (PK/O) | Vehicle Speed Sensor — Negative (Return) to PCM |
| 34 | — | Not Used |
| 35 | 392 (R/LG) | Heated Exhaust Gas Oxygen Sensor No. 3 to PCM |
| 36 | 968 (T/LB) | Mass Airflow Return |
| 37 | 923 (O/BK) | Transmission Oil Temperature to PCM |
| 38 | 354 (LG/R) | Engine Coolant Temperature Sensor to PCM |
| 39 | 743 (GY) | Air Charge Temperature Sensor to PCM |
| 40 | 238 (DG/Y) | Fuel Pump Monitor to PCM/Fuel Pump Relay to Safety Switch |
| 41 | 198 (DG/O) | A/C Pressure Switch to Control Relay |
| 42 | — | Not Used |
| 43 | — | Not Used |
| 44 | 200 (BR) | PCM to Air Management No. 2 (Was TAD) |
| 45 | — | Not Used |
| 46 | — | Not Used |
| 47 | 360 (BR/PK) | PCM to Electronic Vacuum Regulator — Constant Current |
| 48 | 382 (Y/BK) | PCM to Test Connector No. 2 |
| 49 | 395 (O/BK) | Profile Ignition Pickup to PCM |
| 50 | 929 (PK) | PCM to Spark Angle Pulse Width/Spark Output |
| 51 | 570 (BK/W) | Dedicated Ground — PCM |
| 52 | — | Not Used |
| 53 | 924 (BR/O) | PCM to Transmission Coast Clutch Solenoid |
| 54 | 480 (P/Y) | PCM to Transmission Converter Clutch Control |
| 55 | 37 (Y) | Battery to Load |
| 56 | 191 (LG/BK) | PCM Top Vapor Management Valve — Constant Current |
| 57 | 310 (Y/R) | Knock Sensor No. 1 to PCM |
| 58 | 679 (GY/BK) | Vehicle Speed Sensor — Plus to PCM |
| 59 | 917 (DG/LG) | Misfire Detection Sensor Feed |
| 60 | 74 (GY/LB) | Heated Exhaust Gas Oxygen Sensor No. 1 to PCM |
| 61 | — | Not Used |
| 62 | — | Not Used |
| 63 | — | Not Used |
| 64 | 199 (LB/Y) | Manual Lever Position Sensor to PCM |
| 65 | 352 (BR/LG) | Delta Exhaust Pressure Transducer to PCM |
| 66 | — | Not Used |
| 67 | — | Not Used |
| 68 | — | Not Used |
| 69 | 331 (PK/Y) | PCM to Wide-Open Throttle A/C Cutout Switch |
| 70 | 190 (W/O) | PCM to Air Management No. 1 (Was TAB) |
| 71 | 361 (R) | Power Output from PCM Relay |
| 72 | — | Not Used |
| 73 | 559 (T) | PCM to Fuel Injector No. 5 Cylinder |
| 74 | 557 (W) | PCM to Fuel Injector No. 3 Cylinder |
| 75 | 555 (Y/BK) | PCM to Fuel Injector No. 1 Cylinder or Bank No. 1 |
| 76 | 570 (BK/W) | Dedicated Ground — PCM |
| 77 | 570 (BK/W) | Dedicated Ground — PCM |
| 78 | — | Not Used |
| 79 | 911 (W/LG) | PCM to Output Circuit Indicator Lamp/Overdrive Cancel Indicator |
| 80 | 926 (LB/O) | PCM to Fuel Pump Relay Control |
| 81 | 925 (W/Y) | PCM to Electronic Pressure Control No. 1 |
| 82 | — | Not Used |
| 83 | 264 (W/LB) | PCM to Idle Speed Control Motor No. 1 |
| 84 | — | Not Used |
| 85 | — | Not Used |
| 86 | — | Not Used |
| 87 | 94 (R/BK) | Heated Exhaust Gas Oxygen Sensor No. 2 |
| 88 | 967 (LB/PK) | Mass Airflow Sensor to PCM |
| 89 | 355 (GY/W) | Throttle Position Sensor to PCM/Diesel Fuel Injector Pump Lever Sensor |
| 90 | 351 (BR/W) | Power to Engine Sensors |
| 91 | 359 (GY/R) | Sensor Signal Return |
| 92 | 511 (LG) | Stoplamp (Brake On/Off) Switch to Stoplamps |
| 93 | 387 (R/W) | HEGO Sensor Heater Voltage Monitor No. 1 to PCM |
| 94 | 388 (Y/LB) | HEGO Sensor Heater Voltage Monitor No. 2 to PCM |
| 95 | 389 (W/BK) | HEGO Sensor Heater Voltage Monitor No. 3 to PCM |
| 96 | — | Not Used |
| 97 | 361 (R) | Power Output from PCM Relay |
| 98 | — | Not Used |
| 99 | 560 (LG/O) | PCM to Fuel Injector No. 6 Cylinder |
| 100 | 558 (BR/LB) | PCM to Fuel Injector No. 4 Cylinder |
| 101 | 556 (W) | PCM to Fuel Injector No. 2 Cylinder or Bank No. 2 |
| 102 | — | Not Used |
| 103 | 570 (BK/W) | Dedicated Ground — PCM |
| 104 | — | Not Used |

| Pin Number | Circuit | Circuit Function |
|---|---|---|
| 1 | 315 (P/O) | PCM to Transmission Shift Solenoid No. 2 |
| 2 | 658 (PK/LG) | PCM to Check Engine Indicator Lamp |
| 3 | — | Not Used |
| 4 | — | Not Used |
| 5 | — | Not Used |
| 6 | 651 (BK/Y) | Dedicated Ground |
| 7 | — | Not Used |
| 8 | — | Not Used |
| 9 | — | Not Used |
| 10 | — | Not Used |
| 11 | — | Not Used |
| 12 | — | Not Used |
| 13 | 107 (P) | PCM Flash EEPROM Power Supply |
| 14 | 784 (LB/BK) | 4x4 Low Range Switch to PCM or Indicator Lamp |
| 15 | 915 (PK/LB) | J1850 Bus Negative/Data Negative (Return) to PCM |
| 16 | 914 (T/O) | J1850 Bus Positive/Data Positive |
| 17 | — | Not Used |
| 18 | — | Not Used |
| 19 | — | Not Used |
| 20 | — | Not Used |
| 21 | — | Not Used |
| 22 | — | Not Used |
| 23 | 259 (O/R) | Dedicated Ground to TFI Module |
| 24 | 570 (BK/W) | Dedicated Ground — PCM |
| 25 | 875 (BK/LB) | Ground Logic Module |
| 26 | — | Not Used |
| 27 | 237 (O/Y) | PCM to Transmission Shift Solenoid No. 1 |
| 28 | — | Not Used |
| 29 | 224 (T/LG) | Transmission Overdrive Cancel Switch to PCM |
| 30 | — | Not Used |
| 31 | — | Not Used |
| 32 | — | Not Used |
| 33 | 676 (PK/O) | Vehicle Speed Sensor — Negative (Return) to PCM |
| 34 | — | Not Used |
| 35 | 392 (P/LG) | Heated Exhaust Gas Oxygen Sensor No. 3 to PCM |
| 36 | 968 (T/LB) | Mass Airflow Return |
| 37 | 923 (O/BK) | Transmission Oil Temperature to PCM |
| 38 | 354 (LG/R) | Engine Coolant Temperature Sensor to PCM |
| 39 | 743 (GY) | Air Charge Temperature Sensor to PCM |
| 40 | 238 (DG/Y) | Fuel Pump Monitor to PCM/Fuel Pump Relay to Safety Switch |
| 41 | 198 (DG/O) | A/C Pressure Switch to Control Relay |
| 42 | — | Not Used |
| 43 | — | Not Used |
| 44 | 200 (BR) | PCM to Air Management No. 2 (Was TAD) |
| 45 | — | Not Used |
| 46 | — | Not Used |
| 47 | 360 (BR/PK) | PCM to Electronic Vacuum Regulator — Constant Current |
| 48 | 382 (Y/BK) | PCM to Test Connector No. 2 |
| 49 | 395 (GY/O) | Profile Ignition Pickup to PCM |
| 50 | 929 (PK) | PCM to Spark Angle Pulse Width/Spark Output |
| 51 | 570 (BK/W) | Dedicated Ground — PCM |
| 52 | — | Not Used |
| 53 | 924 (BR/O) | PCM to Transmission Coast Clutch Solenoid |
| 54 | 480 (P/Y) | PCM to Transmission Converter Clutch Control |
| 55 | 37 (Y) | Battery to Load |
| 56 | 191 (LG/BK) | PCM Top Vapor Management Valve — Constant Current |
| 57 | 310 (Y/R) | Knock Sensor No. 1 to PCM |
| 58 | 679 (GY/BK) | Vehicle Speed Sensor — Plus to PCM |
| 59 | 917 (DG/LG) | Misfire Detection Sensor — Feed |
| 60 | 74 (GY/LB) | Heated Exhaust Gas Oxygen Sensor No. 1 to PCM |
| 61 | — | Not Used |
| 62 | — | Not Used |
| 63 | — | Not Used |
| 64 | 199 (LB/Y) | Manual Lever Position Sensor to PCM |
| 65 | 352 (BR/LG) | Delta Exhaust Pressure Transducer to PCM |
| 66 | — | Not Used |
| 67 | — | Not Used |
| 68 | — | Not Used |
| 69 | — | Not Used |
| 70 | 190 (W/O) | PCM to Air Management No. 1 (Was TAB) |
| 71 | 361 (R) | Power Output from PCM Relay |
| 72 | 561 (T/R) | PCM to Fuel Injector No. 7 Cylinder |
| 73 | 559 (T/BK) | PCM to Fuel Injector No. 5 Cylinder |
| 74 | 557 (W) | PCM to Fuel Injector No. 3 Cylinder |
| 75 | 555 (T) | PCM to Fuel Injector No. 1 Cylinder or Bank No. 1 |
| 76 | 570 (BK/W) | Dedicated Ground — PCM |
| 77 | 570 (BK/W) | Dedicated Ground — PCM |
| 78 | — | Not Used |
| 79 | 911 (W/LG) | PCM to Output Circuit Indicator Lamp/Overdrive Cancel Indicator |
| 80 | 926 (LB/O) | PCM to Fuel Pump Relay Control |
| 81 | 925 (W/Y) | PCM to Electronic Pressure Control No. 1 |
| 82 | — | Not Used |
| 83 | 264 (W/LB) | PCM to Idle Speed Control Motor No. 1 |
| 84 | 136 (DB/Y) | Output Shaft Speed to PCM |
| 85 | — | Not Used |
| 86 | — | Not Used |
| 87 | 94 (R/BK) | Heated Exhaust Gas Oxygen Sensor No. 2 |
| 88 | 967 (LB/R) | Mass Airflow Sensor to PCM |
| 89 | 355 (GY/W) | Throttle Position Sensor to PCM/Diesel Fuel Injector Pump Lever Sensor |
| 90 | 351 (BR/W) | Power to Engine Sensors |
| 91 | 359 (GY/R) | Sensor Signal Return |
| 92 | 511 (LG) | Stoplamp (Brake On/Off) Switch to Stoplamps |
| 93 | 387 (R/W) | HEGO Sensor Heater Voltage Monitor No. 1 to PCM |
| 94 | 388 (Y/LB) | HEGO Sensor Heater Voltage Monitor No. 2 to PCM |
| 95 | 389 (W/BK) | HEGO Sensor Heater Voltage Monitor No. 3 to PCM |
| 96 | — | Not Used |
| 97 | 361 (R) | Power Output from PCM Relay |
| 98 | 562 (LB) | PCM to Fuel Injector No. 8 Cylinder |
| 99 | 560 (LG/O) | PCM to Fuel Injector No. 6 Cylinder |
| 100 | 558 (BR/LB) | PCM to Fuel Injector No. 4 Cylinder |
| 101 | 556 (W) | PCM to Fuel Injector No. 2 Cylinder or Bank No. 2 |
| 102 | — | Not Used |
| 103 | 570 (BK/W) | Dedicated Ground — PCM |
| 104 | — | Not Used |

| Pin Number | Circuit | Circuit Function |
|---|---|---|
| 1 | 315 (P/O) | PCM to Transmission Shift Solenoid No. 2 |
| 2 | 658 (PK/LG) | PCM to Check Engine Indicator Lamp |
| 3 | — | Not Used |
| 4 | — | Not Used |
| 5 | — | Not Used |
| 6 | 651 (BK/Y) | Dedicated Ground |
| 7 | — | Not Used |
| 8 | — | Not Used |
| 9 | — | Not Used |
| 10 | — | Not Used |
| 11 | — | Not Used |
| 12 | — | Not Used |
| 13 | 107 (P) | PCM Flash EEPROM Power Supply |
| 14 | 784 (LB/BK) | 4x4 Low Range Switch to PCM or Indicator Lamp |
| 15 | 915 (PK/LB) | J1850 Bus Negative/Data Negative (Return) to PCM |
| 16 | 914 (T/O) | J1850 Bus Positive/Data Positive |
| 17 | — | Not Used |
| 18 | — | Not Used |
| 19 | — | Not Used |
| 20 | — | Not Used |
| 21 | — | Not Used |
| 22 | — | Not Used |
| 23 | 259 (O/R) | Dedicated Ground to TFI Module |
| 24 | 570 (BK/W) | Dedicated Ground — PCM |
| 25 | 875 (BK/LB) | Ground Logic Module |
| 26 | — | Not Used |
| 27 | 237 (O/Y) | PCM to Transmission Shift Solenoid No. 1 |
| 28 | — | Not Used |
| 29 | 224 (T/W) | Transmission Overdrive Cancel Switch to PCM |
| 30 | — | Not Used |
| 31 | — | Not Used |
| 32 | — | Not Used |
| 33 | 676 (P/O) | Vehicle Speed Sensor — Negative (Return) to PCM |
| 34 | — | Not Used |
| 35 | 392 (R/LG) | Heated Exhaust Gas Oxygen Sensor No. 3 to PCM |
| 36 | 968 (T/LB) | Mass Airflow Return |
| 37 | 923 (O/BK) | Transmission Oil Temperature to PCM |
| 38 | 354 (LG/R) | Engine Coolant Temperature Sensor to PCM |
| 39 | 743 (GY) | Air Charge Temperature Sensor to PCM |
| 40 | 238 (DG/Y) | Fuel Pump Monitor to PCM/Fuel Pump Relay to Safety Switch |
| 41 | 198 (DG/O) | A/C Pressure Switch to Control Relay |
| 42 | — | Not Used |
| 43 | — | Not Used |
| 44 | 200 (BR) | PCM to Air Management No. 2 (Was TAD) |
| 45 | — | Not Used |
| 46 | — | Not Used |
| 47 | 360 (BR/PK) | PCM to Electronic Vacuum Regulator — Constant Current |
| 48 | 382 (Y/BK) | PCM to Test Connector No. 2 |
| 49 | 395 (GY/O) | Profile Ignition Pickup to PCM |
| 50 | 929 (PK) | PCM to Spark Angle Pulse Width/Spark Output |
| 51 | 570 (BK/W) | Dedicated Ground — PCM |
| 52 | — | Not Used |
| 53 | 924 (BR/O) | PCM to Transmission Coast Clutch Solenoid |
| 54 | 480 (P/Y) | PCM to Transmission Converter Clutch Control |
| 55 | 37 (Y) | Battery to Load |
| 56 | 191 (LG/BK) | PCM Top Vapor Management Valve — Constant Current |
| 57 | 310 (Y/R) | Knock Sensor No. 1 to PCM |
| 58 | 679 (Y) | Vehicle Speed Sensor — Positive to PCM |
| 59 | 917 (DG/LG) | Misfire Detection Sensor — Feed |
| 60 | 74 (GY/LB) | Heated Exhaust Gas Oxygen Sensor No. 1 to PCM |
| 61 | — | Not Used |
| 62 | — | Not Used |
| 63 | — | Not Used |
| 64 | 199 (LB/Y) | Manual Lever Position Sensor to PCM |
| 65 | 352 (BR/LG) | Delta Exhaust Pressure Transducer to PCM |
| 66 | — | Not Used |
| 67 | — | Not Used |
| 68 | — | Not Used |
| 69 | 331 (PK/Y) | PCM to Wide-Open Throttle A/C Cutout Switch |
| 70 | 190 (W/O) | PCM to Air Management No. 1 (Was TAB) |
| 71 | 361 (R) | Power Output from PCM Relay |
| 72 | — | Not Used |
| 73 | 559 (T/BK) | PCM to Fuel Injector No. 5 Cylinder |
| 74 | 557 (BR/Y) | PCM to Fuel Injector No. 3 Cylinder |
| 75 | 555 (T) | PCM to Fuel Injector No. 1 Cylinder or Bank No. 1 |
| 76 | 570 (BK/W) | Dedicated Ground — PCM |
| 77 | 570 (BK/W) | Dedicated Ground — PCM |
| 78 | — | Not Used |
| 79 | 911 (W/LG) | PCM to Output Circuit Indicator Lamp/Overdrive Cancel Indicator |
| 80 | 926 (LB/O) | PCM to Fuel Pump Relay Control |
| 81 | 925 (W/Y) | PCM to Electronic Pressure Control No. 1 |
| 82 | — | Not Used |
| 83 | 264 (W/LB) | PCM to Idle Speed Control Motor No. 1 |
| 84 | — | Not Used |
| 85 | — | Not Used |
| 86 | — | Not Used |
| 87 | 94 (O/W) | Heated Exhaust Gas Oxygen Sensor No. 2 |
| 88 | 967 (LB/R) | Mass Airflow Sensor to PCM |
| 89 | 355 (GY/W) | Throttle Position Sensor to PCM/Diesel Fuel Injector Pump Lever Sensor |
| 90 | 351 (BR/W) | Power to Engine Sensors |
| 91 | 359 (GY/R) | Sensor Signal Return |
| 92 | 511 (LG) | Stoplamp (Brake On/Off) Switch to Stoplamps |
| 93 | 387 (R/W) | HEGO Sensor Heater Voltage Monitor No. 1 to PCM |
| 94 | 388 (Y/LB) | HEGO Sensor Heater Voltage Monitor No. 2 to PCM |
| 95 | 389 (W/BK) | HEGO Sensor Heater Voltage Monitor No. 3 to PCM |
| 96 | — | Not Used |
| 97 | 361 (R) | Power Output from PCM Relay |
| 98 | — | Not Used |
| 99 | 560 (LG/O) | PCM to Fuel Injector No. 6 Cylinder |
| 100 | 558 (BR/LB) | PCM to Fuel Injector No. 4 Cylinder |
| 101 | 556 (W) | PCM to Fuel Injector No. 2 Cylinder or Bank No. 2 |
| 102 | — | Not Used |
| 103 | 570 (BK/W) | Dedicated Ground — PCM |
| 104 | — | Not Used |

| Pin Number | Circuit | Circuit Function |
|---|---|---|
| 1 | 37 (Y) | Battery to Load |
| 2 | 511 (LG) | Stoplamp (Brake On/Off) Switch to Stoplamps |
| 3 | 679 (GY/BK) | Vehicle Speed Sensor — Positive to PCM |
| 4 | 382 (Y/BK) | PCM to Test Connector No. 2 |
| 5 | — | Not Used |
| 6 | 676 (PK/O) | Vehicle Speed Sensor — Negative (Return) to PCM |
| 7 | 354 (LG/R) | Engine Coolant Temperature Sensor to PCM |
| 8 | 238 (DG/Y) | Fuel Pump Monitor to PCM/Fuel Pump Relay to Safety Switch |
| 9 | 915 (PK/LB) | J1850 Bus Negative/Data Negative (Return) to PCM |
| 10 | 198 (DG/O) | A/C Pressure Switch to Control Relay |
| 11 | 200 (BR) | PCM to Air Management No. 2 (Was TAD) |
| 12 | 784 (LB/BK) | 4x4 Low Range Switch to PCM or Indicator Lamp |
| 13 | — | Not Used |
| 14 | — | Not Used |
| 15 | — | Not Used |
| 16 | 259 (O/R) | Dedicated Ground to TFI Module |
| 17 | 658 (PK/LG) | PCM to Check Engine Indicator Lamp |
| 18 | — | Not Used |
| 19 | 315 (P/O) | PCM to Transmission Shift Solenoid No. 2 |
| 20 | 57 (BK) | Ground Circuit |
| 21 | 264 (W/LB) | PCM to Idle Speed Control Motor No. 1 |
| 22 | 926 (LB/O) | PCM to Fuel Pump Relay Control |
| 23 | — | Not Used |
| 24 | — | Not Used |
| 25 | 743 (GY) | Air Charge Temperature Sensor to PCM |
| 26 | 351 (BR/W) | Power to Engine Sensors |
| 27 | 352 (BR/LG) | Delta Exhaust Pressure Transducer to PCM |
| 28 | 914 (T/O) | J1850 Bus Positive/Data Positive |
| 29 | 74 (GY/LB) | Heated Exhaust Gas Oxygen Sensor No. 1 to PCM |
| 30 | 199 (LB/Y) | Manual Lever Position Sensor to PCM |
| 31 | 101 (GY/Y) | PCM to Canister Purge Solenoid |
| 32 | 911 (W/LG) | PCM to Output Circuit Indicator Lamp/Overdrive Cancel Indicator |
| 33 | 360 (BR/PK) | PCM to Electronic Vacuum Regulator — Constant Current |
| 34 | — | Not Used |
| 35 | — | Not Used |
| 36 | 929 (PK) | PCM to Spark Angle Pulse Width/Spark Output |
| 37 | 361 (R) | Power Output from PCM Relay |
| 38 | 925 (W/Y) | PCM to Electronic Pressure Control No. 1 |
| 39 | — | Not Used |
| 40 | 570 (BK/W) | Dedicated Ground — PCM |
| 41 | 224 (T/W) | Transmission Overdrive Cancel Switch to PCM |
| 42 | 923 (O/BK) | Transmission Oil Temperature to PCM |
| 43 | 348 (P) | A/C Demand Signal |
| 44 | — | Not Used |
| 45 | 358 (LG/BK) | Manifold Absolute Pressure to PCM |
| 46 | 359 (GY/R) | Sensor Signal Return |
| 47 | 355 (GY/W) | Throttle Position Sensor to PCM/Diesel Fuel Injector Pump Lever Sensor |
| 48 | 209 (W/P) | Self Test Input to PCM |
| 49 | 89 (O) | Exhaust Gas Oxygen Sensor Return to PCM |
| 50 | — | Not Used |
| 51 | 190 (W/O) | PCM to Air Management No. 1 (Was TAB) |
| 52 | 237 (O/Y) | PCM to Transmission Shift Solenoid No. 1 |
| 53 | 480 (P/Y) | PCM to Transmission Converter Clutch Control |
| 54 | — | Not Used |
| 55 | 924 (BR/O) | PCM to Transmission Coast Clutch Solenoid |
| 56 | 395 (GY/O) | Profile Ignition Pickup to PCM |
| 57 | 361 (R) | Power Output from PCM Relay |
| 58 | 555 (T) | PCM to Fuel Injector No. 1 Cylinder or Bank No. 2 |
| 59 | 556 (W) | PCM to Fuel Injector No. 2 Cylinder or Bank No. 2 |
| 60 | 570 (BK/W) | Dedicated Ground — PCM |