Section 10-01A: Fuel Tank, Filters, Tubes and Electric Fuel Pump, Gasoline Engines | 1996 F-150, F-250, F-350, F-Super Duty and Bronco with Gasoline Engines Workshop Manual |
Removal
CAUTION: Care must be taken when installing the fuel tank (9002) to make sure
the fuel tubes do not become kinked.
Raise the rear of the vehicle.
NOTE: When the battery (10655) is disconnected and reconnected, some abnormal drive symptoms may occur while the powertrain control module (PCM) (12A650) relearns its adaptive strategy. The vehicle may need to be driven 16 km (10 miles) or more to relearn the strategy.
To avoid electrical sparking at the fuel tank, disconnect battery ground cable (14301). Then disconnect the connector from fuel tank sending unit and pump near the fuel tank.
Using Rotunda Fuel Storage Tanker 164-R3201 or equivalent, drain fuel tank. Drain both fuel tanks on dual tank vehicles.
Disconnect the fuel tube push-connect fittings at the fuel tank sending unit and pump, according to instructions in Push-Connect Fittings, Steel in the Removal and Installation portion of this section.
Loosen the clamp on the fuel tank filler pipe (9034). Disconnect the fuel tank filler pipe by pulling along the rubber inner tube from the filler neck.
If removing the metal-type fuel tank, support the fuel tank and remove the bolts attaching the fuel tank support strap (9092) to the frame (5005). Carefully lower the fuel tank and disconnect the vent tube(s) from the vapor emission control valve in the top of the fuel tank. Finish removing the fuel tank filler pipe and fuel tank filler pipe vent hose if not possible in Step 5. Remove the fuel tank from under the vehicle.
If removing the plastic-type fuel tank, support the fuel tank and remove the bolts attaching the combination skid plate and tank support to the frame. Carefully lower the fuel tank and disconnect the vent tube(s) from the vapor emission control valve in the top of the fuel tank. Complete removing the fuel tank filler pipe if not possible in Step 5. Remove the skid plate and fuel tank from under the vehicle. Disassemble the skid plate from the tank.
Installation
Follow removal procedures in reverse order.
CAUTION: The frame crossmember in front of the tank is narrower at the center to provide clearance for the fuel tubes. Be sure the tubes cross this portion of the crossmember on reinstallation to prevent damage to the tubes and restriction of fuel flow.
Grasp the three hoses about 300mm (12 inches) forward of the crossmember. Hold the hoses taut while installing the fuel tank. This will prevent the fuel tubes from becoming kinked, which will cause restricted fuel flow.
Use a thread adhesive (such as Loctite® or equivalent) on metal fuel tank attaching nuts and bolts. Tighten all fasteners to specifications.
Steel Aft-of-Axle Tank Installation, F-150, F-250, F-350, 116-, 113-, 138- and 115-Inch Wheelbase

| Item | Part Number | Description |
|---|---|---|
| 1 | 9002 | Fuel Tank |
| 2 | 9092 | Fuel Tank Support Strap |
| 3 | N801380-S100 | Bolt |
| 4 | 382873-S2 | Washer |
| 5 | N620482-S2 | Nut |
| 6 | 9C045 | Stone Shield (LH) |
| 7 | 9053 | Fuel Tank Support |
| 8 | 9240 | Insulator |
| 9 | 9K015 | Stone Shield (RH) |
| 10 | 34976-S362 | Nut |
| A | — | Tighten to 34-46 Nm (25-34 Lb-Ft) |
Plastic Aft-of-Axle Tank Installation, F-350, 136.8- and 160.8-Inch Wheelbase

| Item | Part Number | Description |
|---|---|---|
| 1 | 9C385 | Fuel Pump Locking Retainer Ring |
| 2 | 9092 | Fuel Tank Support Strap |
| 3 | W623484-S2 | Spring Washer |
| 4 | 9B227 | Hose and Valve Assembly |
| 5 | 9B076 | Seal |
| 6 | 9002 | Fuel Tank |
| 7 | N620482 | Nut, M10-1.5 |
| 8 | 9A148 | Skid Plate |
| 9 | N605920-S2 | Bolt, M10-1.5 |
| 10 | 379930-S2 | Nut |
| 11 | 56741 | Bolt, M10-1.5 |
| 12 | 5037 | Crossmember |
| 13 | N605801-S2 | Bolt |
| 14 | 40949-S2 | Screw |
| 15 | 9A032 | Shield |
| 16 | 5005 | Frame |
| 17 | 9B100 | Shield |
| A | — | Tighten to 34-46 Nm (25-34 Lb-Ft) |
| B | — | Tighten to Expose Thread Length 16-18mm (0.63-0.70 Inch) |
| C | — | Tighten to 10-14 Nm (8-10 Lb-Ft) |
| D | — | Tighten to 53-72 Nm (39-53 Lb-Ft) |
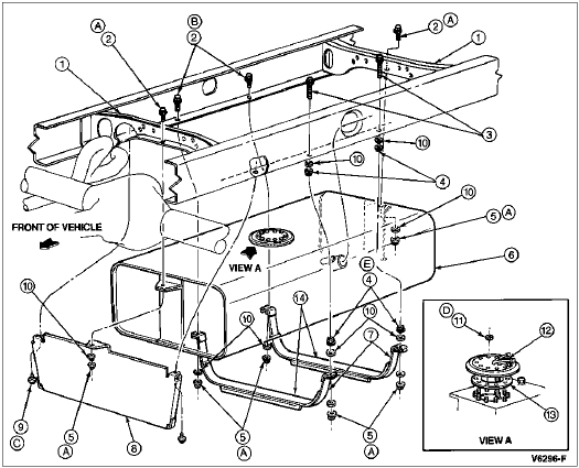
Fuel Tank, Aft-Of-Axle, F-Super Duty Motorhome Chassis
Aft-of-Axle 75-Gallon Tank

| Item | Part Number | Description |
|---|---|---|
| 1 | 5C054 | Crossmember |
| 2 | N802114-S2 | Bolt |
| 3 | N800898-S2 | Bolt |
| 4 | N808660-S100 | Nut |
| 5 | N804446-S160 | Nut |
| 6 | 9002 | Fuel Tank |
| 7 | 9092 | Fuel Tank Support Straps |
| 8 | 9B007 | Fuel Tank Shield (RH Exhaust Only) |
| 9 | W611636-S2 | Screw |
| 10 | N801616-S | Washer |
| 11 | N805320-S36 | Nut |
| 12 | 9H307 | Fuel Tank Sending Unit and Pump |
| 13 | 9276 | Fuel Level Sensor Gasket |
| 14 | 9240 | Fuel Tank Insulator |
| A | — | Tighten to 60-96 Nm (44-70 Lb-Ft) |
| B | — | Tighten to 60-90 Nm (44-67 Lb-Ft) |
| C | — | Tighten to 20-30 Nm (15-22 Lb-Ft) |
| D | — | Tighten to 7.5-9.5 Nm (67-84 Lb-In) |
| E | — | Allow 6mm (0.23 Inch) Gap |