Section 11-02C: Steering Pump, Power, ZF | 1996 F-Super Duty Motorhome Chassis Workshop Manual |
Always tag power steering pressure hoses (3A719) andpower steering return line hoses (3A005) before removal so they can be easily connected to their proper ports during installation.
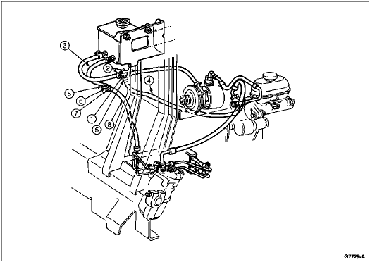
Refer to the following illustration for removal and installation.
Power Steering System
| Item | Part Number | Description |
|---|---|---|
| 1 | 389344-S100 | Tee |
| 2 | 97241-S8 | Clamp |
| 3 | 3A005 | Power Steering Return Line Hose (23-Inch) |
| 4 | 3A005 | Power Steering Return Line Hose (34-Inch) |
| 5 | 390462-S100 | Clamp |
| 6 | 3A713 | Power Steering Return Hose |
| 7 | 376240-S | Clamp |
| 8 | 3A713 | Power Steering Return Hose |