Section 11-03: Steering Linkage | 1996 F-150, F-250, F-350, Bronco and F-Super Duty Workshop Manual |
The steering linkage, which connects the steering gear sector shaft arm (3590) to the front wheel spindles (3105), is composed of a steering sector shaft arm drag link (3304) and tie rod end (3A130). The steering gear sector shaft arm transfers the steering gear (3504) movements through the steering sector shaft arm drag link and tie rod end to the right and left front wheel spindles.
The F-150, F-250, F-350, Bronco and F-Super Duty Chassis Cab steering linkage have adjustments in both the tie rod end and the steering sector shaft arm drag link.
The steering linkages on F-Super Duty Motorhome vehicles use spindle assemblies with separate front wheel spindle tie rods (3280). These are of the tapered arm or bolt-on arm types. A front wheel spindle tie rod, adjustable for toe-in, is connected between the left and right front wheel spindle tie rod adjusting sleeves (3310). A steering sector shaft arm drag link is connected between the steering arm on the left front wheel spindle and the steering gear sector shaft arm on the steering gear.
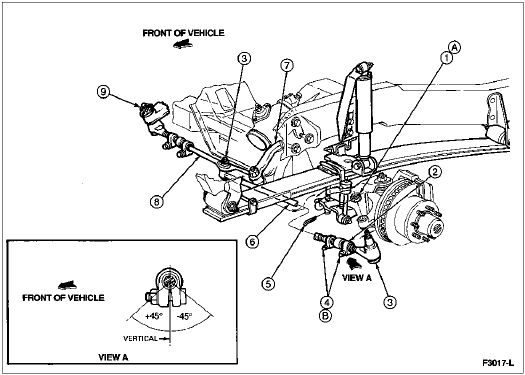
Steering Linkage, F-150 4x4 and Bronco
| Item | Part Number | Description |
|---|---|---|
| 1 | 3A131 | Tie Rod Ball Stud |
| 2 | 3310 | Front Wheel Spindle Tie Rod Adjusting Sleeve |
| 3 | 3304 | Steering Sector Shaft Arm Drag Link |
| 4 | — | Drag Link Ball Stud (Part of 3304) |
| 5 | 3A131 | Tie Rod |
| 6 | N800895-S56 | Nut |
| 7 | 3590 | Steering Gear Sector Shaft Arm |
| A | — | Tighten to 70-100 Nm (51-73 Lb-Ft) |

| Item | Part Number | Description |
|---|---|---|
| 1 | — | Tie Rod Ball Stud (Part of 3A131) |
| 2 | 3287 | Tie Rod Adjusting Sleeve Clamp |
| 3 | 3310 | Front Wheel Spindle Tie Rod Adjusting Sleeve |
| 4 | 642569 | Cotter Pin |
| 5 | N800895-S56 | Nut |
| 6 | 3A131 | Tie Rod End |
| 7 | 3304 | Steering Sector Shaft Arm Drag Link |
| 8 | — | Drag Link Ball Stud (Part of 3304) |
| A | — | Tighten to 70-100 Nm (51-73 Lb-Ft) |
| B | — | Tighten to 40-57 Nm (30-42 Lb-Ft) |

| Item | Part Number | Description |
|---|---|---|
| 1 | N800895-S56 | Nut |
| 2 | 3310 | Front Wheel Spindle Tie Rod Adjusting Sleeve |
| 3 | — | Tie Rod Ball Stud (Part of 3A131) |
| 4 | 3287 | Tie Rod Adjusting Sleeve Clamp |
| 5 | 642569 | Cotter Pin |
| 6 | 3B008 | Tie Rod |
| 7 | 3590 | Steering Gear Sector Shaft Arm |
| 8 | 3304 | Steering Sector Shaft Arm Drag Link |
| 9 | — | Drag Link Ball Stud (Part of 3304) |
| A | — | Tighten to 70-100 Nm (51-73 Lb-Ft) |
| B | — | Tighten to 40-57 Nm (30-42 Lb-Ft) |

| Item | Part Number | Description |
|---|---|---|
| 1 | N800895-S56 | Nut |
| 2 | N642569-S36 | Cotter Pin |
| 3 | N800895-S56 | Nut |
| 4 | 3287 | Tie Rod Adjusting Sleeve Clamp |
| 5 | 3E652 | Steering Damper Bracket |
| 6 | 3B008-DA | Steering Rod and Link Assembly |
| 7 | N806888-S56 | Nut and Washer |
| 8 | N806889-S | Insulator |
| 9 | 3E651 | Steering Damper |
| 10 | N801342-S2 | Nut and Washer |
| 11 | 5310 | Front Spring |
| 12 | 5458 | Spring Plate Spacer |
| 13 | 3B008 | Steering Rod and Link |
| A | — | Tighten to 70-100 Nm (51-73 Lb-Ft) |
| B | — | Tighten to 34-48 Nm (25-35 Lb-Ft) |
| C | — | Tighten to 115-163 Nm (85-120 Lb-Ft) |
| D | — | Tighten to 40-57 Nm (30-42 Lb-Ft) |

| Item | Part Number | Description |
|---|---|---|
| 1 | N800895-S56 | Nut |
| 2 | 3E651 | Damper |
| 3 | N806889-S | Insulator |
| 4 | N806888-S56 | Nut and Washer |
| 5 | 3280 (Tie Rod) | Front Wheel Spindle |
| A | — | Tighten to 78-103 Nm (58-76 Lb-Ft) |
| B | — | Tighten to 34-48 Nm (25-35 Lb-Ft) |

| Item | Part Number | Description |
|---|---|---|
| 1 | 3N503 | Power Steering Gear |
| 2 | 3B3218 | Nut |
| 3 | 58749-S2 | Bolt |
| 4 | N800895-S56 | Nut |
| 5 | 72071-S36 | Cotter Pin |
| 6 | 3146 | Steering Arm |
| 7 | 383219 | Nut |
| 8 | 72109-S36 | Cotter Pin |
| 9 | 33942-S2 | Lock Nut |
| 10 | 3130 | Steering Spindle Arm |
| 11 | 3280 | Front Wheel Spindle Tie Rod |
| 12 | 3105 | Front Wheel Spindle |
| 13 | 33942-S2 | Steering Stop Bolt |
| 14 | 3138 | Keys, Steering Spindle Arm |
| 15 | 3590 | Arm, Steering Gear Pitman |
| 16 | 383218-S100 | Nut |
| 17 | 3304 | Steering Sector Shaft Arm Drag Link |
| A | — | Tighten to 50-70 Nm (37-52 Lb-Ft) |
| B | — | Tighten to 70-100 Nm (51-73 Lb-Ft) |
| C | — | Tighten to 75-105 Nm (55-77 Lb-Ft) |
| D | — | Tighten to 300-400 Nm (220-300 Lb-Ft) |