Section 11-05: Steering Column Switches | 1996 F-150, F-250, F-350, F-Super Duty, F-Super Duty Motorhome and Bronco Workshop Manual |
Removal
Disconnect battery ground cable (14301).
Remove the steering column shroud (3530).
Remove two self-tapping screws that attach the multi-function switch (13K359) to the steering column tube casting. Disengage multi-function switch from casting.
Disconnect the two electrical connectors, using caution not to damage the locking tabs. Do not damage PRNDL cable.

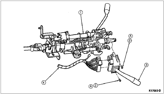
| Item | Part Number | Description |
|---|---|---|
| 1 | 3514 | Steering Column Tube |
| 2 | 390345-S36 | Screw |
| 3 | 13K359 | Multi-Function Switch |
| 4 | — | Wiring to Multi-Function Switch (Part of Main Wiring Harness 14401) |
| A | — | Tighten to 2-3 Nm (18-27 Lb-In) |

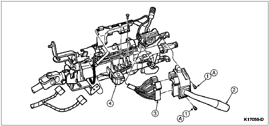
| Item | Part Number | Description |
|---|---|---|
| 1 | 390345-S36 | Screw |
| 2 | 13K359 | Multi-Function Switch |
| 3 | 14A320 | Headlamp Dimmer Switch Jumper Wiring |
| 4 | 3F723 | Steering Actuator Housing |
| A | — | Tighten to 2-3 Nm (18-27 Lb-In) |
Installation
Install the two switch electrical connectors to full engagement. The wiring for the switch is to be routed under the PRNDL cable.
Align the mounting holes on multi-function switch with the holes in the steering column tube casting. Install two self-tapping screws making sure to start the screws in the previously tapped holes. Tighten to 2-3 Nm (18-27 lb-in).
For automatic transmission (7003), verify that the PRNDL adjustment is correct.
Install the steering column shroud.
NOTE: When the battery has been disconnected and reconnected, some abnormal drive symptoms may occur while the powertrain control module (PCM) (12A650) relearns its adaptive strategy. The vehicle may need to be driven 16 km (10 miles) or more to relearn the strategy.
Connect the battery ground cable.
Check the steering column tube (3514) for proper operation.