Section 17-01: Lighting, Exterior | 1996 F-150, F-250, F-350, F-Super Duty Motorhome and Bronco Workshop Manual |








| Pin Number | Circuit | Circuit Function |
|---|---|---|
| B1 | 38 (BK/O) | Power (Hot at All Times) |
| B2 | 195 (T/W) | Power (Hot at All TImes) |
| I | 294 (W/LB) | Dimmer Output to Fused Interior Lamp Feed |
| IGN | 137 (Y/BK) | Power (Hot in ACC or RUN) |
| R | 14 (BR) | Headlamp Switch to Tail Lamp and Side Marker Lamps |
| H | 15 (R/Y) | Headlamp Dimmer Switch Feed Power (Hot in HEAD) |
| DN | 484 (O/BK) | Radio Illumination Feed |
| D1 | 54 (LG/Y) | Interior Lamp Switch Feed Power (Hot at All Times) |
| D2 | 55 (BK/PK) | Dome Lamp Switch to Dome Lamp |
| D2 | 706 (GY) | Headlamp Switch to Remote Keyless Entry Module |

| Pin Number | Circuit | Circuit Function |
|---|---|---|
| B1 | 38 (BK/O) | Power (Hot at All Times) |
| B2 | 195 (T/W) | Power (Hot at All Times) |
| I | 19 (LB/R) | Interior Lamps Feed |
| IGN | — | Not Used |
| R | 14 (BR) | Exterior Lamps Feed |
| H | 15 (R/Y) | Headlamp Dimmer Switch Feed Power (Hot in HEAD) |
| DN | — | Not Used |
| D1 | 57 (BK) | Interior Lamp Switch Feed |
| D2 | 53 (BK/LB) | Courtesy Lamp Switch to Courtesy Lamp |

| Pin Number | Circuit | Circuit Function |
|---|---|---|
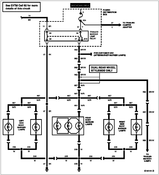
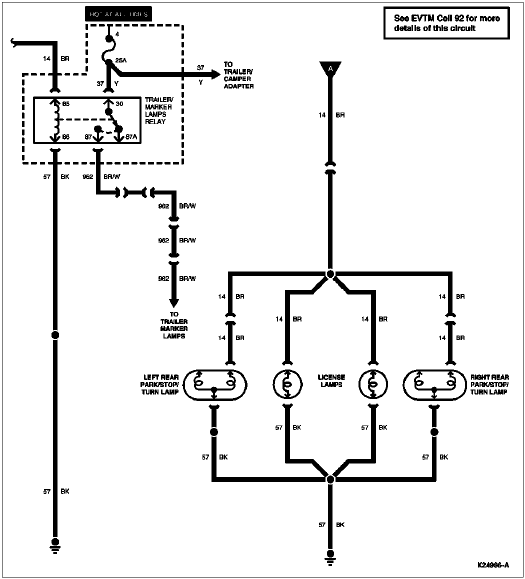
| 30 | 37 (Y) | Power (Hot at All Times) |
| 85 | 14 (BR) | Power (Hot in PARK or HEAD) |
| 86 | 57 (BK) | Ground |
| 87 | 962 (BR/W) | To Trailer Marker Lamps |
| 87A | — | Not Used |