Section 17-01: Lighting, Exterior | 1996 F-150, F-250, F-350, F-Super Duty Motorhome and Bronco Workshop Manual |





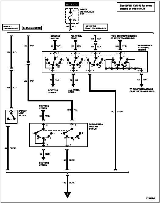
| Pin Number | Circuit | Circuit Function |
|---|---|---|
| 1 | — | Not Used |
| 2 | 32 (R/LB) | Starter Control |
| 3 | — | Not Used |
| 4 | 140 (BK/PK) | Backup Lamps (Hot in REVERSE) |
| 5 | — | Not Used |
| 6 | 298 (P/O) | Backup Lamps Power Feed (Hot in RUN) |
| 7 | — | Not Used |
| 8 | 33 (W/PK) | Starter Control to Interlock Module |

| Pin Number | Circuit | Circuit Function |
|---|---|---|
| 1 | *57 (BK) | Ground |
| 2 | 359 (GY/R) | Sensor Signal Return |
| 3 | 199 (LB/Y) | Transmission Range (TR) Position |
| 4 | *463 (R/W) | Transfer Case Module to Transmission Range Sensor |
| 5 | 33 (W/PK) | Starter Circuit |
| 6 | 140 (BK/PK) | Backup Lamps |
| 7 | 298 (P/O) | Power (Hot in RUN) |
| 8 | 32 (R/LB) | Starter Circuit |

| Pin Number | Circuit | Circuit Function |
|---|---|---|
| 1 | — | Not Used |
| 2 | 359 (GY/R) | Sensor Signal Return |
| 3 | 199 (LB/Y) | Transmission Range (TR) Position |
| 4 | — | Not Used |
| 5 | 33 (W/PK) | Starter Circuit |
| 6 | 140 (BK/PK) | Backup Lamps |
| 7 | 298 (P/O) | Power (Hot in RUN) |
| 8 | 32 (R/LB) | Starter Circuit |

| Pin Number | Circuit | Circuit Function |
|---|---|---|
| 1 | 32 (R/LB) | Starter Circuit |
| 2 | 298 (P/O) | Power (Hot in RUN) |
| 3 | 140 (BK/PK) | Backup Lamps |
| 4 | 32 (R/LB) | Starter Circuit |
| 5 | *57 (BK) | Ground |
| 6 | 199 (LB/Y) | Transmission Range (TR) Position |
| 7 | 359 (GY/R) | Sensor Signal Return |
| 8 | *463 (R/W) | Transfer Case Module to Transmission Range Sensor |

| Pin Number | Circuit | Circuit Function |
|---|---|---|
| 30 | 963 (BK/LG) | To Trailer Backup Lamps |
| 85 | 57 (BK) | Ground |
| 86 | 140 (BK/PK) | Power (Hot in REVERSE) |
| 87 | 37 (Y) | Power (Hot at All Times) |
| 87A | — | Not Used |