Section 17-04: Lamps, Daytime Running | 1996 F-150, F-250, F-350, F-Super Duty, Chassis Cab and Motorhome Chassis, and Bronco (Canadian Vehicles Only) Workshop Manual |






| Pin Number | Circuit | Circuit Function |
|---|---|---|
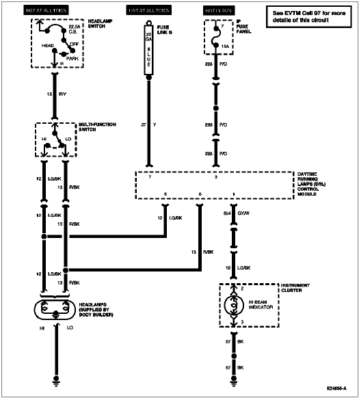
| 1 | 932 (GY/W) | High Beam Indicator |
| 2 | — | Not Used |
| 3 | 298 (P/O) | Power (Hot in RUN) |
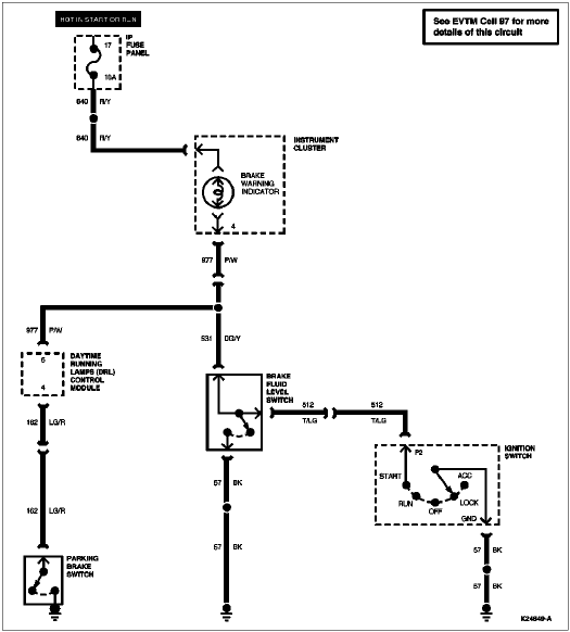
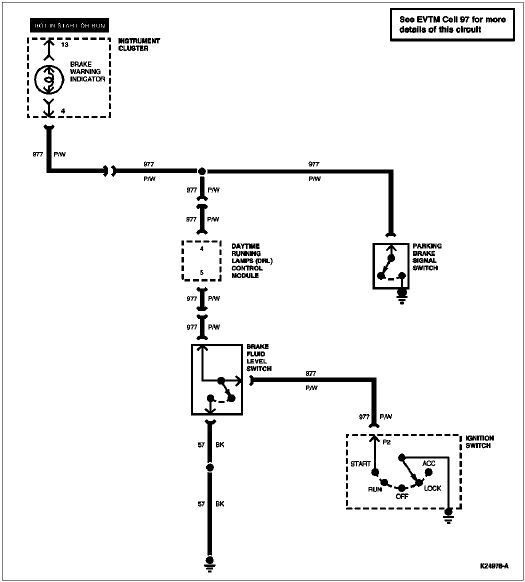
| 4 | 162 (LG/R) | Parking Brake Switch |
| 5 | 977 (P/W) | Brake Warning Indicator |
| 6 | 13 (R/BK) | Low Beams |
| 7 | 38 (BK/O) | Power (Hot at All Times) |
| 8 | 12 (LG/BK) | High Beams |

| Pin Number | Circuit | Circuit Function |
|---|---|---|
| 1 | 854 (GY/W) | High Beam Indicator |
| 2 | — | Not Used |
| 3 | 298 (P/O) | Power (Hot in RUN) |
| 4 | 977 (P/W) | Parking Brake Switch |
| 5 | 977 (P/W) | Brake Warning Indicator |
| 6 | 13 (R/BK) | Low Beams |
| 7 | 37 (Y) | Power (Hot at All Times) |
| 8 | 12 (LG/BK) | High Beams |

| Pin Number | Circuit | Circuit Function |
|---|---|---|
| 1 | 589 (O) | Output to Interval Governor |
| 2 | 15 (R/Y) | Power to Dimmer (Hot in HEAD) |
| 3 | 13 (R/BK) | Dimmer to Low Beams |
| 4 | 993 (BR/W) | Reference Voltage from Interval Governor |
| 5 | 12 (LG/BK) | Dimmer to High Beams |
| 6 | 590 (DB/W) | Output to Interval Governor |
| 7 | 196 (DB/O) | Battery Input, Flash-to-Pass |