Section 17-04: Lamps, Daytime Running | 1996 F-150, F-250, F-350, F-Super Duty, Chassis Cab and Motorhome Chassis, and Bronco (Canadian Vehicles Only) Workshop Manual |
Removal
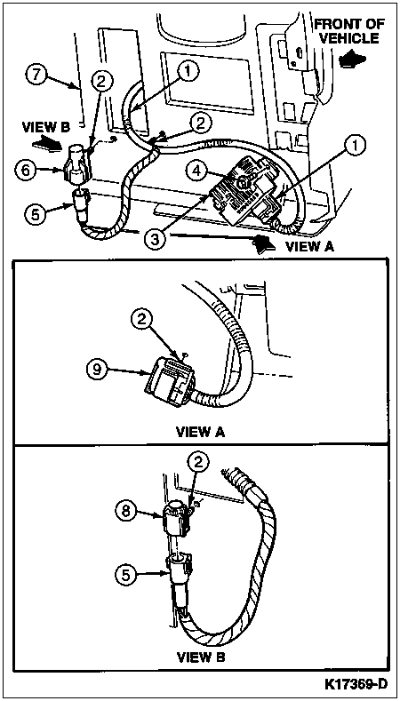
Remove screw retaining daytime running lamps control (15A272) to radiator support (16138).
Disconnect data link connector (14489).
Remove daytime running lamps control.
Installation
Follow removal procedures in reverse order.
Tighten retaining screw to 2.6-3.2 Nm (23-29 lb-in).

| Pin Number | Circuit | Circuit Function |
|---|---|---|
| 1 | 12A581 | Wiring Assembly |
| 2 | — | Locator (Part of 12A581) |
| 3 | 15A272 | Daytime Running Lamps Control |
| 4 | N610957 | Screw |
| 5 | — | To Ambient Temperature Sensor (Part of 12A581) |
| 6 | — | Ambient Temperature Sensor (Part of 12A581) |
| 7 | 15422 | Front End Air Seal |
| 8 | 14666 | Ambient Temperature Sensor Delete Cap |
| 9 | 14A624 | Cap |