Section 18-01: Wiring and Circuit Protection
1996 F-150, F-250, F-350, F-Super Duty Chassis Cab, Motorhome Chassis, and Bronco Workshop Manual
REMOVAL AND INSTALLATION

Wiring Harnesses

Refer to the illustrations for the harness being replaced while performing the following removal and installation procedures.

Removal

  1. Disconnect battery ground cable.

  1. NOTE: Refer to Section 01-05 if it is necessary to remove any trim panels to gain access to the harness.

    Disconnect all wiring harness connectors.

  1. Disengage harness from all locators, straps or clips as necessary, including ground wire eyelets. Remove harness from vehicles.

Installation

  1. Position harness in vehicle. Make sure harness is engaged in all locators, straps, and/or clips.

  1. Connect all harness connectors to components or other harness connectors as necessary.

  1. Secure ground eyelets to body as necessary.

  1. NOTE: When the battery has been disconnected and reconnected, some abnormal drive symptoms may occur while the powertrain control module (PCM) (12A650) relearns its adaptive strategy. The vehicle may need to be driven 16 km (10 miles) or more to relearn the strategy.

    Connect battery ground cable. Check all applicable circuits for proper operation.

  1. Install any trim removed during harness removal. Refer to Section 01-05.



    Warning Chime Module and Wiring






    Daytime Running Lamp and Wiring





    ItemPart NumberDescription
    112A581Wiring Assembly
    2Locator, Place in Hole Provided (Part of 14401)
    3N610957-S2Screw
    415A272Daytime Running Lamp Module
    5To Ambient Temperature Sensor
    6Ambient Temperature Sensor (Bronco Only) (Part of 14401)
    7Front End Air Seal (Part of 01610)
    814A624Cap
    914A666Ambient Temperature Sensor Connector Cap


    Fender Apron, Right, Gasoline Engines





    ItemPart NumberDescription
    1Place Locator in Hole Provided
    28496Radiator Support
    3To RH Headlamp
    4To RH Park
    5Body Grounds (Part of 12A581)
    6To Starter Motor Relay Battery Terminal
    711450Starter Motor Relay Assembly
    8To Starter Motor Relay (Part of 12A581)
    914305To Starter Motor Relay
    10To 14305
    1114305Wiring Assembly
    129F472Heated Oxygen Sensor Assembly — All Gasoline Engines Except 5.8L over 8500 and 7.5L
    1314B060Wiring Assembly
    1412A581Wiring Assembly
    15To RH Air Bag Sensor
    1610372Battery Tray
    17To RH Park and Turn Lamp
    18To Horns
    1914301Chassis Ground
    20N621906-S36Nut
    21N806925-S36MGStud
    22N806327-S190Screw
    2314B004Sensor and Bracket Assembly
    24Front End Sheet Metal Seal (Part of 5005)
    25For Continuation See Main View
    2612A581Wire Assembly
    27Cap
    ATighten to 10-14 Nm (7-10 Lb-Ft)


    Fender Apron, Right, F-Series with 7.3L Diesel Engine





    ItemPart NumberDescription
    116005Fender
    211452Starter Motor Relay
    3Locator, Position in Hole Provided
    412A581Wiring Assembly
    5Glow Plug Wiring (Part of 6007)
    614305Wiring Assembly
    7To Horn Assembly
    8To RH Park and Turn Lamp
    9To Headlamp
    1014A099Wiring Shield
    11N806972-S36MGScrew
    12N803991-S36Screw
    13381561-S36Nut and Washer Assembly
    1414A396Cap
    1514B060Wire Assembly
    ATighten to 7-9 Nm (62-80 Lb-In)


    Fender Apron, Left, Gasoline Engines





    ItemPart NumberDescription
    133777Nut
    216E555Insulator (Bronco Only)
    3Locator, Position in Hole Provided (Part of 12A581)
    4To LH Parking Lights
    5To LH Air Bag Sensor
    6To LH Headlamp
    7To LH Turn and Park
    812A581Wiring Assembly
    9To Canadian Daytime Running Lamp
    10N806972-S36MGScrew to Ground Wire Assembly
    11To Windshield Washer Pump
    122C279Anti-Lock Brake System Control Module Bracket and Assembly (40 Way) (Bronco Only)
    13To Anti-Lock Brake System Control Module
    14To Hydraulic Unit (8-Way) (Bronco Only)
    15To Pump Motor (4-Way) (Bronco Only)
    16N806327-S190Screw
    1714B005Sensor and Bracket Assembly
    188496Radiator Support
    19To Intake Air Temperature Sensor
    209A603Air Cleaner
    21To Mass Airflow Sensor
    ATighten to 9-13 Nm (80-115 Lb-In)
    BTighten to 5-7 Nm (44-62 Lb-In)
    CTighten to 10-14 Nm (7-10 Lb-Ft)


    Fender Apron, Left and Front End Wiring, F-Series with 7.3L Diesel Engine Without E4OD Transmission





    ItemPart NumberDescription
    116006Fender (LH)
    212A581Engine Control Sensor Wiring
    316055Fender Apron (LH)
    410732Battery Tray
    5To Engine Wiring (Part of 12A581)
    612A182Distributor Modulator Valve Switch
    7To 15525 Wire Assembly
    8To 14A346 Wire Assembly
    9To Brake Booster (Part of 12A581)
    10To Brake Pressure Switch (Part of 12A501)
    11To 76 Way Connector (Part of 12A581)
    12To PCM (Part of 12A581)
    13Power Distribution Box (Part of 12A581)
    1412B599Injector Driver Module
    15N800296-S301Screws (2 Req'd)
    16N621907-S301Nut (2 Req'd)


    Dash Panel Wiring, F-Series and Bronco with Gasoline Engines and 7.3L Diesel with E4OD Transmission





    ItemPart NumberDescription
    1Star Test Connector (Bronco Only)
    29C734Next Generation Speed Control and Bracket Assembly (All Except AOD Transmission)
    3To ERBP Test Connector
    412A581Wiring Assembly
    514A594Next Generation Speed Control Cap


    Dash Panel Wiring, F-Series with 7.3L Diesel Engine





    ItemPart NumberDescription
    115702Compartment Lamp
    212B599Injector Driver Module
    3Injector Drive Module Connector (Part of 12A581)
    4Bolt (Part of 12A581)
    512A581Engine Control Sensor Wiring
    612A650Powertrain Control Module
    715525Backup Lamp Switch to Rear Lamp Feed Wire
    814405Harness Clip
    919W704Harness Clip
    10To Brake Booster (Part of 15525)
    11N807783-S36Bolts (3 Req'd)
    12To Windshield Wiper Motor (Part of 12A581)
    13N381801-S55XScrew
    1418A484Heater Plenum Chamber
    159F479Manifold Absolute Pressure Sensor
    ATighten to 11-15 Nm (8-11 Lb-Ft)
    BTighten to 4.5-6.8 Nm (40-60 Lb-In)


    Dash Panel Wiring, Power Distribution Box





    ItemPart NumberDescription
    114A66Cap (ERBP Test Connector)
    2To Data Link Connector
    314A593VIP Cap Not on Diesel Without E4OD Transmission
    4128582Distributor Ignition Module Not on Diesel Without E4OD Transmission
    512A581Wiring Assembly to Distributor Ignition Module
    6To Timing Leads
    7Power Distribution Box (Part of 12A581)
    812A581Wiring Assembly
    99A603Air Cleaner
    10N621907-S102Nut
    119D930Wiring Assembly to Engine
    1212A581Wiring, 42-Way Connector Bolt
    13To Center Hi-Mount Stoplamp
    14Position Locator in Hole Provided
    1515525Wiring Assembly
    16Running Lamp Relay (Part of 15500)
    1714405Wiring Assembly Bulkhead Connector Bolt, 24 Way
    1812A581Wiring Assembly Bulkhead Connector Bolt, 76 Way
    19To Speed Control
    2012A650Powertrain Control Module
    21To 15A702 Wiring Assembly
    22N801846-S36MGScrew Not on Diesel Without E4OD Transmission
    2312A581Wiring Assembly, Electronic Engine Control Connector Bolt
    24N605892-S39Screw
    2515500Backup Lamp Relay
    26Anti-Lock Brake System Diode (Part of 14B192)
    2714B192Anti-Lock Brake System Main Relay
    28Relay Block (Part of 12A581)
    29Charging Relay (Part of 9D930)
    30To Left Anti-Lock Brake System Sensor Connector (Bronco Only)
    31To Brake Sensor
    32N801817-S2Screw
    ATighten to 4-8 Nm (35-71 Lb-In)
    BTighten to 5-7 Nm (44-62 Lb-In)
    CTighten to 9-14 Nm (80-124 Lb-In)
    DTighten to 2-3 Nm (18-27 Lb-In)


    Dash Panel and Relay Wiring, F-Series with Trailer Tow Package





    ItemPart NumberDescription
    112A581Wiring Assembly
    212A581To Powertrain Control Module (Except Diesel)
    3N801817-S2Screw
    412A581Power Distribution Box, Wiring Assembly
    5Locator, Position in Hole Provided
    614405Wiring Assembly
    7Cap (Dual Rear Wheels Without Trailer Tow) (Part of 12A581)
    8Cap (Bronco, Diesel or F-Series with Daytime Running Lamps, Without Trailer Tow)
    ATighten to 2-3 Nm (18-27 Lb-In)


    Engine Compartment Lamp and Wiring, F-Series





    ItemPart NumberDescription
    116612Hood
    2Locator, Position in Hole Provided (Part of 15A702)
    315A702Wiring Assembly
    413C705Engine Compartment Lamp
    513465Bulb


    Engine Starter Subsystem and Battery, 4.9L Engine





    ItemPart NumberDescription
    114301Wiring Assembly
    212A581Wiring Assembly
    314B060Cable Assembly
    4N802777-S36Bolt
    59S286Existing Gas Evaporator Tube
    610655Battery
    7N621906-S36Nut
    8N806925-S36MGStud
    911450Starter Motor Relay Assembly
    10N803991-S36Screw
    1114A396Cap
    12381561-S36Nut and Washer Assembly
    13N805403-S100Nut and Washer Assembly
    1411N087Solenoid Cover Starter Red
    1533799-S2Nut
    16Bracket (Part of 14B060)
    17390926-S36Screw and Washer
    1811000Starter Motor
    199F472Part of Heated Oxygen Sensor Assembly
    205A212Exhaust Pipe
    ATighten to 10-15 Nm (7-11 Lb-Ft)
    BTighten to 7-9 Nm (62-80 Lb-In)
    CTighten to 21-29 Nm (15-21 Lb-Ft)
    DTighten to 8-12 Nm (71-106 Lb-In)
    ETighten to 12 Nm (106 Lb-In)


    Engine Starter Subsystem and Battery, 5.0L, 5.8L and 7.5L Engines





    ItemPart NumberDescription
    111450Starter Motor Relay Assembly
    2N803991-S36Screw
    314A396Cap
    4381561-S36Nut and Washer Assembly
    514B060Cable Assembly
    6Starter Solenoid Heat Shield 5.0L/5.8L Only (Part of 11002)
    7382747-S36Screw and Washer Assembly
    8N805403-S100Nut and Washer Assembly
    911N087Cover — Starter Solenoid (Red)
    1056558-SBolt
    1134943-S36Star Washer
    1214301To Engine Ground
    1312A690Wire Assembly
    1411002Starter Motor
    15To Heated Oxygen Sensor for 5.0L/5.8L Under 8500, 5.8L over 8500 and 7.5L F-450
    16N621906-S36Nut
    17N806925-S36MGStud
    1812A581Body Grounds
    1914301Chassis Ground
    20For Continuation Refer to Fender Apron, Right, Gasoline Engines Illustration Shown Previously in this Section
    21To Heated Oxygen Sensor for 5.0L/5.8L Under 8500, 7.5L F-450
    2212A690Wiring Assembly For 5.8L Bronco
    23N802777-S36Bolt for 14301 Frame Ground
    249S286Existing Gas Vapor Tube
    2510655Battery
    2633799-S2Nut (Auto Transmission)
    275A212Exhaust Pipe
    ATighten to 7-9 Nm (62-80 Lb-In)
    BTighten to 21-29 Nm (15-21 Lb-Ft)
    CTighten to 10-14 Nm (7-10 Lb-Ft)
    DTighten to 25.5-34.5 Nm (19-25 Lb-Ft)
    ETighten to 9-12 Nm (80-106 Lb-In)
    FTighten to 11-16 Nm (8-12 Lb-Ft)


    Engine Starter Subsystem and Battery (LH Side), F-250, F-350 with 7.3L Diesel Engine





    ItemPart NumberDescription
    114301Cable Assembly, Battery to Engine Ground
    214B060Cable Assembly, Battery to Battery to Relay
    3N803946Screw Pin
    414A099Cable Shield
    595837-STie Strap
    66B018Wiring Engine Block Heater
    73A377Power Steering Pump
    810655Battery Assembly
    920352-S36Bolt
    1034909-S36Washer
    116010Engine Block
    ATighten to 30-35 Nm (22-26 Lb-Ft)


    Engine Starter Subsystem and Battery (RH Side), F-250, F-350 with 7.3L Diesel Engine





    ItemPart NumberDescription
    114301Cable Assembly
    2N803991-S36Screw
    311450Starter Relay Assembly
    4381561-S39Nut and Washer Assembly
    514A396Cap
    6Position Locator (Part of 14B060)
    7N611213-S2Bolt
    810677Shield
    914B060Cable Assembly
    1014550Bracket
    11N610957-S36Bolt
    1210655Battery
    1314A099Cable Shield
    14N803946Screw Pin
    ATighten to 7-9 Nm (62-80 Lb-In)


    Engine Starter Subsystem and Battery, F-250, F-350 with 7.3L Diesel Engine (Continued)





    ItemPart NumberDescription
    114301Cable Assembly, Relay to Starter Motor
    2N802776-S36Nut and Washer Assembly
    311000Starter Motor with Solenoid
    4N802775-S36Nut and Washer Assembly
    5N602572-S36Screw and Washer Assembly (3 Req'd)
    6N611194-S36Screw
    75019Frame Crossmember
    814301Cable Assembly, Battery to Engine and Frame Ground
    914305Wiring Assembly
    10N605799-S36Screw and Washer Assembly
    11N802001-S36Nut
    12Part of 14300 Cable Assembly
    136K758Oil Cooler Bracket
    14N807006-S36Stud
    1534909-S36Lockwasher
    ATighten to 10-14 Nm (7-10 Lb-Ft)
    BTighten to 3-4 Nm (27-35 Lb-In)
    CTighten to 21-29 Nm (15-21 Lb-Ft)
    DTighten to 8-10 Nm (71-89 Lb-In)
    ETighten to 34-46 Nm (24-34 Lb-Ft)


    Engine Wiring, 4.9L Engine, Right Side





    ItemPart NumberDescription
    119A095Bond Assembly
    29D930Wiring Harness
    3To Engine Coolant Temperature Sensor (Part of 9D930)
    4To Intake Air Temperature Sensor (Part of 9D930)
    514350Wiring Harness
    69F472HEGO Sensor
    79278Oil Pressure Switch
    814289Wiring Harness


    Engine Wiring, 4.9L Engine, Left Side





    ItemPart NumberDescription
    1To Fuel Injector No. 1 (Part of 9D930)
    2To Fuel Injector No. 2 (Part of 9D930)
    3To Fuel Injector No. 3 (Part of 9D930)
    4To Fuel Injector No. 4 (Part of 9D930)
    5To Fuel Injector No. 5 (Part of 9D930)
    6To Fuel Injector No. 6 (Part of 9D930)
    714289Wiring Assembly
    8To Intake Air Temperature Sensor (Part of 9D930)
    9To Engine Coolant Temperature Sensor (Part of 9D930)
    10To Canister Purge (Part of 9D930)
    11To Water Temperature Sensor (Part of 9D930)
    129D930Wiring Assembly
    13To TPS (Part of 9D930)
    14To TAB (Part of 9D930)
    15To EGR Control (Part of 9D930)
    16To TAD (Part of 9D930)
    17To Idle Speed Control (Part of 9D930)
    18To Ground (Part of 9D930)
    19To Oil Pressure Sender (Part of 9D930)
    20To Distributor Pigtail (Part of 9D930)
    21To E Coil (Part of 9D930)
    22To Knock Sensor (Part of 9D930)
    23To A/C Clutch (Part of 9D930)
    24To Radio Capacitor (Part of 9D930)
    25To 12A581 Wiring Assembly (Part of 9D930)


    Engine Wiring, 5.0L and 5.8L Engines





    ItemPart NumberDescription
    1To Fuel Injector No. 4 (Part of 9D930)
    2To Fuel Injector No. 3 (Part of 9D930)
    3To Fuel Injector No. 2 (Part of 9D930)
    4To Fuel Injector No. 1 (Part of 9D930)
    5To Idle Speed Control (Part of 9D930)
    6To EVP (Part of 9D930)
    7To Distributor (Part of 9D930)
    8To Engine Coolant Temperature Switch (Part of 9D930)
    9To TPS (Part of 9D930)
    1014305Wiring Harness to Generator
    119F472Heated Oxygen Sensor Assembly
    129D930Wiring Assembly
    13To Radio Capacitor (Part of 9D930)
    14To Tab (Part of 9D930)
    15To Fuel Injector No. 7 (Part of 9D930)
    16To Fuel Injector No. 8 (Part of 9D930)
    17To Knock Sensor (Except 5.8L Engine) (Part of 9D930)
    18To PSPS (Except 5.8L Engine) (Part of 9D930)
    19To 12A581 Wiring Assembly (Part of 9D930)
    20To E Coil (Part of 9D930)
    21To Intake Air Temperature Sensor (Part of 9D930)
    22To Distributor Pigtail (Part of 9D930)
    23To A/C Clutch (Part of 9D930)
    24To Water Temperature Switch (Part of 9D930)
    25To Fuel Injector No. 5 (Part of 9D930)
    26To EGR (Part of 9D930)
    27To Fuel Injector No. 6 (Part of 9D930)


    Engine Wiring, F-250, F-350, F-Super Duty and Motorhome with 7.5L Engine





    ItemPart NumberDescription
    1To Throttle Position Sensor (Part of 9D930)
    2To Idle Speed Control (Part of 9D930)
    3To Radio Capacitor (Part of 9D930)
    4To E-Coil (Part of 9D930)
    5To Fuel Injector No. 6 (Part of 9D930)
    6To Intake Air Temperature Sensor (Part of 9D930)
    7To Fuel Injector No. 5 (Part of 9D930)
    8To Engine Coolant Temperature Switch (Part of 9D930)
    9To A/C Clutch (Part of 9D930)
    10To Distributor (Part of 9D930)
    11To Fuel Injector No. 1 (Part of 9D930)
    12To Canister Purge (Part of 9D930)
    13To Fuel Injector No. 2 (Part of 9D930)
    14To Fuel Injector No. 3 (Part of 9D930)
    15To Fuel Injector No. 4 (Part of 9D930)
    16Locator, Position in Hole Provided (Part of 9D930)
    17To EVP (Part of 9D930)
    18To Fuel Injector No. 7 (Part of 9D930)
    19To Fuel Injector No. 4 (Part of 9D930)
    20To Oil Pressure Sender (Part of 9D930)
    21To Fuel Injector No. 8 (Part of 9D930)
    22To EGR Control (Part of 9D930)
    23To TAB (Part of 9D930)


    Engine Wiring, F-150, F-250, F-350 and F-Super Duty with 7.3L Diesel Engine





    ItemPart NumberDescription
    114305Generator Wiring Assembly
    210346Generator Voltage Regulator
    3Locator (Part of 9A451)
    49A451Glow Plug Wiring
    5N805320-S36Nut and Washer Assembly
    6Circuit 38 (BK/R) Load Through Ammeter to Battery (Part of 14305)
    7To Controller (Part of 9A451)
    8To Controller (Part of 9A451)
    914305Generator Voltage Regulator Wiring
    10To A/C Compressor (Part of 14305)
    11To Tachometer (Part of 14305)
    ATighten to 9-12 Nm (80-106 Lb-In)


    Generator and Wiring





    ItemPart NumberDescription
    114305Wiring Assembly
    2To Controller
    3To A/C Compressor
    410300Generator Assembly
    5N33799-S36Nut
    6N805302-S36Nut and Washer Assembly
    7Locator (Part of 14A305), Install in Hole Provided
    8N606572-S307Bolt
    9N605918-S55Bolt
    10N805403-S301Nut and Washer Assembly
    11N807910-S301Nut and Washer Assembly
    ATighten to 8-12 Nm (71-106 Lb-In)
    BTighten to 12-15 Nm (9-11 Lb-Ft)
    CTighten to 41-54 Nm (30-40 Lb-Ft)
    DTighten to 13-17 Nm (10-13 Lb-Ft)


    Block Heater Installation





    ItemPart NumberDescription
    16A051Block Heater
    2Yoke (Part of 6A051)
    36010Block
    ALubricate Before Installation


    Engine Block Heater, 4.9L, 5.0L, 5.8L Engine





    ItemPart NumberDescription
    195873-SStrap
    26B018Wiring Assembly
    310300Generator
    414305Wiring Assembly
    59A486Air Pump
    614B060Cable
    711000Starter
    8Silencer Assembly (Part of 9A486)
    96A051Block Heater
    10Block Hole (Part of 6010)


    Engine Block Heater (Single), Diesel Engine





    ItemPart NumberDescription
    1Locator (Part of 6B018)
    26B018Wiring Harness
    32078Brake Hose
    47007Frame


    Engine Block Heater (Dual) F-Series with 7.5L Engine





    ItemPart NumberDescription
    1Silencer Assembly (Part of 9A486)
    295873-SStrap
    36B018Wiring Assembly
    46A051Block Heater
    5Core Hole (Part of 6010)
    614B060Cable Assembly
    79A486Air Pump Assembly
    810655Battery
    919D734A/C Manifold and Tube Assembly
    106010Engine Block
    116B018Wiring Assembly
    126038Engine Mount
    131822731Oil Filter
    148260Radiator Hose
    158005Radiator


    Radio Suppression Capacitor and Wiring





    ItemPart NumberDescription
    112029Coil and Bracket Assembly
    240904-S36Screw
    318801Capacitor Assembly — Radio Ignition Interference Suppression
    49D930Wiring Assembly
    5Screw (Part of 12029)
    618832Capacitor Assembly
    7Existing Nut (Part of 12029)


    Radio Suppression Bond (Cab-to-Frame)





    ItemPart NumberDescription
    15A103Cab-to-Frame Isolator
    211135Front Floor Pan
    3Opening in Front Floor Cross Rear Member (Drain Hole)
    419A095Bond Strap Assembly
    55005Frame Assembly
    618496Radiator Support


    Heater and Air Conditioning Control Assembly Wiring





    ItemPart NumberDescription
    1To Heater Mode Switch (Part of 14401)
    218159br>19980Control Assembly, Heater Control Assembly, Heater/AC
    3N803877-S36BScrew (4 Req'd)
    4To A/C Blower Switch (Part of 14401)
    5To A/C Illumination (Part of 14401)
    614401Wiring Assembly


    Air Conditioning, Heater, Defroster Plenum and Duct Wiring





    ItemPart NumberDescription
    156956-S2Screw and Washer Assembly
    2N621906-S2Nut
    345261-S2J-Nut
    418471Chamber Assembly, Plenum
    556950-S2Screw, Washer Head
    6Vacuum Hose (Part of Vacuum Harness)
    718C433Duct Assembly
    801610Dash Panel
    9N801696-S2Nut (As Required)
    1019850Evaporator Assembly (All)
    1112A581Wiring Assembly (All Engines Except 7.3L Diesel Engine Without E4OD Automatic Transmission)
    1218A586Wiring Assembly
    1318D306Cable Assembly (Temperature) Blue End
    14Vacuum Tubes (Part of 18A586)
    15Install Locator in Hole in Bracket
    16N803946-SRivet, Blind Truss Head
    17N621906-S2Nut
    18N803912-S2Stud
    1914401Wiring Assembly
    20To 19980 Control
    21M4G195Sealer
    229F479Manifold Absolute Pressure Sensor and Bracket Assembly
    23To Right Anti-Lock Brake System Sensor Connector (Bronco Only)
    2419E746Clip, A/C Tube Lock Coupling
    25Locator (Part of 14401)
    ATighten to 2-3 Nm (18-27 Lb-In)
    BTighten to 2-4 Nm (18-35 Lb-In)
    CPart Number Location on Cable
    DInstall in Hole Provided


    Speed Control Wiring (Cowl)





    ItemPart NumberDescription
    1Locator, Install in Hole Provided (Part of 14401)
    2N800907-S2Nut
    39C961Bracket (Manual Transmission)
    414401Wiring Assembly
    513480Stoplight Switch
    67519Clutch Pedal
    7Route Hose Through Outboard Access Hole As Shown
    89C802Hose Assembly
    92L252Brake and Clutch Pedal Support
    10Chassis Parts
    119C962Adapter
    122455Brake Pedal
    139C961Bracket (Automatic Transmission)
    1496966Clip
    15Install Clip onto Stud (Part of 14401)
    169D844Amplifier


    Cowl, Dash Panel and Door Wiring





    ItemPart NumberDescription
    114A509Wiring Assembly
    214401Wiring Assembly
    3381801-S55XScrew
    4Install Locator in Hole Provided (Part of 14A509)
    5N805375-S36MGScrew to Weld Nut
    614A504Wiring Assembly
    7To Ground (Part of 14301)
    814A504Wiring Assembly
    919A123Wiring Assembly
    1014A509Wiring Assembly
    1114A163Clip
    1214A265Wiring Assembly
    13To Radio Speaker
    14To Power Window Lock Switch
    15To Power Mirror Switch
    16Install Locator in Hole Provided (Part of 14632)
    17To Door Disarm Switch Pigtail (Part of 14A509)
    18Door Lock Actuator
    19To Courtesy Lamp
    20Locator, Install in Hole Provided After Water Shield Is Installed
    21Power Window Motor (Part of 1023200)
    22To Power Mirror Pigtail
    2314632Wiring Assembly, Rear Door
    24To Vanity Visor Pigtail
    25To Overhead Console (Bronco Only)
    2698519A58Overhead Console (Bronco Only)
    27Used with Remote Keyless Entry Only
    2817K745Illuminated Vanity Visor/E.C. Mirror/Overhead Console
    29Install Shield into Mirror Base (with E.C. Mirror)


    4x4 Electric Shift Transfer Case and Wiring, F-Series and Bronco





    ItemPart NumberDescription
    1381801-S36XScrew
    214B095Wiring Assembly
    314A504Seat Belt Wiring
    4To Power Lumbar (Part of 14A504)
    5To RH Rear Speaker (Part of 14A504)
    67A195Transfer Case Assembly


    4x4 Electric Shift Module and Wiring, Bronco





    ItemPart NumberDescription
    17E453Transmission Module Assembly
    2Mounting Tab, Bracket (Part of 7E453)
    3Mounting Plate Assembly (Part of 7E453)
    4N606678-S39Existing Screw
    5Locator, Install in Hole Provided (Part of 7A786)
    614401Wiring Assembly
    7N381801-S36BXScrew
    87A786Wiring Assembly
    9Three-Finger Bracket (Part of 14401)
    10N621905-S2Nut
    11Stud (Part of 7E453)


    Instrument Panel Wiring Installation, F-150, F-250, F-350 and Bronco (Gasoline Engines)





    ItemPart NumberDescription
    1To Headlamp Switch
    2To Fuse Box
    314A282Retainer Assembly
    4N606678-S39Screw
    5Connector (Part of 12A581)
    6Connector (Part of 14A504)
    713A506Locator, Position in Hole Provided
    8To Park Signal Lamp Switch
    9To Multi-Function Switch
    10To Stoplight Switch
    11Clip (Part of 14401)
    12E4OD Pigtail (Part of 14401)
    13To Ignition Switch and Steering Column Wiring
    14To 14405
    15To Starter Switch Clutch Interlock
    16Take-Out to Shift on the Fly Switch and Electric Defrost Switch (Part of 14401)
    17To Warning Buzzer Chime
    18Remote Keyless Entry Programming Connector
    1915K602Remote Keyless Entry Module
    20Air Bag Module
    2114A163Retainer Assembly
    22To Trailer Brake Controller
    2314A099Shield
    24Vacuum Hose Clip (Part of Vacuum Harness)
    25Ashtray Wiring (Part of 13726)
    2615A044Cigar Lighter
    27PSOM Test Circuit (Part of 14401)
    28To Bowden Cable
    2918813Radio Antenna
    30Brake Anti-Lock Module Test Circuit (Part of 14401)
    31To 14630
    32To 14B095
    33To 18A586
    34To Right Courtesy Lamp Switch
    35To Inertia Switch
    3614463To Ground
    37To Clearance Lamp F-Series Only for Continuation
    38Wiper Control Module
    392C018Rear Brake Anti-Lock Module (F-150, F-250, F-350 Only)
    40To Glove Box Lamp
    41To Heater Mode Switch
    42To A/C Illumination
    43To A/C Blower Switch
    44To Power Point
    45To Radio
    4618B849Premium Sound Amplifier
    4714B166Shift on the Fly Switch
    48To 14A262 Electric Defrost (Bronco Only)
    4914401Wiring Assembly
    50To Cluster (Plug A)
    51To PSOM
    52To Cluster (Plug B)
    5314B155Cap
    5404320Instrument Panel
    559A050Dual Fuel Tank Switch (F-Series Only)
    5614529Rear Window Control Switch (Bronco Only)
    57Demister Hose
    58To Glove Box Lamp


    Instrument Panel Wiring Installation, F-250, F-350, F-Super Duty Chassis Cab (Diesel Engine)





    ItemPart NumberDescription
    117D539Wiper Control Module
    214A099Shield
    3Locator, Position in Hole Provided (Part of 14401)
    4To Glove Box Lamp
    5To Bowden Cable (Part of 14401)
    6To Heater Mode Switch
    7To A/C Illumination
    818813Radio Antenna
    9To Radio
    10To 3x3 Warning Module
    11To Cluster (Plug A)
    12To PSOM
    13To Cluster (Plug B)
    14To Headlamp Switch (Part of 14401)
    15To Fuse Box
    1614A262Retainer Assembly
    17N606678-S36Screw
    18To 12A581
    19To 14A504
    20To Multi-Function Switch
    21To Stoplight Switch
    22Clip (Part of 14401)
    23To Accelerator Pedal Assembly (DI Turbo Diesel Only) (Part of 14401)
    24E4OD Pigtail (Part of 14401)
    25To Park Signal Lamp Switch
    26To Ignition Switch, 9C899 and Barometric Pressure Switch
    27To Clutch Interlock Switch (Part of 14401)
    28Remote Keyless Entry Programming Connector
    29Remote Keyless Entry Module
    30See View C
    31To Warning Buzzer Chime (Part of 14401)
    32To Trailer Brake Controller (Part of 14401)
    33Selectable RPM Controller Breakout (Part of 14401)
    34Vacuum Hose (Part of Vacuum Harness) (Part of 14401)
    35To Ashtray Wiring (13A726)
    36To PSOM Test Circuit
    37To Clearance Lamp
    38To 14A265
    39To 18A856
    40To Ground (Part of 14301)
    41To Right Courtesy Lamp Switch (Part of 14401)
    42Brake Anti-Lock Module Test Circuit
    43Rear Brake Anti-Lock Module
    4415A044Cigar Lighter
    45To A/C Blower Switch
    46To Power Point
    47To 14405
    48To ERBP Test Connector
    4914A666Cap
    5004320Instrument Panel
    519A050Dual Fuel Tank Switch
    5214401Wiring Assembly
    53N803876-S36BScrew
    5414A163BRetainer Assembly
    55Generic Scan Tool Connector (Part of 14401)
    56N802538-S32BJ-Nut
    57Demister Hose
    58To Glove Box Lamp


    LH Dash Panel and Stoplamp Switch Wiring





    ItemPart NumberDescription
    114401Wiring Assembly
    2To Clutch Interlock Switch (Part of 14401)
    3Pedal Position Sensor (Diesel Only) (Part of 14401)
    4Idle Position Sensor (Diesel Only) (Part of 14401)
    5To Stoplight Switch (Part of 14401)
    614A464To Bulkhead (12A581)
    714A464To Bulkhead (14405)
    813480Stoplight Switch


    Rear Window Control Switch, Defrost Switch, and Wiring, Bronco Only





    ItemPart NumberDescription
    1385754-S36Screw
    211654Headlamp Switch
    314A551Rear Window Control Switch
    419A328Rear Window Defrost Switch
    514401Wiring Assembly
    604320Instrument Panel Assembly
    ATighten to 1-2 Nm (9-18 Lb-In)


    Dual Fuel Tank Switch, 4x4 Electric Shift Switch, and Wiring, F-150, F-250 with Dual Fuel Tanks, Bronco with Electric Shift





    ItemPart NumberDescription
    1385754-S36Screw
    204320Instrument Panel Assembly
    314401Wiring Assembly
    4Fuel Tank Connector (Part of 14401)
    59A050Fuel Tank Switch
    67Z155Transmission Control Switch
    715046A34Cover Assembly, Instrument Panel Control Opening
    ATighten to 1-2 Nm (9-18 Lb-In)


    Warning Indicator Panel and Wiring, F-Series with 7.3L Diesel Engine






    Air Bag Module, Remote Keyless Entry Module and Radio Amplifier and Wiring





    ItemPart NumberDescription
    1N803876-S36BScrew
    215K602Remote Keyless Entry Module
    318B860Premium Sound Amplifier Bracket
    4Bracket for Chime Module (Part of 10D840)
    514B058Remote Keyless Entry/Air Bag Bracket
    604320Instrument Panel
    714401Wire Assembly
    819B113Wire Assembly
    9R.K.E. Antenna (Part of 14401)
    1014588Wire Assembly
    1118B849Premium Sound Amplifier
    1214B155Cap (Vehicles with Automatic Transmission and Premium Sound)
    13Locator, Position in Hole Provided (Part of 14401)
    1414A594Retainer Assembly (F-Series Gas with Remote Keyless Entry System and/or Shift on the Fly Without Air Bag)
    1514B056Air Bag Module
    16Remote Keyless Entry Programming Connector (Part of 14401)
    1714A163Retainer, Wiring Harness
    ATighten to 2-3 Nm (18-27 Lb-In)


    Instrument Cluster and Transmission Control Indicator Selector (or Cover)





    ItemPart NumberDescription
    1N803876-S36BScrew
    27B100Cover Transmission Control Select Indicator, Manual Transmission
    3N800705-S36BScrew
    410849Cluster Assembly
    5Thumbwheel Adjuster (Part of 7B053)
    67B053Indicator Assembly (E4OD, AODW, 4R70W and C6 Transmissions)
    ATighten to 2-2.5 Nm (17-22 Lb-In)
    BTighten to 1.4 Nm (12 Lb-In)


    Steering Column Assembly Wiring





    ItemPart NumberDescription
    13514Steering Column Assembly
    214A664Pigtail
    315572Ignition Switch
    4Bolt (Part of 9C899)
    514401Wiring Assembly
    6Wiring Locator, Locate in Hole Provided (Part of 14401)
    713K359Turn Signal and Windshield Wiper Switch
    8390345-S36Fastener
    9To Multi-Function Switch
    1014A282Air Bag Delete Cap
    11Air Bag Wiring (See View D for Air Bag Delete) (Part of 14A664)
    12To Brake Shift Interlock
    13To Air Bag
    14To 9C899 Brush Assembly (Without Air Bag) to 14A664 Clockspring (with Air Bag)
    15Wiring Retainers, Locate in Holes Provided (Part of 14401)
    16N806584-S58Screw
    1714A163Wiring Retainer (Brake Shift Interlock Delete with Manual Transmission)
    1814A664Air Bag Sliding Contact
    ATighten to 1 Nm (9 Lb-In)
    BTighten to 8-10 Nm (71-89 Lb-In)


    Steering Column Wiring with Barometric Pressure Sensor Assembly, Diesel





    ItemPart NumberDescription
    1Barometric Pressure Sensor Connector (Part of 14401)
    2Position Locator (Part of 12A644)
    312A644Barometric Pressure Sensor


    Radio Receiver and Wiring





    ItemPart NumberDescription
    119B131Electronic AM/FM Stereo Radio
    219B132Electronic AM/FM Cassette Stereo Radio
    319B159AM Radio (F-Series Only)
    418C815Premium Sound Compact Disc Radio
    519B165Premium Analog Cassette Radio
    618A984Radio Receiver, Install in Location Provided
    718813Antenna Cable (Jack), Install in Location Provided
    819A123Retainer Assembly
    9To Radio or 19B113 Wire Assembly
    1014401Wiring Assembly
    1118K837Radio Mount Bracket
    1218549Heater/Air Conditioner Control
    1304320Instrument Panel
    1419B113Wire Assembly to Premium Sound Radio
    1519B113Wiring Assembly for Continuation See View B
    1619B113Wiring Assembly for Continuation See View C
    1719A123Retainer Assembly


    RH Inner Cowl Wiring





    ItemPart NumberDescription
    114401Wiring Assembly
    2Locator, Position in Hole Provided (Part of 14401)
    315A404Wire Assembly (F-Series Only)
    414A265Wiring Assembly
    513713Courtesy Lamp Switch
    6Three-Finger Bracket (Part of 14401)
    714B095Wiring Assembly
    8To Ground
    9N805375-S36MGScrew
    1018A586Wiring Assembly
    11Inertia Switch (Not on Diesel)
    ATighten to 10-14 Nm (89-124 Lb-In)


    Seat Belt Warning Wiring, F-Series Regular Cab





    ItemPart NumberDescription
    114A504Wiring Assembly
    2381801-S55XScrew
    3To 14B084 Power Lumbar with Cloth Bench Seat to 14B084 or 40-20-40 Seat
    4M3G58Tape
    5Locators, Position in Holes Provided (Part of 14A504)
    6To Rear Speaker
    7Part of Seat Belt
    8To Courtesy Lamp Switch
    914334Wiring Assembly
    1010130852Carpet Support


    Seat Belt Warning Wiring, F-Series Super Cab





    ItemPart NumberDescription
    114A504Wiring Assembly
    2381801-S55XScrew
    3To Seat Belt Retractor Switch
    4To Courtesy Lamp Switch
    5To LH Cowl and Instrument Panel
    6To 14B084 Power Lumbar
    7To LH Rear Speaker
    8To RH Rear Speaker


    Seat Belt Warning Wiring, Bronco





    ItemPart NumberDescription
    114A504Wiring Assembly
    2381801-S36BXScrew
    3To Seat Belt Retractor Switch
    4To Dome Lamp, Cargo Lamp and Speaker
    5To LH Cowl and Instrument Panel
    6To RH Side Rear Seat Speaker
    7To 14B084 Power Lumbar


    Seat Belt Warning Wiring, F-Series Crew Cab





    ItemPart NumberDescription
    114A504Wiring Assembly
    2Locator, Position in Hole Provided (Part of 14A504)
    3To 14632 Wiring Assembly
    4To Seat Belt Retractor Switch
    5To Dome Lamp
    6To Radio Speaker
    714A504Wiring Assembly Symmetrically Opposite on RH Side to Speaker and RH Rear Door
    8381801-S55XDrill Point Screw


    Dome Lamp and Cargo Lamp Wiring, F-Series Regular Cab





    ItemPart NumberDescription
    1To Cargo Lamp
    213A506Clip, Install in Holes Provided, Then Install Harness in Clip
    314A504Wiring Assembly
    4To LH Speaker
    514334Wiring Assembly


    Dome Lamp and Cargo Lamp Wiring, F-Series Super Cab





    ItemPart NumberDescription
    1To Dome Lamp
    2380510-SClip
    3Locator, Install in Hole Provided (Part of 14A504)
    4Place Connector Locator in Provided Hole in Tab
    514A504Wiring Assembly
    6To RH Rear Speaker
    7To Speaker
    814334Wiring Assembly
    9To Cargo Lamp


    Dome Lamp and High Mount Stoplamp, F-Series





    ItemPart NumberDescription
    1To Interior Lamp Assembly (Part of 14334)
    214334Wiring Assembly
    3To Interior Lamp Assembly (Part of 14334)
    413776Lamp Assembly, Interior
    5Screw, Part of 13776 Wiring Assembly
    613783Lens
    752814-S36Screw
    851968Roof Trim Panel
    913783Lens
    10N45275-S36U-Nut
    1113A613High Mount Stoplamp
    1213776Lamp Assembly, Interior
    13NG10051Screw


    Dome Lamp Wiring, Bronco





    ItemPart NumberDescription
    1To Interior Lamp Assembly (Part of 14334)
    214334Wiring Assembly, Interior Lamp Feed
    3To Radio Speaker
    414335Wiring Assembly, Interior Lamp
    5Stow Connector in Hole Provided
    6To Map Light
    714A504Wiring Assembly
    8To High Mount Stoplamp
    9Remove Release Paper Before Application
    105420552Insulator, Body Opening Sound
    116054350Insulator, Roof Side Inner Rear Rail Sound


    Dome Lamp (Without Headliner), Bronco





    ItemPart NumberDescription
    113776Lamp Assembly
    214334Wiring Assembly
    314334Wiring Assembly
    413783Lens
    5Gasket (Part of 13776)
    652814-S36Screw
    713783Lens, Interior Lamp
    8Screws (Part of 13776)
    913776Lamp Assembly, Interior


    Cargo Lamp and Hi-Mount Stoplamp Wiring, Bronco





    ItemPart NumberDescription
    1Locators, Position in Holes Provided (Part of 14335)
    213A625Wiring Assembly
    3To Interior Cargo Lamp (Part of 14335)
    4To Hi-Mount Stoplamp (Part of 14335)
    514335Wiring Assembly
    614A504Wiring Assembly to LH Door Courtesy Lamp Switch
    714334Wiring Assembly
    814A504Wiring Assembly
    914A504Wiring Assembly to LH Rear Speaker
    10Remove Release Paper Before Application
    115420552Insulator, Roof Side Inner Rear Rail Sound
    12604350Insulator, Roof Side Inner Rear Rail Sound
    13Install Connector in B-Pillar Before Installation of Locator


    Dome Lamp and Cargo Lamp Wiring, F-Series Crew Cab





    ItemPart NumberDescription
    1To Hi-Mount Stoplamp
    2To Map Light
    3N803063-SClip, Push-On
    413A724Wiring Assembly
    5381801-S55XDrill Point Screw
    614A504Wiring Assembly
    7Locator (Part of 14A504)
    8382929-SLocator Clip
    9383439-SClip, Push-On
    10To Dome Lamp
    1113713Courtesy Lamp Switch
    12To Door
    1314334Wiring Assembly
    14To Rear Speaker
    APosition in Hole Provided


    Roof Marker Lamps, F-150, F-250, F-350





    ItemPart NumberDescription
    1M3G102Tape
    215A404Wiring Assembly
    3Locator, Position in Hole Provided (Part of 14401)
    414401Wiring Assembly
    556009-S61Screw
    615442Lamp Assembly
    738814-S36MJ-Nut
    ATighten to 10-14 Nm (7-10 Lb-Ft)


    Rear Air Bag Sensor and Bracket Assembly





    ItemPart NumberDescription
    114B007Sensor and Bracket Assembly
    2N806327-S190Screw
    314B095Wiring Assembly
    414A504Wiring Assembly
    5Locator, Position in Hole Provided (Part of 14B095)
    6611B66Seat Belt
    714B007Sensor and Bracket Assembly
    814B007Sensor and Bracket Assembly
    914A504Wiring Assembly
    ATighten to 10-14 Nm (7-10 Lb-Ft)


    Rear Seat Speaker Wiring (LH), Bronco





    ItemPart NumberDescription
    1To RH Speaker (Part of 14A504)
    2381801-S55XDrill Point Screw
    3To LH Speaker (Part of 14A504)
    4Locator, Position in Hole Provided (Part of 14A504)
    514A504Wiring Assembly
    6To LH Cowl and Instrument Panel (Part of 14A504)
    7To Power Lumbar and Seat Belt Retractor Switch (Part of 14A504)
    85420552Insulator, Body Opening Sound
    96054350Insulator, Roof Side Inner Rear Rail Sound
    ARemove Release Paper Before Application
    BInstall Connectors in B-Pillar Before Installing Insulator


    Rear Seat Speaker Wiring (RH), Bronco





    ItemPart NumberDescription
    1Locator, Position in Hole Provided (Part of 14A504)
    2To RH Speaker
    3381801-S55XScrew
    414A504Wiring Assembly
    514A504Wiring Assembly
    6To 14B084 Power Lumbar Wiring Assembly
    75420552Insulator, Body Opening Sound
    86054350Insulator, Roof Side Inner Rear Rail Sound
    ARemove Release Paper Before Application
    BInstall Connectors in B-Pillar Before Installing Insulator


    Rear Speaker and Wiring, F-350 Crew Cab





    ItemPart NumberDescription
    118932Speaker
    220942Trim Panel
    314A504Wiring Assembly
    4Locator, Position in Hole Provided (Part of 14A504)
    514A504Wiring Assembly
    6801946-S58Screw


    Rear Seat Speaker and Wiring, F-Series Super Cab





    ItemPart NumberDescription
    152018Trim
    218808Speaker
    314A504Wiring Assembly
    4Locator, Position in Hole Provided (Part of 14A504)
    518978Speaker Trim Cover
    6N806222-S36Screw


    Rear Frame Lamp Wiring, F-Series Styleside





    ItemPart NumberDescription
    1Locator, Position in Hole Provided (Part of 13A409)
    213A409Wiring Assembly (Vehicles with Dual Rear Wheels)
    313A409Wiring Assembly (Standard Production)
    4To 15425 Identification Lamp Assembly (Dual Rear Wheels Only)
    5To License Lamp (with Rear Bumper)
    613412Wiring Assembly, License Lamp (Vehicles with Rear Bumper)
    714A163Clip
    8To 13550 License Lamp Assembly (Without Rear Bumper)
    914405Wiring Assembly
    105005Frame Assembly
    1115A411Wiring Assembly (Dual Rear Wheels Only)
    12To Turn Signal and Stoplamp
    13To Backup Lamp


    Rear Lamp and Tailgate Wiring (LH Side), Bronco





    ItemPart NumberDescription
    113A409Wiring Assembly (Standard Production)
    214086Wiring Assembly (Tailgate)
    314405Wiring Assembly
    414A099Cap
    55005Frame Assembly
    613A409Interconnect to 14405
    7Locator (Shown in Installed Position) (Part of 13A409)
    8N805375-S36MGScrew
    9To Turn Signal and Stoplamp
    10To Backup Lamp
    11377105-5Clip
    12Locator, Position in Hole Provided (Part of 14086)
    13To Tailgate Assembly
    1440700Tailgate Assembly


    Rear Lamp Wiring (RH), Bronco





    ItemPart NumberDescription
    113A409Wiring Assembly
    2Locator (Shown in Installed Position) (Part of 13A409)
    35005Frame Assembly
    414405Wiring Assembly
    5To Turn Signal and Stoplamp
    6To Backup Lamp


    Tailgate Wiring, Bronco





    ItemPart NumberDescription
    19843170Tailgate Control Assembly
    2Locator (Part of 14086 Wiring Assembly)
    37143184Cylinder Case Assembly
    414046Switch and Housing Assembly (Includes 14086 Wiring)
    5Existing Locator Bracket (Part of Door Assembly)
    6Wiring (Part of 14046 Switch and Housing Assembly)
    7Retainer and Spring Nut (Part of 40700)
    855927-S2Screw
    9Wiring (Part of 9844000 Window Regulator Assembly)
    10Locator (Part of 9844000 Window Regulator Assembly)
    1143170Latch Assembly
    1214A011Limit Switch Assembly


    Tailgate Wiring (with Electric Defrost), Bronco





    ItemPart NumberDescription
    19843170Tailgate Control Assembly
    2To Heated Backlight
    395873-SStrap
    A. 97A Black
    B. 186A Brown-Light Blue
       Stripe
    47143184Cylinder Case Assembly
    5Wiring (Part of 14046 Switch and Housing Assembly)
    643170Latch Assembly
    7To Window Limit Switch
    8Existing Locator Bracket (Part of Door Assembly)
    9Locator (Part of 14086 Wiring Assembly)
    1055927-S2Screw
    11Wiring (Part of 9844000 Window Regulator Assembly)
    12Locator (Part of 9844000 Window Regulator Assembly)
    1314046Switch and Housing Assembly (Includes 14086 Wiring)
    14To 14086 Wire Assembly


    Trailer Tow Wiring (Rear Frame), Bronco





    ItemPart NumberDescription
    113A409Wiring Assembly
    2N801846-S36MGScrew
    314405Wiring Assembly
    4Locators, Position in Holes Provided (Part of 14405)
    5Trailer Tow Ground Wire (Part of 14405)
    614086Wiring Assembly
    ATighten to 5-7 Nm (44-62 Lb-In)


    Rear Lamp and Wiring, F-Series Styleside/Bronco





    ItemPart NumberDescription
    1N801603-S40MScrew and Washer Assembly
    2383356-SNut
    313A409Wiring Assembly
    413465Bulb Assembly (Backup Lamp)
    556000-S49Screw
    613404Rear Lamp Assembly (RH)
    713456Bulb Assembly (Stop and Turn Signal)


    Lamp, Rear License, Bronco, F-Series Styleside Bumper






    Lamp, Rear License, F-Series Styleside Without Bumper






    Side Marker Clearance Lamp Wiring, F-350 Styleside with Dual Rear Wheels





    ItemPart NumberDescription
    115A411Wiring Assembly (Marker Lamp Pigtail)
    2To Marker Lamps
    3Locator (Not Used at This Time) (Part of 15A411)
    420010Body Side Outer Panel
    515A411Wiring Assembly
    6To 13A409 Wiring Assembly


    Side Marker Clearance Lamps, F-350 Styleside with Dual Rear Wheels





    ItemPart NumberDescription
    116313Body, Rear Fender
    215A411Wiring Assembly
    3Locator (Not Used at This Time) (Part of 15A411)
    4383356-SNut
    515B436Bezel Assembly, Marker Lamp
    615C400Lamp and Wiring Assembly (Red)
    7N610128-S2Screw
    815C400Lamp and Wiring Assembly (Amber)


    Rear Identification Lamps, F-350 Styleside with Dual Rear Wheels





    ItemPart NumberDescription
    1N621906-S43MNut
    210610Pickup Box
    3N605892-S2Bolt
    413A409Wiring Assembly
    515A411Wiring Assembly
    615425Lamp and Bracket Assembly, Marker
    ATighten to 9-14 Nm (80-124 Lb-Ft)


    Frame Wiring (Frame to Dash Panel) and Anti-Lock Brake System Proportioning Valve Wiring





    ItemPart NumberDescription
    12005Brake Booster
    22B264Brake Pressure Switch Assembly
    314405Wiring Assembly
    42B373Rear Anti-Lock Brake System Proportioning Valve Assembly
    5Proportion Valve, Not Used on F-350 Super Duty Models — Store Connector in Frame As Shown (F-Series Only) (Part of 14405)
    65005Frame Assembly
    714516Power Distribution Box
    8Brake Pressure Switch Connector (Part of 14405)
    9Locator, Position in Hole Provided (Part of 14405)
    10G-Sensor
    11N507417-SClip


    Frame Wiring, F-150 Regular Cab with 116.8-Inch Wheelbase





    Item Part NumberDescription
    1To Rear Lamps and Wiring
    2Locator, Install in Hole Provided (Part of 14405)
    3Fuel Tank Sender Pigtail, to Mid-Ship Fuel Tank (Dual Tanks) (Part of 14405)
    414405Wiring Assembly
    514A163Retainer (Standard Production)
    614A163Retainer (with Auxiliary Fuel Tank)
    7To Rear Axle Sensor Switch
    85037Crossmember (for Dual Fuel Tanks)
    9To Rear Lamps and Wiring (Styleside Pickup)
    10To Standard Production Aft Axle Fuel Tank
    1115525Wiring Assembly, Transmission
    12To Transmission
    13To Rear Anti-Lock Brake System Proportion Valve


    Frame Wiring, F-150, F-250 Regular Cab with 133-Inch Wheelbase





    ItemPart NumberDescription
    1To Rear Lamps and Wiring
    214A163Retainer (Standard Production)
    314A163Retainer (with Auxiliary Fuel Tank)
    414405Wiring Assembly
    5To Rear Axle Sensor Switch
    614405Wiring Assembly (with Dual Fuel Tanks Only)
    75037Crossmember (for Dual Fuel Tanks)
    8To Standard Production Aft Axle Fuel Tank
    9Locator, Install in Hole Provided (Part of 14405)
    10To Rear Lamps and Wiring (Styleside Pickup)
    11Fuel Tank Sender Pigtail, to Mid-Ship Fuel Tank (Dual Tanks) (Part of 14405)
    12To Fuel Tank Selector Valve (7.3L Diesel Engine Only)
    1315525Wiring Assembly, Transmission
    14To Transmission
    15To Rear Anti-Lock Brake System Proportioning Valve


    Frame Wiring, F-350 Chassis Cab with 133-Inch Wheelbase





    ItemPart NumberDescription
    114A163Retainer
    2To Rear Lamps and Wiring
    314405Wiring Assembly
    4Locator, Position in Hole Provided (Part of 14405)
    5To Rear Axle Sensor Switch
    65037Crossmember (for Dual Fuel Tanks)
    7To Standard Production Aft Axle Fuel Tank
    813A409Wiring Assembly (Cab Chassis) Installation Shown Only
    9Fuel Tank Sender Pigtail, to Mid-Ship Fuel Tank (Dual Tanks) (Part of 14405)
    10To (Dual) Fuel Tank Selector Valve (7.3L Diesel Engine Only)
    1115525Wiring Assembly, Transmission
    12To Transmission
    13To Rear Anti-Lock Brake System Proportioning Valve
    14372741-S100Clip


    Frame Wiring, F-350 Chassis Cab with 136.8-Inch Wheelbase





    ItemPart NumberDescription
    113405Rear Lamp Assembly
    214A163Retainer
    313A409Wiring Assembly
    4Locator, Install in Hole Provided (Part of 14405)
    514405Wiring Assembly
    6To Rear Axle Sensor Switch
    7To Aft Axle (Dual) Fuel Tank
    8Fuel Tank Sender Pigtail, to Mid-Ship Fuel Tank (Dual Tanks) (Part of 14405)
    9To (Dual) Fuel Tank Selector Valve (7.3L Diesel Engine Only)
    1015525Wiring Assembly, Transmission
    11To Transmission
    12To Rear Anti-Lock Brake System Proportioning Valve
    13372741-S100Clip


    Frame Wiring, F-350 Chassis Cab with 160.8-Inch Wheelbase





    ItemPart NumberDescription
    113A409Wiring Assembly
    214A163Retainer (Standard Production)
    314A163Retainer (with Auxiliary Fuel Tanks)
    413404Rear Lamp Assembly
    514405Wiring Assembly
    6To Rear Axle Sensor Switch
    7Locator, Position in Hole Provided (Part of 14405)
    8To Aft Axle (Dual) Fuel Tank
    9Fuel Tank Sender Pigtail, to Mid-Ship Fuel Tank (Dual Tanks) (Part of 14405)
    10To Transmission
    1115525Wiring Assembly, Transmission
    12To Rear Anti-Lock Brake System Proportioning Valve
    1314A163Retainer (F-350 Super Duty Models Only)
    14Locator, Not Used on 14405 Wiring Assembly for F-350 Super Duty Models Only (Part of 14405)
    15372741-S100Clip


    Frame Wiring, F-Super Duty with 184.8-Inch Wheelbase





    ItemPart NumberDescription
    113A409Wiring Assembly
    214A163Retainer
    313404Rear Lamp Assembly
    414405Wiring Assembly
    515525Wiring Assembly, Transmission
    6To Rear Axle Sensor Switch
    7Locator, Position in Hole Provided (Part of 14405)
    8To Aft Axle (Dual) Fuel Tank
    9Fuel Tank Sender Pigtail, to Mid-Ship Fuel Tank (Dual Tanks) (Part of 14405)
    10To Rear Anti-Lock Brake System Proportioning Valve
    11372741-S100Clip


    Frame Wiring, F-150 Super Cab with 138.8-Inch Wheelbase





    ItemPart NumberDescription
    1Locator, Install in Hole Provided (Part of 14405)
    2Fuel Tank Sender Pigtail, to Mid-Ship Fuel Tank (Dual Tanks) (Part of 14405)
    314405Wiring Assembly
    414A163Retainer
    5To Rear Axle Sensor Switch
    65037Crossmember (for Dual Fuel Tanks)
    7To Aft Axle (Dual) Fuel Tank
    8To Rear Lamps and Wiring
    9To Transmission
    1015525Wiring Assembly, Transmission
    11To Rear Anti-Lock Brake System Proportioning Valve


    Frame Wiring, F-250, F-350 Super Cab with 155-Inch Wheelbase





    ItemPart NumberDescription
    1Fuel Tank Sender Pigtail, to Mid-Ship Fuel Tank (Dual Tanks) (Part of 14405)
    214405Wiring Assembly
    314A163Retainer
    4To Rear Axle Sensor Switch
    55037Crossmember (for Dual Rear Fuel Tanks)
    6Locator, Install in Hole Provided (Part of 14405)
    7To Aft Axle (Dual) Fuel Tank
    8To Rear Lamps and Wiring (Styleside Pickup)
    9To Dual Fuel Tanks Selector Valve (for 7.3L Diesel Engine Only)
    1015525Wiring Assembly, Transmission
    11To Rear Anti-Lock Brake System
    1213A409Wiring Assembly


    Frame Wiring, F-350 Crew Cab with 168-Inch Wheelbase





    ItemPart NumberDescription
    1Locator, Position in Hole Provided (Part of 14405)
    214405Wiring Assembly
    314A163Clip
    4To Rear Axle Sensor Switch
    5To Aft Axle (Dual) Fuel Tank
    6To Dual Fuel Tanks Valve and Solenoid (Diesel Only)
    715525Wiring Assembly
    8To Rear Anti-Lock Brake System Proportioning Valve
    913A409-DWiring Assembly
    10To Catalyst Monitor Sensor (CMS)


    Frame Wiring, Bronco





    ItemPart NumberDescription
    114405Wiring Assembly
    2To 13A409 Wiring Assembly
    3To License Lamps
    4To 14408 Wiring Assembly
    514A163Retainer
    6To Rear Axle Sensor Switch
    7To Aft Axle Fuel Tank
    8Locator, Position in Hole Provided (Part of 14405)
    915525Wiring Assembly, Transmission
    10To Transmission
    11To Rear Anti-Lock Brake System Proportioning Valve


    Manual Transmission and Backup Lamp Switch Wiring





    ItemPart NumberDescription
    19F472Heated Oxygen Sensor Assembly
    214A666Cover
    34x4 Indicator Connector (Part of 15525)
    4Locator
    515525Wiring Assembly
    6Backup Lamp Switch Connector (Part of 15525)
    714K067Wiring Assembly (4x4) Indicator Lamp for (4x4) Vehicles Without Shift on the Fly
    814405Wiring Assembly


    Automatic Transmission and Backup Lamp Switch Wiring, C6, 4R70W





    ItemPart NumberDescription
    115525Wiring Assembly
    214A666Cover
    3Locator, Install in Hole Provided (Part of 15525)
    49F472Heated, Oxygen Sensor Assembly
    514405Wiring Assembly
    614K067Wiring Assembly (4x4) Indicator Lamp Wiring for (4x4) Vehicles Without Shift on the Fly Only
    7Neutral Start Switch
    89D930Wiring Assembly
    9Locator, Install in Hole Provided
    10Locator, Install in Hole Provided


    Automatic Transmission and Backup Switch Wiring, E4OD Transmission





    ItemPart NumberDescription
    1N605771Bolt
    2To CMS
    314K067Wiring Assembly
    415525Wiring Assembly
    5Locator, Position in Hole Provided
    6To Neutral Start Switch
    714A666Cover
    814405Wiring Assembly
    99F472Heated Oxygen Sensor Assembly
    1014A004Bracket
    11N610962-S55Bolt
    ATighten to 2.7-3.2 Nm (24-28 Lb-In)


    Transfer Case, 4x4 Indicator Lamp and/or Speed Sensor Wiring






    Vehicle Speed Sensor and Wiring





    ItemPart NumberDescription
    15005Frame Rail
    214405Wiring Assembly
    32K032Brake Line
    414A163Clip
    5To Fuel Tank Sender Pigtail
    6Locator, Install in Hole Provided (Part of 14405)
    7Existing Bolt (Part of 9E761)
    89E761Rear Axle Sensor Switch
    9Existing Retainer Assembly (Part of 9E761)
    ANot Used on Bronco or 4x2
    BNot Used on F-350 Super Duty


    Trailer Tow, Bronco





    ItemPart NumberDescription
    1Locator, Position in Hole Provided (Part of 13A576)
    2Rear Crossmember
    3To 14086 Wiring Assembly
    412964Adapter (Kit Stowed in Vehicle for Customer Installation)
    5N806820-S55Tapping Screw
    613A576Wiring Assembly
    7Locator (Not Used) (Part of 13A576)
    8To 13A409 Wiring Assembly
    917906Bumper
    1014405Wiring Assembly
    ATighten to 22-28 Nm (16-21 Lb-Ft)


    Trailer Tow, F-Series with Bumper





    ItemPart NumberDescription
    1Locator, Place in Hole Provided (Part of 13A576)
    210610Rear Crossmember
    3To 13A409 Wiring Assembly
    4Locator, Place in Hole Provided (Part of 14405)
    5Hole (Not Used)
    6N60689-S55Screw (2 Req'd)
    7N801846-S36MGScrew
    8N806820-S55Tapping Screw
    914A206-BBracket
    10Locator, Not Used
    1113A576-AWiring Assembly
    1214405Wiring Assembly
    ATighten to 19-20 Nm (14-15 Lb-Ft)
    BTighten to 22-28 Nm (16-21 Lb-Ft)


    Trailer Tow, F-Series Without Bumper





    ItemPart NumberDescription
    114405Wiring Assembly
    2Hole (Not Used)
    3To 13A409 Wiring Assembly
    4Locator, Place in Hole Provided (Part of 13A576)
    510610Rear Crossmember
    612964-AAdapter
    7N806820-S55Tapping Screw
    813576-BWiring Assembly
    9Locator, Place in Hole Provided (Part of 14405)
    10N801846-S36MGScrew
    1113A576-AWiring Assembly
    1214A666-AEnd Cap
    ATighten to 22-28 Nm (16-21 Lb-Ft)


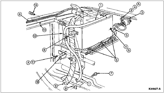
    Engine Starter Subsystem and Battery, F-Super Duty Motorhome





    ItemPart NumberDescription
    114303Cable Assembly, Engine to Ground
    2W611633-S36Self-Tapping Screw, M8x1.25x14
    3N630359-S36Washer
    495875-SStrap, 4.00 Bundling Adjustment
    5374043-S100Washer, Flat Felt
    614301Cable Assembly, Battery to Ground
    710655Battery Assembly
    8Nut (Part of 14301)
    914300Cable Assembly, Battery to Starter Relay
    10To Heated Oxygen Sensor
    11Locator, Place in Hole Provided (Part of 12A581)
    1211N087Cover, Starter Solenoid — Red
    1312A581Wiring Assembly
    14To Starter Relay (See View X)
    15To 12A581 Wiring Assembly
    16To Starter
    17382747-S36Screw and Washer Assembly
    18N805403-S100Nut
    19Route 14300 Cable Assembly Below Engine Mount
    20N620481-S2Nut
    21N605786-S2Bolt
    2214K730Panel, Junction Block Mounting
    2314A593Cover Assembly, Wire Connector
    24N80032-S36Screw
    25N605890-S2Bolt
    2611450Relay Assembly, Starter Motor
    27381561-S36Nut and Washer Assembly
    2814A396Cap
    2933799-S36Nut
    3034943-S36Washer
    31390158-S36Stud
    32Existing Oil Cooler Clip (Part of Oil Cooler)
    3311000Starter Motor and Drive Assembly
    34N803471-S55Screw and Washer Assembly
    3510747Spacer, Battery Hold Down
    36N605801-S2Bolt
    37N620482-S2Nut
    385005Frame Rail
    3910748Tray, Battery
    ATighten to 9-13 Nm (80-115 Lb-In)
    BTighten to 11-17 Nm (8-13 Lb-Ft)
    CTighten to 19-26 Nm (14-19 Lb-Ft)
    DTighten to 10-14 Nm (7-10 Lb-Ft)
    ETighten to 21-32 Nm (15-23 Lb-Ft)
    FTighten to 3-4 Nm (27-35 Lb-In)
    GTighten to 10-16 Nm (7-12 Lb-Ft)
    HTighten to 5-7 Nm (44-62 Lb-In)
    JTighten to 7-9 Nm (62-80 Lb-In)
    KTighten to 40-64 Nm (30-47 Lb-Ft)
    LTighten to 26-34 Nm (19-25 Lb-Ft)


    Wiring Installation, F-Super Duty Motorhome





    ItemPart NumberDescription
    1N60589-S2Bolt, M6 x 1.0 x 22.5
    2N801521-S2Nut, M6 x 1.0
    33830072Clip
    413480Stoplight Switch
    510B942Instrument Cluster Wiring
    614401Main Wiring
    714603Grommet
    895875-SBundling Strap
    9N620479-S2Nut, M5 x 0.8
    1010D840Safety Belt Warning Chime
    1117C494Windshield Wiper Governor Bracket
    12N605758-S2Screw and Washer, M5 x 0.8 x 14.0
    1317C476Windshield Wiper Governor
    149341Inertia Fuel Shutoff Switch
    15N605623-S2Bolt, M5 x 0.8 x 40
    1613350Indicator Flasher
    1713K359Multi-Function Switch
    18390345-S36Screw, T-20 Torx® or 7mm
    19381561Hex Nut and Washer
    2014A396Relay Cover
    2114305Generator Voltage Regulator Wiring
    22383256-S36Hex Nut and Washer, 1/4-20
    AExisting Hole for Push-In Clips
    BTo Multi-Function Switch
    CExisting Hole for Locator
    DTo Inertia Fuel Shutoff Switch
    ETo Flasher Module
    FTo Ignition Switch
    GTo Steering Column Switch
    HExisting Hole for Push-In Clips


    Wiring Installation, F-Super Duty Motorhome (Continued)






    Wiring Installation, F-Super Duty Motorhome (Continued)





    ItemPart NumberDescription
    114401Wiring Assembly
    2N805373-S36MGScrew
    3Existing Hole for Strap Installation
    4For Continuation, See View A
    5Existing Hole
    6See View C
    7Slide Connector onto Existing Bracket
    8To Fuel Charging Wiring Assembly (Part of 14401)
    9Bolt
    10Existing Hole
    111353Guard, Wiring — Should Fully Cover Floor Brace in Area Where Wiring Crosses
    1214401Wiring Assembly, Main
    1312A581Wiring Assembly, Engine Control Sensor
    14To Battery Cables
    15Part of Battery Cables
    16For Continuation, See Main View
    17Route Above Power Steering Cooler Lines
    18N605892-S2Bolt
    19N801521-S2Nut
    20128582Control and Heat Sink Assembly
    21Existing Hole
    22For Continuation, See View C
    23N610959-S2Screw
    2414A254Bracket, Fuse Junction Panel Mounting
    2595875-SStrap, Bundling
    2612A581Wiring Assembly
    27To Air Conditioning Compressor
    28Existing Holes
    29Existing Bracket (Part of 12A581)
    309D930Wiring Assembly, Engine
    3112A310Ignition Coil and Bracket Assembly
    32N802324-S56Bolt
    3314A163Retainer, Wiring
    3445356-S36Nut
    359J472Exhaust Gas Recirculation Control Bracket
    36To Air Conditioning Compressor
    379278Switch, Oil Pressure
    ATighten to 4-7 Nm (35-62 Lb-In)
    BTighten to 10-13 Nm (89-115 Lb-In)
    CTighten to 11-24 Nm (8-18 Lb-Ft)
    DTighten to 6-10 Nm (53-89 Lb-In)


    Frame Wiring, F-Super Duty Motorhome with 7.5L Engine





    ItemPart NumberDescription
    114405Wiring Assembly, Rear Lamp
    2W611633-S36Screw
    395875-SStrap, Adjustable
    414401Wiring Assembly
    59002Aft Fuel Tank
    6Locator, Place in Hole Provided (Part of 14405)