Section 03-04C: Fuel Charging and Controls, 7.3L Diesel Engine | 1997 F-250 Heavy Duty, F-350 and F-Super Duty Workshop Manual |
The fuel system used on the 7.3L direct injection (DI) turbo diesel engine:
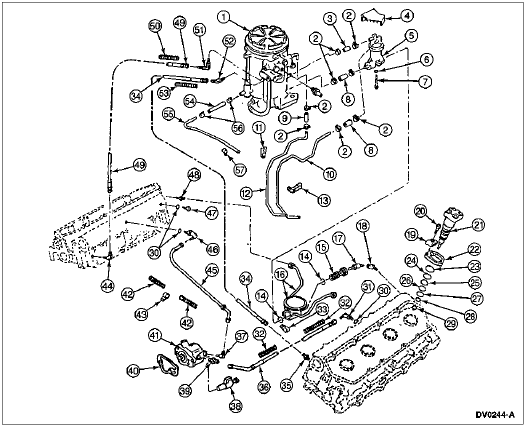
Fuel is drawn from the fuel tank (9002) by the fuel pump (9350), then under low pressure is circulated through the fuel filter (9155) and back to the fuel pump to be circulated under high pressure to the cylinder head fuel galleries. From there the fuel is delivered to the combustion chambers through the electronically controlled/hydraulically actuated fuel injectors.
The cylinder head (6049) is:
Fuel System Components

| Item | Part Number | Description |
|---|---|---|
| 1 | 9155 | Fuel Filter |
| 2 | 9C334 | Fuel Tube Clamp |
| 3 | 9324 | Fuel Filter Supply Hose |
| 4 | 9E313 | Fuel Shield |
| 5 | 9350 | Fuel Pump |
| 6 | 9N693 | Fuel Pump Seal |
| 7 | — | Fuel Pump Tappet (Part of 9350) |
| 8 | 9D308 | Fuel Return Hose |
| 9 | 9D308 | Fuel Return Hose |
| 10 | 9C330 | Fuel Pump Supply Tube |
| 11 | — | Fuel Supply and Return Tube Clamp (Part of 9C330) |
| 12 | 9A564 | Fuel Return Tube |
| 13 | — | Fuel Supply and Return Hose Clamp (Part of 9C330) |
| 14 | — | Fuel Pump Fitting Gasket (Part of 9A555) |
| 15 | — | Fuel Pump Outlet Bolt (Part of 9A555) |
| 16 | 9A555 | Fuel Injection Tube |
| 17 | — | 45-Degree Street Elbow (Part of 9A555) |
| 18 | — | 45-Degree Street Elbow (Part of 9A555) |
| 19 | — | Oil Deflector (Part of 9F593) |
| 20 | — | Bolt (Part of 9F593) |
| 21 | 9F593 | Fuel Injector |
| 22 | — | Fuel Injector Hold-Down Clamp (Part of 9F593) |
| 23 | — | Backup Ring (Part of 9F593) |
| 24 | — | Cushion Ring (Part of 9F593) |
| 25 | — | Fuel Injector Upper Seal (Part of 9F593) |
| 26 | — | Fuel Injector Middle Seal (Part of 9F593) |
| 27 | — | Cushion Ring (Part of 9F593) |
| 28 | — | Fuel Injector Lower Seal (Part of 9F593) |
| 29 | — | Fuel Injector Gasket (Part of 9F593) |
| 30 | 9N693 | Elbow and Plug O-Ring |
| 31 | 9E629 | 90-Degree High-Pressure Hose Elbow |
| 32 | 9K260 | Fuel Line Sleeve |
| 33 | 9N653 | High-Pressure Manifold Supply Hose Clamp |
| 34 | 9D308 | Fuel Return Hose |
| 35 | — | Fuel Return Connector (LH) (Part of 9D308) |
| 36 | 9A332 | High-Pressure Oil Pump Supply Hose |
| 37 | — | Elbow (Part of 9A543) |
| 38 | 9C968 | Injection Pressure Regulator |
| 39 | 9K319 | Connector |
| 40 | 9417 | High-Pressure Oil Pump Flange Gasket |
| 41 | 9A543 | High-Pressure Oil Pump Assy |
| 42 | 9K260 | Fuel Line Sleeve |
| 43 | 9N653 | High-Pressure Oil Pump Supply Hose Clamp |
| 44 | 9N320 | 90-Degree Fuel Return Elbow (RH) |
| 45 | 9J323 | High-Pressure Oil Pump Supply Hose |
| 46 | 9N332 | 90-Degree High-Pressure Hose Elbow |
| 47 | 9K024 | Supply Rail Plug with O-Ring |
| 48 | 390147-S | Straight Connector |
| 49 | 9D308 | Fuel Return Hose |
| 50 | 9K260 | Fuel Line Sleeve |
| 51 | 9N320 | Fuel Return Hose Elbow |
| 52 | 9N320 | Fuel Return Hose Elbow |
| 53 | 9K260 | Fuel Line Sleeve |
| 54 | 9324 | Fuel Filter Water Drain Hose |
| 55 | 9L273 | Water Drain Tube |
| 56 | 9C334 | Fuel Tube Clamp |
| 57 | 9W310 | Water Drain Tube Clip |