Section 07-01: Transmission, Automatic, E4OD | 1997 F-250 Heavy Duty, F-350 and F-Super Duty Workshop Manual |
| Description | Tool Number |
|---|---|
| Oil Filler Tube Replacer | T89T-70010-G |
| Clutch Spring Compressor | T65L-77515-A |
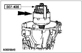
| Remover/Installer, Clutch Drum | 307-436 |
| Clutch Spring Fixture | T89T-70010-C |
| Aligning Pin | T89T-70010-B |
| Shift Lever Seal Replacer | T74P-77498-A |
| Transmission Range (TR) Sensor (MLPS) Alignment Tool | T92P-7010-AH |
| Extension Housing Seal Replacer | T61L-7657-B |
| Torque Converter Handles | T81P-7902-C |
NOTE: Soak all friction clutch plates in clean Motorcraft MERCON® Multi-Purpose Automatic Transmission Fluid XT-2-QDX or MERCON® equivalent for 15 minutes.
NOTE: Lightly lubricate all O-ring seals before installing using Motorcraft MERCON® Multi-Purpose Automatic Transmission Fluid XT-2-QDX or MERCON® equivalent.
NOTE: Lightly lubricate all thrust washers with petroleum jelly to hold in place during assembly.
Mount transmission case (7005) in Rotunda Car/Truck Engine Repair Stand 014-00106 or equivalent.

If removed, install new short fluid inlet tube using Oil Filler Tube Replacer T89T-70010-G.

CAUTION: While performing the following step, use care not to overtighten compressor tool or misalign the piston in its bore.
Install reverse clutch piston (7D402) using Clutch Spring Compressor T65L-77515-A. Remove tool after installing reverse clutch piston.
Front View

Rear View

Install reverse clutch return spring assembly and low/reverse one-way clutch inner race. Inner race must be installed with lubrication hole in the 5 o'clock position.

Attach low/reverse one-way clutch inner race to case with five bolts using a 7/16 socket and alternately tighten to 24-34 Nm (18-25 lb-ft).

CAUTION: The number of clutch plates and pressure plates are model dependent.
NOTE: Install reverse clutch pressure plate retaining ring with opening between the 12 o'clock and 3 o'clock positions.
NOTE: No stack-up clearance measurement required.
Install cushion spring. Install reverse clutch pack starting with an (external spline) steel plate. Alternate with (internal splined) friction plates. Install reverse clutch pressure plate and reverse clutch pressure plate retaining ring.

NOTE: Make sure No. 13 parking gear thrust washer is properly seated against tab on case.
Lubricate steel side of the No. 13 parking gear thrust washer with petroleum jelly and place on rear of case so that bronze side is facing outward.

Slide park gear (7A233) onto output shaft (7060) with thrust surface forward. Install output shaft.

NOTE: When the reverse clutch and low one-way clutch are installed, the reverse clutch should rotate clockwise. The one-way clutch will hold and not let the clutch hub rotate counterclockwise.
Install reverse clutch hub and low one-way clutch assembly by pressing hub inward and rotating clockwise over the inner race to fully seat.

NOTE: Lightly lubricate thrust bearing with petroleum jelly to hold it in place during assembly.
Place the No. 12 thrust bearing on the rear surface of the hub assembly. Place the output shaft ring gear assembly into the case.

WARNING: DO NOT OVEREXTEND OUTPUT SHAFT RETAINING RING WHEN INSTALLING. MAKE SURE OUTPUT SHAFT RETAINING RING IS SECURELY SEATED IN GROOVE.
Install new output shaft retaining ring onto output shaft.

Install reverse planet (7D006) assembly into reverse clutch hub with No. 10B and No. 11 reverse planet thrust washers.

Install reverse planet retaining ring into reverse clutch hub. Verify retaining ring is fully seated.

NOTE: Use a light film of petroleum jelly on the No. 8A intermediate brake drum thrust washer.
Verify that No. 8A intermediate brake drum thrust washer is installed onto intermediate brake drum. Make sure tabs are seated properly into slots.

Verify that the No. 8B forward clutch needle bearing is installed. If not, apply a light film of petroleum jelly to forward clutch needle bearing cylinder assembly and install into front end of forward clutch with the large O.D. radius facing inward.

Install forward clutch cylinder assembly onto intermediate brake drum by rotating until fully seated.


NOTE: Use a light film of petroleum jelly on the No. 9A forward clutch thrust bearing. Install with black side facing up.
Verify that the No. 9A forward clutch thrust bearing is installed into the forward clutch.

Apply a light film of petroleum jelly to No. 8C forward clutch hub thrust washer and place onto forward hub and ring gear assembly. Place forward hub and ring gear assembly into clutch drum.


Apply a light film of petroleum jelly to No. 10A forward planet assembly thrust bearing and place onto forward planet assembly. Place forward planet assembly into forward hub and ring gear assembly.


NOTE: Apply a light film of petroleum jelly to No. 9B forward clutch thrust bearing to hold in place. Install with large O.D. radius facing inward.
Verify No. 9B forward clutch thrust bearing is installed into forward planet assembly.

Align input shell notches with intermediate brake drum lugs.

Install input shell onto assembly and rotate until fully seated.

WARNING: WHEN INSTALLING THE SPECIAL TOOL, THE HOOKS ON THE CROSSBAR MUST ENGAGE THE NOTCHES ON THE INPUT SHELL TO PREVENT INJURY OR DAMAGE.
Using the special tool, lower the direct clutch, forward clutch and input shell as an assembly into the case.

Remove service tool.
Install intermediate band so that one ear is resting on the anchor pin.

NOTE: Prior to installation, lightly lubricate piston seal with clean transmission fluid.
Gently press intermediate band servo assembly piston into case bore.

CAUTION: The number of plates are model dependent.
NOTE: Install front intermediate clutch pressure apply plate with blank area (no teeth) at 6 and 12 o'clock positions.
Install intermediate clutch rear pressure plate on bottom. Install intermediate clutch pack starting with internal spline plate and alternate with external spline plates. Install front intermediate clutch pressure apply plate on top.

NOTE: The following stack-up check measurement indicates not only the amount of space existing between the center support assembly and the intermediate brake drum; it also will indicate if the unit has been properly built to this point.
Lubricate the direct clutch cast iron seal rings on center support assembly with petroleum jelly.

Determine center support assembly thickness by placing Depth Micrometer D80P-4201-A or equivalent over the hole in the center support assembly. Extend micrometer probe until flush with the No. 6 center support thrust washer (7L326) surface on the opposite side of center support assembly. A thrust washer held against the center support assembly as shown will help to determine when the probe is flush. Record this as Reading A.

| Item | Part Number | Description |
|---|---|---|
| 1 | — | Depth Micrometer D80P-4201-A |
| 2 | — | Reading A |
| 3 | — | Depth Micrometer Probe Flush with Thrust Washer Surface |
| 4 | — | Thrust Washer on Center Support |
| 5 | 7A130 | Center Support Assy |
Install No. 6 center support thrust washer into intermediate brake drum. Make sure it is fully seated.
CAUTION: Do not misalign center support in the case bore. This can damage the case bore.
Install center support assembly with feed holes in 6 o'clock position. Install the two new feedbolts. Do not tighten at this time.

Place depth micrometer over hole in center support assembly and extend micrometer probe until it contacts the thrust washer. This is Reading B.

| Item | Part Number | Description |
|---|---|---|
| 1 | — | Depth Micrometer D80P-4201-A |
| 2 | — | Reading B |
| 3 | — | Depth Micrometer Probe Contacting Thrust Washer |
| 4 | 7F374 | Forward Clutch Needle Bearing (No. 8B) |
| 5 | 7L326 | Center Support Thrust Washer (No. 6) |
| 6 | 7D044 | Intermediate Brake Drum |
| 7 | 7A130 | Center Support Assy |
Subtract reading A from reading B. Record this as reading C. Reading C must be within specification 2.06-0.81 mm (0.081-0.032 inch). If final dimension is outside specified limits, this indicates improper assembly.

NOTE: Locate one spring leg pointing toward the 6 o'clock position of the transmission (7003).
Install intermediate clutch return spring with dished surface inward.

CAUTION: Do not misalign intermediate/overdrive cylinder assembly when installing. This can damage the case bore.
Install intermediate/overdrive cylinder assembly into casewith feed hole in 6 o'clock position aligning with feed hole in case.

Position intermediate/overdrive cylinder retaining ring over intermediate/overdrive cylinder assembly so that snap ring opening is at bottom (6 o'clock position) of case for proper fluid drainback.

NOTE: No stack-up clearance measurement required.
Install Clutch Spring Fixture T89T-70010-C onto intermediate/overdrive cylinder assembly. Using two bolts, attach the tool to the pump face of case as illustrated. Tighten center bolt to 7 Nm (65 lb-in). Seat intermediate/overdrive cylinder retaining snap ring into case ring groove. Install new intermediate/overdrive cylinder feedbolt. (Do not tighten at this time.)

Remove clutch spring fixture assembly.
CAUTION: The input shaft (7017) and overdrive planet assembly are serviced as mating components.
Verify that the No. 5 overdrive center shaft thrust bearing assembly is on rear face of overdrive center shaft (7A658). Install overdrive center shaft, overdrive ring gear, overdrive planet assembly and coast clutch cylinder as an assembly.

NOTE: Number of plates in clutch pack is model-dependent.
Install overdrive clutch starting with steel plate alternating with friction plates. Install overdrive clutch pressure plate with dot facing outward and at the 12 o'clock position. Install overdrive clutch pressure plate retainer snap ring with opening at bottom of case (6 o'clock).

Check stack-up clearance in three positions 120 degrees apart using a feeler gauge. If not within 1.33-0.68 mm (0.052-0.027 inch) for 2 plate applications, or 1.473-0.812 mm (0.058-0.032 inch) for 3 plate applications, install correct selective retaining ring and recheck clearance. Refer to the Specifications portion of this section for selective snap ring thicknesses and part numbers.

NOTE: Lightly lubricate gasket with petroleum jelly to hold it in place during assembly.
Align holes and install new pump gasket into case.

CAUTION: The input shaft and overdrive planet assembly are serviced as mating components.
Install input shaft (long splined end first) and thread Aligning Pin T89T-70010-B into case.

Using petroleum jelly to hold in place, make sure that No. 1 pump thrust washer and No. 2A overdrive sun gear thrust bearing are in place before installing pump.

CAUTION: Tighten pump bolts alternately to avoid possible damage.
Install the front pump assembly into the case. Orient the filter inlet tube bore toward the 6 o'clock position. Fully seat the front pump assembly using hand pressure only. Do not use bolts to draw front pump assembly into the case.

Remove old rubber coated washers from the nine pump-to-case bolts. Install nine new pump bolt washers. Remove Aligning Pin T89T-70010-B. Install nine pump bolts using a 10 mm socket. Tighten bolts alternately to 24-31 Nm (18-23 lb-ft).

If replaced, verify the correct input shaft and overdrive planet assembly were used. Measure as shown below. The input shaft must extend 38 mm (1.5 inch) past the end of the pump stator.

CAUTION: Remove input shaft prior to rotating transmission.
Remove input shaft.
Install manual control lever seal using Shift Lever Seal Replacer T74P-77498-A.

Install manual control lever shaft (7C493).
Install transmission range (TR) sensor with two bolts and washers. Do not tighten bolts at this time.
Insert manual control valve detent lever spring (7A261) and 8 mm bolt. Tighten to 9-11 Nm (80-100 lb-in).
Install manual lever shaft retaining pin (7B210) below the case surface.
NOTE: Inner manual valve detent lever (7A115) must be seated on flats of manual control lever shaft, and parking pawl actuating rod must be through guide plate.
Install inner manual valve detent lever, parking pawl actuating rod and nut.

NOTE: Manual control valve detent lever spring must be on inner manual valve detent lever and detent lever pin must align with manual shift valve.
Tighten inner manual valve detent lever nut using a 21 mm crowfoot while holding manual control lever shaft with crescent wrench. Tighten nut to 41-54 Nm (30-40 lb-ft).

Shift inner manual valve detent lever to all detent positions to check proper engagement of all positions and parking mechanism.
Align transmission range (TR) sensor with the transmission in neutral gear position using Transmission Range (TR) sensor (MLPS) Alignment Tool T92P-7010-AH.
Using an 8 mm socket, tighten bolts to 8-10 Nm (77-85 lb-in).
NOTE: The outer manual control lever (7A256) must be seated on the flats of the manual control lever shaft.
Install the outer manual control lever onto the manual control lever shaft. The outer manual control lever must be up and the pin facing away from the transmission.
CAUTION: A new outer manual control lever shaft nut must be used to properly secure outer manual control lever to manual control lever shaft.
Install a new outer manual control lever shaft nut using a 15 mm socket while holding the outer manual control lever with a crescent wrench. Tighten the nut to 35-47 Nm (26-35 lb-ft) (cable system only).
NOTE: Parking pawl return spring (7D070) end rests on inside surface of case.
Install parking pawl (7A441), parking pawl shaft (7D071) andparking pawl return spring on rear face.

If removed, install parking pawl abutment with new Torx® head screw (T40 bit) and tighten to 22-27Nm (16-20 lb-ft).

NOTE: Make sure parking guide support plate dimple is facing inward and parking pawl actuating rod is in parking rod support plate slot.
Attach two parking rod guide plate bolts and washers using a 13 mm socket. Tighten to 22-27 Nm (16-20 lb-ft).

NOTE: Lightly lubricate gasket to hold it in place during assembly.
Place new extension housing gasket on extension housing (7A039).

NOTE: The two bottom extension housing bolts are slightly shorter on 4x2 vehicles and slightly longer on 4x4 vehicles.
Install extension housing and wiring bracket on rear ofcase (at approximately the 10 and 11 o'clock positions). Install nine bolts using 13 mm socket. Tighten bolts to 41-54 Nm (30-40 lb-ft).

Install extension housing seal, using Extension Housing Seal Replacer T61L-7657-B.

Tighten intermediate/overdrive cylinder and center support assembly feedbolts using 13 mm socket. Tighten the front feedbolt to 8-14 Nm (6-10 lb-ft). Tighten both rear feedbolts to 11-16 Nm (8-12 lb-ft).

NOTE: The steel EPC check ball has a 0.25-inch diameter steel ball that is smaller than the other check balls.
Install steel EPC check ball and spring assembly.

CAUTION: Use care not to damage rubber check balls.
Install eight rubber check balls. Refer to the following illustration for check ball location.

NOTE: Refer to parts catalog for correct gasket use.
Install new valve body separator plate gasket.

NOTE: Check placement of steel EPC check ball.
Install valve body separator plate (7A008).

Install separator plate reinforcing plate with the stamped word UP visible. Install three bolts using an 8 mm socket. Tighten to 9-11 Nm (80-100 lb-in).

NOTE: Refer to master parts catalog for correct gasket usage.
Install new valve body separator plate to case gasket.

Install solenoid screen assembly into separator plate by pushing in and rotating to lock.

Install accumulator body assembly over studs. Install two nuts and 11 bolts and finger-tighten.

Lower main control valve body (7A100) over studs. Align manual shift valve with inner manual valve detent lever.

Install main control valve body. Install two nuts and finger-tighten.
NOTE: Prior to installing solenoid body assembly, coat the case connector bore with petroleum jelly or equivalent.
Install solenoid body assembly over stud. Install nine Torx® bolts using a T30 bit and one nut. Finger-tighten.

Tighten all accumulator body, upper and lower control body and solenoid body nuts and bolts to 9-11 Nm (80-100 lb-in).

CAUTION: Do not mix 4x4 and 4x2 transmission fluid filters and transmission pan assembly components. Transmission damage can result.
Select the appropriate style filter assembly and transmission pan for either 4x2 or 4x4 vehicles.

CAUTION: Do not reuse old filter assembly and seal.
Install a new filter assembly and seal by lubricating the seal with transmission fluid and pressing the filter into place.

CAUTION: Do not mix 4x4 and 4x2 transmission fluid filters and transmission pan assembly components. Transmission damage can result.
Select the appropriate style filter assembly and transmission pan for either 4x2 or 4x4 vehicles.

Place transmission pan magnet on dimple in bottom of transmission pan.

CAUTION: Cork gaskets and elastomeric gaskets are not interchangeable. If you remove a cork gasket, replace it with a cork gasket. If you remove an elastomeric gasket, clean, inspect and reuse unless gasket is damaged. Be careful not to cut or bend elastomeric gasket.
Clean, inspect and reuse elastomeric gasket unless damaged.

Install pan gasket and transmission pan. Install retaining bolts using a 10 mm socket. Tighten bolts to 14-16 Nm (10-12 lb-ft).

Rotate transmission so transmission pan is facing downward and install input shaft, long splined end first.

CAUTION: Use care when installing torque converter (7902) to avoid damage to the front pump stator support seal.
NOTE: Check the converter crankshaft pilot for nicks or damaged surfaces that can cause interference when installing the transmission to engine. Check the converter impeller hub for nicks or sharp edges that can damage the pump seal.
Install torque converter using Torque Converter Handles T81P-7902-C. Carry torque converter with the handles in the 6 and 12 o'clock positions. Lift up slightly on the torque converter pilot and center the torque converter in the housing as shown in the following illustration. Holding the torque converter by the pilot, push and rotate the torque converter onto the front pump assembly until it bottoms out.

Check the seating of thetorque converter by placing a straightedge across the converter housing. There must be a gap between the converter pilot face and the straightedge.

Remove converter handles.