Section 11-05: Steering Column Switches | 1997 F-250 Heavy Duty, F-350, F-Super Duty Chassis Cab and Motorhome Workshop Manual |
The switch prevents moving the shift lever out of PARK position unless brake pedal is depressed.
The brake-shift interlock system consists of an electrical solenoid mounted at the base of the steering column. If the key is in the RUN position, the solenoid runs continually unless the brake is depressed.
| Key Position | Ignition Interlock Shift Lever and Steering Wheel | Brake-Shift Interlock Status |
|---|---|---|
| Accessory | Locked | Shift Unlocked — No Power to Solenoid |
| Locked | Locked | Shift Unlocked — No Power to Solenoid |
| Off | Unlocked | Shift Unlocked — No Power to Solenoid |
| Run | Unlocked | Shift Locked (Unless Brake Pedal Is Pressed) — Power to Solenoid |
Brake-Shift Interlock Switch Location

If the brake circuit fuse is blown or the solenoid has shorted internally, the vehicle will not shift from the PARK position even if the ignition is on and brake pedal is pressed. The interlock can be temporarily overridden by the following procedure:
Apply parking brake.
Remove the ignition key.
Insert the ignition key and rotate one position clockwise (ignition off).
Shift the selector lever to neutral.
NOTE: If the vehicle is shifted into PARK, the above procedure must be repeated.
Start the vehicle.
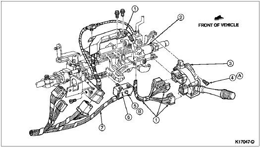
Steering Column Switches

| Item | Part Number | Description |
|---|---|---|
| 1 | 14A320 | Headlamp Dimmer Switch Jumper Wiring |
| 2 | 3514 | Steering Column |
| 3 | 13K359 | Multi-Function Switch |
| 4 | 390345-S36 | Screw |
| 5 | — | Captive Bolt (Part of 14A200) |
| 6 | — | Ignition Switch Connector (Part of 14401) |
| 7 | 14A200 | Wiring to Ignition System |
| A | — | Tighten to 2-3 Nm (18-27 Lb-In) |
| B | — | Tighten to 0.8-1.3 Nm (7-12 Lb-In) |