1994 PCED OBDI-A | SECTION 6A: EEC-IV Pinpoint Test Procedures |
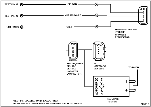
DF: Manifold Absolute Pressure (MAP)/Barometric Pressure (BARO) Sensor Introduction | DF: Pinpoint Tests |
You should enter this Pinpoint Test only when you have been directed here from Diagnostic Routines, Section 2A, or Pinpoint Test S.
To prevent the replacement of good components, be aware that the following non-EEC areas may be at fault:
This Pinpoint Test is intended to diagnose only the following:
The Manifold Absolute Pressure (MAP) sensor operates as a piezoelectric (pressure-sensing) disc. However, rather than generating a voltage, it outputs a frequency change. The sensor changes frequency relative to intake manifold vacuum. The sensor frequency increases as vacuum decreases. The MAP sensor allows the PCM to determine the engine load. The signal affects air/fuel ratio, ignition timing, EGR flow and altitude compensation.
The BARO sensor is used to sense the changes in barometric pressure, allowing the PCM to compensate for the altitude at which the vehicle is operating. Its signal affects air/fuel ratio, spark and EGR.

| Application | Wire Color |
|---|---|
| 7.0L F-Series | BL/GR |
| 3.8L Thunderbird SC 5.0L SFI E-Series | DB/LG |
| All Others | LG/BK |
| Application | Wire Color |
|---|---|
| 7.0L F-Series | BK/W |
| All Others | GY/R |
| Application | Wire Color |
|---|---|
| 7.0L F-Series | R |
| All Others | BR/W |
Note: MAP sensor output frequency versus manifold vacuum data is based on 30.0 in-Hg barometric pressure.

| Manifold Vacuum | Frequency | |
|---|---|---|
| in-Hg | kPa | Hz |
| 0 | 0 | 159 |
| 3 | 10.2 | 150 |
| 6 | 20.3 | 141 |
| 9 | 30.5 | 133 |
| 12 | 40.6 | 125 |
| 15 | 50.8 | 117 |
| 18 | 61.0 | 109 |
| 21 | 71.1 | 102 |
| 24 | 81.3 | 95 |
| 27 | 91.5 | 88 |
| 30 | 101.6 | 80 |
Note: Frequency may vary plus or minus 3 Hz from the values given due to sensor variations.

| Barometric Pressure | Frequency | |
|---|---|---|
| in-Hg | kPa | Hz |
| 17.1 | 58 | 122.4 |
| 18.3 | 62 | 125.5 |
| 19.5 | 66 | 128.7 |
| 20.7 | 70 | 131.9 |
| 21.8 | 74 | 135.1 |
| 23.0 | 78 | 138.3 |
| 24.2 | 82 | 141.8 |
| 25.4 | 86 | 145.4 |
| 26.6 | 90 | 148.9 |
| 27.7 | 94 | 152.5 |
| 28.9 | 98 | 156.1 |
| 30.1 | 102 | 159.6 |
| 31.0 | 105 | 162.4 |
| DF: Pinpoint Tests |