1994 PCED OBDI-A | SECTION 18A: Diesel Diagnosis — 7.3L DI Engine |
Z: Injection Control Pressure (ICP) Sensor Introduction | Z: Pinpoint Tests |

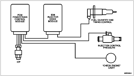
The ICP (injection control pressure) sensor is a variable capacitance sensor that, when supplied with a 5 volt reference signal from the PCM, produces a linear analog voltage signal that indicates pressure.
The ICP (injection control sensor) sensor's primary function is to provide a feedback signal to indicate rail pressure so that the PCM can command the correct injector timing and pulse width and the correct injection control pressure for proper fuel delivery at all speed and load conditions.
If the PCM detects a malfunctioning ICP sensor the CHECK ENGINE light is illuminated and the PCM will go to open loop control of injection control pressure. (Operate from an estimated ICP pressure.)

After removing connector, check for damaged pins, corrosion, loose terminals, etc.
| Test Points | Spec. | Actual | Comments |
|---|---|---|---|
| A to Grd | <5 ohms | Resistance to ground check with key off. If greater than 5 ohms the harness is open | |
| B to Grd | >5 ohms | Resistance less than 5 ohms indicates a short to ground | |
| C to Grd | >5 ohms | Resistance less than 5 ohms indicates a short to ground |
| Test Points | Spec. | Actual | Comments |
|---|---|---|---|
| A to Grd | 0-.25 volts | If greater than .25 volts signal wire is shorted to VREF or battery | |
| B to Grd | 5.0 ± .5 volt | VREF check with key on | |
| C to Grd | <.25 volts | Signal; if greater than .25 volts signal wire is shorted to VREF or battery |
| Test Points | Spec. | Actual | Comments |
|---|---|---|---|
| No. 91 to A | <5 ohms | Resistance from sensor connector to 104 pin connector | |
| No. 87 to C | <5 ohms | Resistance from sensor connector to 104 pin connector | |
| No. 90 to B | <5 ohms | Resistance from sensor connector to 104 pin connector |
153 = Signal voltage was less than 0.39 volts for more than .10 seconds.
154 = Signal voltage was greater than 4.90 volts for more than .10 seconds.
819 = Signal voltage was greater than 1.625 volts with key on/engine off.

| Z: Pinpoint Tests |