1996 PCED OBDI | SECTION 18: Diesel Diagnosis — 7.3L DI Engine |
E: Accelerator Pedal (AP) Sensor Introduction | E: Pinpoint Tests |


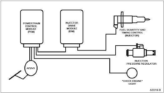
The accelerator pedal (AP) sensor provides the powertrain control module (PCM) with the driver's demand for power.
The AP signal is used in calculating desired fuel quantity, injection timing and injection control pressure.

Note: Base idle should be no lower than .5 volts.
0122 = AP sensor circuit low input.
0123 = AP sensor circuit high input.
0220 = Throttle Switch B circuit malfunction.
0221 = Throttle Switch B circuit performance.
Any detected malfunction of the AP sensor will illuminate the CHECK ENGINE light.
An AP signal that is detected out of range high or low by the PCM will cause the engine to ignore the AP signal and will only allow the engine to operate at low idle.
If a disagreement in the state of idle validation switch (IVS) and AP sensor is detected by the PCM the engine will only be allowed to operate at low idle.
| E: Pinpoint Tests |