1996 PCED OBDI | SECTION 18: Diesel Diagnosis — 7.3L DI Engine |
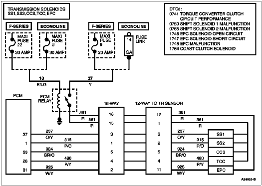
AL: Transmission Solenoids (SS1, SS2, CCS, TCC, EPC) Introduction | AL: Pinpoint Tests |
You should enter this pinpoint test only when directed here.
This pinpoint test is not intended to diagnose components interior to the transmission.
This pinpoint test is intended to diagnose only the following:



| Solenoid | PCM Signal Output Pin | KOEO DTC |
|---|---|---|
| SS1 | 27 | 0750 |
| SS2 | 1 | 0755 |
| CCS | 53 | 1754 |
| EPC | 81 | 1746, 1747, 1748 |
| TCC | 28 | 0741 |
0741 = Torque converter clutch circuit performance
0750 = Shift Solenoid 1 malfunction.
0755 = Shift Solenoid 2 malfunction.
1746 = EPC solenoid open circuit.
1747 = EPC solenoid short circuit.
1748 = EPC malfunction.
1754 = Coast clutch solenoid.
| AL: Pinpoint Tests |