1996 PCED OBDI | SECTION 18: Diesel Diagnosis — 7.3L DI Engine |
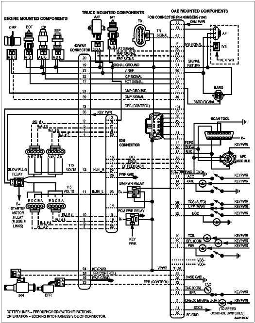
PCM Pin Descriptions and Expected Values








| 42-Way Pin | Circuit | Circuit Function |
|---|---|---|
| 1 | — | Not Used |
| 2 | 555 (T) | Low Side Fuel Injector No. 1 Pin B |
| 3 | 556 (W) | Low Side Fuel Injector No. 2 Pin D |
| 4 | 561 (T/R) | Low Side Fuel Injector No. 7 Pin D |
| 5 | 557 (BR/Y) | Low Side Fuel Injector No. 3 Pin D |
| 6 | 558 (BR/LB) | Low Side Fuel Injector No. 4 Pin B |
| 7 | 559 (T/BK) | Low Side Fuel Injector No. 5 Pin B |
| 8 | 560 (LG/O) | Low Side Fuel Injector No. 6 Pin D |
| 9 | — | Not Used |
| 10 | 562 (LB) | Low Side Fuel Injector No. 8 Pin B |
| 11 | 878 (PK/Y) | Left High Side Fuel Injectors Pin C |
| 12 | 1087 (O) | Right High Side Fuel Injectors Pin C |
| 13 | 1086 (PK/O) | Glow Plug Relay Control from PCM Pin 101 |
| 14 | — | Not Used |
| 15 | 48 (BK) | Grounded Shielding for the Injector Circuits |
| 16 | 574 (BK/PK) | EPR Ground Circuit to Battery Ground |
| 17 | 354 (LG/R) | EOT Sensor Circuit to PCM Pin 38 |
| 18 | — | Not Used |
| 19 | 359 (GY/R) | Signal Return from PCM Pin 91 |
| 20 | 553 (P/LB) | EBP Sensor Signal Circuit to PCM Pin 30 |
| 21 | 351 (BR/W) | VREF Circuit from PCM Pin 90 |
| 22 | 812 (DB/LG) | F-Series: ICP Sensor Signal Circuit to PCM Pin 87 |
| 22 | 535 (LB/R) | Econoline: ICP Sensor Signal Circuit to PCM Pin 87 |
| 23 | 318 (GY/R) | EPR Control Circuit from PCM Pin 42 |
| 24 | 361 (R) | IPR Power Supplied from the PCM Relay |
| 25 | 552 (Y/R) | IPR Control Circuit from PCM Pin 83 |
| 26 | — | Not Used |
| 28 | — | Not Used |
| 29 | 737 (W/LB) | Coolant Switch to the Temperature Light |
| 30 | 31 (W/R) | Oil Pressure Switch to the Oil Pressure Gauge |
| 31 | 39 (R/W) | Coolant Sensor to the Coolant Temperature Gauge |
| 32 | 1031 (LG) | Fuel Filter Switch to the Fuel Filter Warning Light |
| 33 | 796 (LB) | CAMP Sensor Signal Return Circuit from the PCM Pin 65 |
| 34 | — | Not Used |
| 35 | 164 (R/LG) | Econoline: Fuel Filter Heater and Glow Plug Relay Power Feed from MAXI Fuse U |
| 35 | 16 (R/LG) | F-Series: Fuel Filter Heater and Glow Plug Relay Power Feed from MAXI Fuse 22 |
| 36 | 640 (R/Y) | Water in Fuel Module Power Feed from Under Dash Fuse 18 |
| 37 | 643 (R) | Water in Fuel Module Signal to Water in Fuel Indicator |
| 38 | 41 (BK/LB) | Water in Fuel Module Bulb Test Ground to Ignition Switch |
| 39 | 795 (DG) | CAMP Sensor Signal Circuit to the PCM Pin 49 |
| 40 | — | Not Used |
| 41 | — | Not Used |
| 42 | — | Not Used |