1994 PCED OBDI-A | SECTION 6A: EEC-IV Pinpoint Test Procedures |
H: Fuel Control Introduction | H: Pinpoint Tests |
You should enter this Pinpoint Test only when you have been directed here from Diagnostic Routines, Section 2A, or Pinpoint Test S.
To prevent the replacement of good components, be aware that the following non-EEC areas may be at fault:
This Pinpoint Test is intended to diagnose only the following:
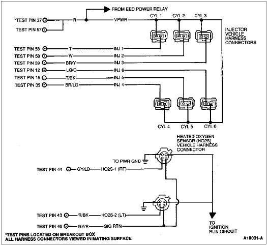
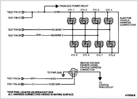
The Heated Oxygen Sensor (HO2S) reacts with the oxygen in the exhaust gases and generates a voltage based on this reaction. A low voltage indicates too much oxygen or a lean condition. A high voltage indicates not enough oxygen or a rich condition. The fuel injector is a typical on/off device. The amount of fuel delivered is determined by how long the injector is held open.









| Application | Wire Color |
|---|---|
| Taurus/Sable | DB/LG |
| All Others | GY/LB |
| Application | Wire Color |
|---|---|
| All Others | R/BK |


| Application | Wire Color |
|---|---|
| 4.6L | GY/LB |
| Application | Wire Color |
|---|---|
| 4.6L | R/BK |

| Application | Wire Color |
|---|---|
| Mustang | GY/LB |
| Application | Wire Color |
|---|---|
| Mustang | R/BK |









WARNING: THE FUEL SYSTEM WILL REMAIN PRESSURIZED WHEN THE ENGINE IS NOT RUNNING. TO PREVENT INJURY OR FIRE USE CAUTION WHEN WORKING ON THE FUEL SYSTEM.
| ENGINE MODE | ENGINE APPLICATION | All Other Applications | ||
|---|---|---|---|---|
| 2.3L HSC MFI | 3.0L SHO SFI | 3.8L SC SFI | ||
| ENGINE RUNNING | 45-60 PSI 310-415 kPa | 28-33 PSI 193-227 kPa | 30-40 PSI 210-280 kPa | 30-45 PSI 210-310 kPa |
| KEY ON ENGINE OFF | 50-60 PSI 345-415 kPa | 30-45 PSI 210-310 kPa | 35-40 PSI 240-280 kPa | 35-40 PSI 240-280 kPa |
| ENGINE MODE | ENGINE APPLICATION | |
|---|---|---|
| 4.9L MFI | All Other Applications | |
| ENGINE RUNNING | 45-60 PSI 310-415 kPa | 30-45 PSI 210-310 kPa |
| KEY ON ENGINE OFF | 50-60 PSI 345-415 kPa | 35-45 PSI 240-310 kPa |
Note: Maximum fuel pressure is obtainable at WOT or the vacuum hose removed from the fuel pressure regulator.
| 2.3L | 3.0L 4.0L/4.9L | 5.0L/5.8L 7.0L/7.5L |
|---|---|---|
| 6.0 - 8.5 | 4.0 - 5.5 | 3.0 - 4.0 |
| ALL ENGINES |
|---|
| 11.0 - 18.0 |
| H: Pinpoint Tests |