1994 PCED OBDI-A | SECTION 6A: EEC-IV Pinpoint Test Procedures |
TA: Park/Neutral Position (PNP)/ Clutch Pedal Position (CPP) Switches Introduction | TA: Pinpoint Tests |
You should enter this Pinpoint Test only when you have been directed here from Diagnostic Routines, Section 2A.
This Pinpoint Test is intended to diagnose only the following:
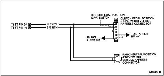
The Neutral Drive Input gives an indication of the transmission load to the Powertrain Control Module (PCM). This information is required for adjusting fuel/air ratio and idle speed. If the Park/Neutral Position (PNP) switch or Clutch Pedal Position (CPP) switch is closed, the circuit from Test Pin 30 will be grounded.








| Application | Wire Color |
|---|---|
| Escort/Tracer | BR/Y |
| Thunderbird/Cougar | R/LB |
| All Others | L/BY |
| Application | Wire Color |
|---|---|
| Thunderbird/Cougar | BK/W |
| All Others | GY/R |
| TA: Pinpoint Tests |