1994 PCED OBDI-A | SECTION 18A: Diesel Diagnosis — 7.3L DI Engine |
G: Camshaft Position (CMP) Sensor Introduction | G: Pinpoint Tests |

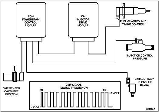
The CMP (camshaft position) sensor is a Hall-effect type sensor that generates a digital frequency, as windows in a target wheel pass through its magnetic field. The frequency of the windows passing by the sensor as well as the width of selected windows allows the PCM to detect engine speed and position.
Engine speed — Is determined by counting the 12 windows on the cam gear each camshaft revolution.
Fuel timing control — The position of cylinders No. 1 and No. 4 is determined by distinguishing a narrow or wide window on the camshaft gear.
Engine mode selection — Allows the PCM to discern when the engine is in the off, crank or run mode.
Injection control pressure — Engine speed is one of the controlling variables in the calculation of desired injection control pressure.
Exhaust back pressure — Exhaust back pressure control is a function of engine speed and load.
Fuel quantity control/torque limiting — Engine torque and fuel is controlled and is dependent on engine speed. Fuel quantity is determined by engine speed.
An inactive CMP signal during cranking is detectable by the PCM. An inactive CMP signal will cause a no start condition. Electrical noise can also be detected by the PCM. If the level is sufficient to effect engine operation, a corresponding DTC will be set.

After removing connectors always check for damaged pins, corrosion, loose terminals, etc.
| Test Points | Spec. | Actual | Comments |
|---|---|---|---|
| A to Grd | <5 ohms | Resistance to ground check with key off. If greater than 5 ohms the harness is open. | |
| B to Grd | >5 ohms | Resistance less than 5 ohms indicates a short to ground. | |
| C to Grd | >5 ohms | Resistance less than 5 ohms indicates a short to ground. |
| Test Points | Spec. | Actual | Comments |
|---|---|---|---|
| A to Grd | 0-.25 volts | If greater than .25 volts signal wire is shorted to VREF or battery. | |
| B to Grd | 5 volts | VREF check with key ON. | |
| C to Grd | 12 volts | If less than B+ check for open or grounded wire or high resistance. |
| Test Points | Spec. | Actual | Comments |
|---|---|---|---|
| No. 65 to A | <5 ohms | Resistance from sensor connector to 104 pin connector. | |
| No. 90 to B | <5 ohms | Resistance from sensor connector to 104 pin connector. | |
| No. 49 to C | <5 ohms | Resistance from sensor connector to 104 pin connector. |
816 = Incorrect number of sync to transition counts.
817 = Noise rejection, electrical noise detected.
818 = Inactive CMP sensor or no CMP signal detected during engine cranking where ICP pressure was sufficient for starting.
| G: Pinpoint Tests |