1996 PCED OBDI | SECTION 18: Diesel Diagnosis — 7.3L DI Engine |
D: Manifold Absolute Pressure (MAP) Sensor Introduction | D: Pinpoint Tests |

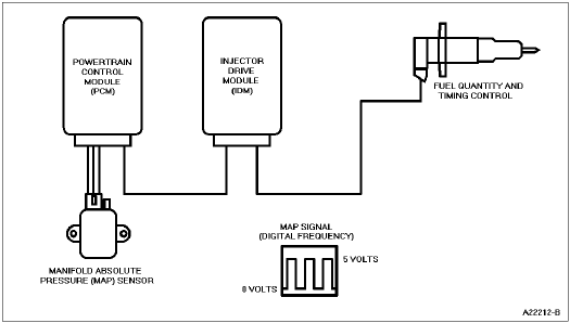
The manifold absolute pressure (MAP) sensor is a variable capacitance sensor which, when supplied with a 5-volt reference signal from the powertrain control module (PCM), produces a digital frequency signal that indicates pressure.
Smoke Control — The MAP signal is used to control smoke by limiting fuel quantity during acceleration until a specified boost pressure is obtained.
Dynamic Injection Timing — Optimizes injection timing for boost pressure measured.
A MAP signal that is detected by the PCM to be out of range or at an incorrect value for specific conditions will cause the PCM to ignore the MAP signal and operate the engine from an inferred boost pressure signal.

After removing connectors always check for damaged pins, corrosion, loose terminals, etc.
| Test Points | Spec. | Comments |
|---|---|---|
| A to Grd | <5 ohms | Resistance to ground check w/key off, if greater than 5 ohms the harness is open. |
| B to Grd | >5 ohms | Resistance less than 5 ohms indicates a short to ground. |
| C to Grd | >5 ohms | Resistance less than 5 ohms indicates a short to ground. |
| Test Points | Spec. | Comments |
|---|---|---|
| A to Grd | 0-.25 volts | If greater than .25 volts signal wire is shorted to VREF or battery. |
| B to Grd | 5 volts ± .5 | VREF signal, should be 5 volts ± 0.5. |
| C to Grd | 5 volts ± .5 | Signal line is pulled up to 5 volts ± 0.5 volts when disconnected from sensor. |
| Test Points | Spec. | Comments |
|---|---|---|
| No. 91 to A | <5 ohms | Resistance from sensor connector to 104 pin connector. |
| No. 90 to B | <5 ohms | Resistance from sensor connector to 104 pin connector. |
| No. 34 to C | <5 ohms | Resistance from sensor connector to 104 pin connector. |
| Test Points (+) No. 34 to (-) No. 91 | Operational Signal Checks (Check with breakout box installed in line with the PCM) | ||
|---|---|---|---|
| Frequency | PSI | KPA | Comments |
| 90-115 | 14.7 | 101 | Frequency with key on engine off, atmospheric pressure, changes with altitude and barometric pressure. |
| Voltage | N/A | N/A | Average voltage value of 0 to 5-volt square wave signal. |
0235 = MAP Signal Inactive (1995 Model Year)
0236 = Turbo Boost Sensor A Circuit Performance
0237 = Turbo Boost Sensor A Circuit Low Input
0238 = Turbo Boost Sensor A Circuit High Input

| Hz | PSIA | KPA |
|---|---|---|
| 94 | 10 | 70 |
| 102 | 12 | 83 |
| 109 | 14 | 97 |
| 111 | 14.7 | 101 |
| 116 | 16 | 110 |
| 123 | 18 | 124 |
| 130 | 20 | 138 |
| 138 | 22 | 152 |
| 145 | 24 | 166 |
| 152 | 26 | 179 |
| 159 | 28 | 193 |
| 167 | 30 | 207 |
| 174 | 32 | 221 |
| 181 | 34 | 234 |
| 188 | 36 | 248 |
| 195 | 38 | 262 |
| 203 | 40 | 276 |
| 210 | 42 | 290 |
| 217 | 44 | 303 |
| D: Pinpoint Tests |