1996 PCED OBDI | SECTION 18: Diesel Diagnosis — 7.3L DI Engine |
F: Speed Control Command Switch (SCCS) Introduction | F: Pinpoint Tests |
You should enter this pinpoint test only when directed here from the symptom flowcharts.
This pinpoint test is intended to diagnose only the following:
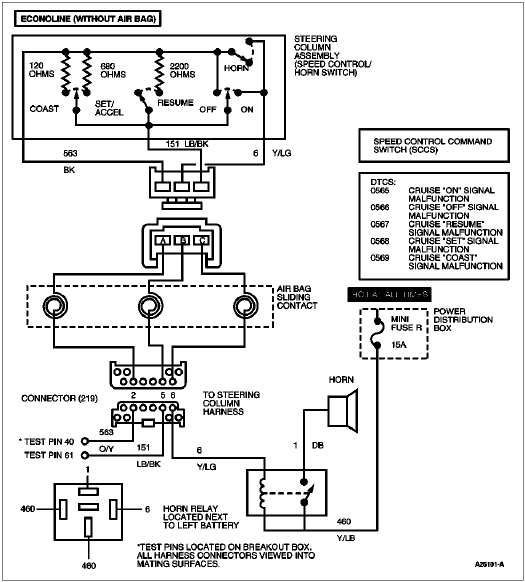
The speed control function is integrated in the PCM. The speed control command switches are momentary switches which are located on the face of the steering wheel. They consist of one ON-OFF toggle switch and one three-position SET/ACCEL-COAST-RESUME switch. These switches, when depressed, select one of several resistance values to the PCM to select speed control functions. After pressing trigger, wait at least five seconds to depress accelerator pedal.
0565 = Speed control ON. Not pressed — KOER Switch Test.
0566 = Speed control OFF. Not pressed — KOER Switch Test.
0567 = Speed control RESUME. Not pressed — KOER Switch Test.
0568 = Speed control SET. Not pressed — KOER Switch Test.
0569 = Speed control COAST. Not pressed — KOER Switch Test.



| F: Pinpoint Tests |